Operation CHARM: Car repair manuals for everyone.
Manuals through 2025 now available!

Our trusted friends have launched a new website named LEMON, which has newer manuals. It also contains all the CHARM manuals.

LEMON is the spiritual successor to CHARM, I recommend you try it!

Link: lemon-manuals.la or lemon-manuals.org.ua

(Some people have issue connecting. LEMON is investigating. For now, use Firefox or change your DNS server)

Or, hide this message: temporarily or permanently

Pinpoint Test V: The Auxiliary Panel/Floor Control Is Inoperative Using The Front Auxiliary Climate Controls




Climate Control System

Pinpoint Tests

Pinpoint Test V: The Auxiliary Panel/Floor Control is Inoperative Using the Front Auxiliary Climate Controls

Refer to Wiring Diagram Set 52, Auxiliary Climate Control for schematic and connector information. Diagrams By Number

Normal Operation

Under normal operation, the auxiliary mode door actuator motor is driven to the floor position by supplying voltage to the motor on circuit CHA11 (WH/OG) and ground to circuit CHA12 (GN/BU). The auxiliary mode door actuator motor is driven to the panel position by reversing the voltage and ground.

This pinpoint test is intended to diagnose the following:
- Wiring, terminals or connectors
- Front auxiliary climate control assembly
- Auxiliary mode door actuator motor
- Broken/binding auxiliary mode door



PINPOINT TEST V: THE AUXILIARY PANEL/FLOOR CONTROL IS INOPERATIVE USING THE FRONT AUXILIARY CLIMATE CONTROLS

-------------------------------------------------
V1 CHECK THE FLOOR MODE OUTPUT


- Disconnect: Air Distribution Door Actuator C3004.
- Ignition ON.
- Place the front auxiliary blower motor switch in HI and set the front auxiliary climate control assembly to FLOOR.
- Measure the voltage between air distribution door actuator C3004-8, circuit CHA11 (WH/OG), harness side and C3004-7, circuit CHA12 (GN/BU), harness side.




- Is the voltage greater than 10 volts?

Yes
GO to V2.

No
GO to V3.

-------------------------------------------------
V2 CHECK THE PANEL MODE OUTPUT


- Set the front auxiliary climate control assembly to PANEL.
- Measure the voltage between air distribution door actuator C3004-7, circuit CHA12 (GN/BU), harness side and C3004-8, circuit CHA11 (WH/OG), harness side.




- Is the voltage greater than 10 volts?

Yes
CHECK for a broken/binding auxiliary mode door. If OK, INSTALL a new air distribution door actuator. TEST the system for normal operation.

No
GO to V3.

-------------------------------------------------
V3 CHECK THE AIR DISTRIBUTION DOOR CIRCUITS FOR AN OPEN


- Ignition OFF.
- Disconnect: Front Auxiliary Climate Control Assembly C951B.
- Measure the resistance between the front auxiliary climate control assembly, harness side and air distribution door actuator, harness side using the following chart.









- Are the resistances less than 5 ohms?

Yes
GO to V4.

No
REPAIR the affected circuit for an open. TEST the system for normal operation.

-------------------------------------------------
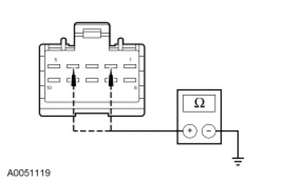
V4 CHECK CIRCUITS CHA11 (WH/OG) AND CHA12 (GN/BU) FOR A SHORT TO GROUND


- Measure the resistance between ground and front auxiliary climate control assembly:
- C951B-2, circuit CHA11 (WH/OG), harness side.
- C951B-4, circuit CHA12 (GN/BU), harness side.




- Are the resistances greater than 10,000 ohms?

Yes
GO to V5.

No
REPAIR the affected circuit for a short to ground. TEST the system for normal operation.

-------------------------------------------------
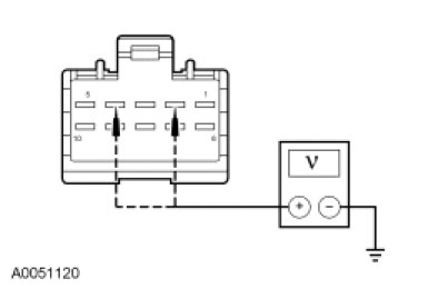
V5 CHECK CIRCUITS CHA11 (WH/OG) AND CHA12 (GN/BU) FOR A SHORT TO VOLTAGE


- Ignition ON.
- Measure the voltage between ground and front auxiliary climate control assembly:
- C951B-2, circuit CHA11 (WH/OG), harness side.
- C951B-4, circuit CHA12 (GN/BU), harness side.




- Are any voltages present?

Yes
REPAIR the affected circuit for a short to voltage. TEST the system for normal operation.

No
GO to V6.

-------------------------------------------------
V6 CHECK CIRCUITS CHA12 (GN/BU) AND CHA11 (WH/OG) FOR A SHORT TOGETHER


- Ignition OFF.
- Measure the resistance between front auxiliary climate control assembly C3004-8, circuit CHA12 (GN/BU), harness side and C3004-7, circuit CHA11 (WH/OG), harness side.




- Is the resistance greater than 10,000 ohms?

Yes
INSTALL a new front auxiliary climate control assembly. TEST the system for normal operation.

No
REPAIR circuits CHA12 (GN/BU) and CHA11 (WH/OG) for a short together. TEST the system for normal operation.

-------------------------------------------------