Operation CHARM: Car repair manuals for everyone.
Manuals through 2025 now available!

Our trusted friends have launched a new website named LEMON, which has newer manuals. It also contains all the CHARM manuals.

LEMON is the spiritual successor to CHARM, I recommend you try it!

Link: lemon-manuals.la or lemon-manuals.org.ua

(Some people have issue connecting. LEMON is investigating. For now, use Firefox or change your DNS server)

Or, hide this message: temporarily or permanently

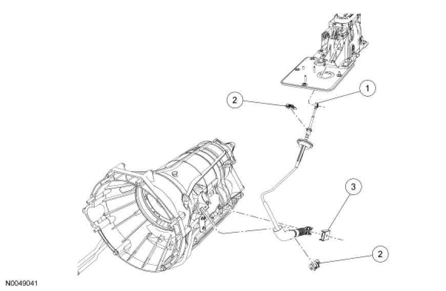
Shift Cable: Service and Repair




Selector Lever Cable

Vehicles Equipped With a 6R80 Transmission









Vehicles Equipped With a 5R55S Transmission









Removal

All vehicles

1. With the vehicle in NEUTRAL, position it on a hoist. For additional information, refer to Vehicle Jacking and Lifting.

2. Remove the front floor console left side panel.





3. With the selector lever in PARK, remove the selector lever cable from the selector lever.





4. Remove the selector lever cable from the selector lever housing.





5. Pull the selector lever cable and grommet through the floorpan.





Vehicles equipped with a 6R80 transmission

6. Remove the selector lever cable shield by prying on the selector lever shield closest to the boot, then sliding the shield away from the boot.





7. NOTICE: To prevent selector lever cable damage, do not apply force to the selector lever cable between the manual control lever and the selector lever cable bracket.

Unlock the lock tab and disconnect the selector lever cable end from the manual control lever.

1. Lock tab.

2. Selector lever cable end.

3. Manual control lever.





8. Disconnect the selector lever cable from the selector lever cable bracket and remove the selector lever cable.





Vehicles equipped with a 5R55S transmission

9. Remove the selector lever cable shield by prying on the side of the selector lever cable shield closest to the boot, then sliding the shield away from the boot.





10. NOTICE: To prevent selector lever cable damage, do not apply force to the selector lever cable between the manual control lever and the selector lever cable bracket.

Unlock the lock tab and disconnect the selector lever cable end from the manual control lever.





11. Disconnect the selector lever cable from the bracket and remove the selector lever cable.





Installation

Vehicles equipped with a 6R80 transmission

1. NOTICE: To prevent selector lever cable damage, do not apply force to the selector lever cable between the manual control lever and the selector lever cable bracket.

NOTE: When installing the selector lever cable end, make sure that the selector lever cable end is correctly installed onto the manual control lever. Pull back on the selector lever cable end to make sure that the selector lever cable end is correctly installed onto the manual control lever.

Install the selector lever cable into the selector lever cable bracket.





2. NOTICE: To prevent selector lever cable damage, do not apply force to the selector lever cable between the manual control lever and the selector lever cable bracket.

NOTE: When installing the selector lever cable end, make sure that the selector lever cable end is correctly installed onto the manual control lever. Pull back on the selector lever cable end to make sure that the selector lever cable end is correctly installed onto the manual control lever.

Install the selector lever cable end onto the manual control lever and lock the tab.

1. Selector lever cable end.

2. Lock tab.





3. NOTE: If the selector lever cable shield is loose on the selector lever cable, install a new selector lever cable shield.

Install and secure the selector lever cable shield.





Vehicles equipped with a 5R55S transmission

4. NOTICE: To prevent selector lever cable damage, do not apply force to the selector lever cable between the manual control lever and the selector lever cable bracket.

NOTE: When installing the selector lever cable end, make sure that the selector lever cable end is correctly installed onto the manual control lever. Pull back on the selector lever cable end to make sure that the selector lever cable end is correctly installed onto the manual control lever.

Install the selector lever cable into the selector lever cable bracket.





5. NOTICE: To prevent selector lever cable damage, do not apply force to the selector lever cable between the manual control lever and the selector lever cable bracket.

NOTE: When installing the selector lever cable end, make sure that the selector lever cable end is correctly installed onto the manual control lever. Pull back on the selector lever cable end to make sure that the selector lever cable end is correctly installed onto the manual control lever.

Install the selector lever cable end onto the manual control lever and lock the tab.

1. Selector lever cable end.

2. Lock tab.





6. NOTE: If the selector lever cable shield is loose on the selector lever cable, install a new selector lever cable shield.

Install and secure the selector lever cable shield.





All vehicles

7. Push the selector lever cable and grommet through the floorpan.





8. Install the selector lever cable onto the selector lever housing.





9. Install the selector lever cable onto the selector lever.





10. Install the front floor console left side panel.





11. Verify the engine will start in PARK and NEUTRAL and the reversing lamps illuminate in REVERSE. If not, readjust the selector lever cable. For additional information, refer to Selector Lever Cable Adjustment - 5R55S Selector Lever Cable Adjustment - 5R55S or Selector Lever Cable Adjustment - 6R80 Selector Lever Cable Adjustment - 6R80.