Operation CHARM: Car repair manuals for everyone.
Manuals through 2025 now available!

Our trusted friends have launched a new website named LEMON, which has newer manuals. It also contains all the CHARM manuals.

LEMON is the spiritual successor to CHARM, I recommend you try it!

Link: lemon-manuals.la or lemon-manuals.org.ua

(Some people have issue connecting. LEMON is investigating. For now, use Firefox or change your DNS server)

Or, hide this message: temporarily or permanently

Pinpoint Test C: TR Sensor




Pinpoint Tests - OSC Equipped Vehicle

Pinpoint Tests

PINPOINT TEST C: TR SENSOR

NOTE: Refer to the Transmission Range (TR) Sensor Connector illustration within the Transmission Connector Layouts Transmission Connector Layouts procedure.

NOTE: Refer to Transmission Range (TR) Sensor Diagnosis Chart within the Transmission Connector Layouts Transmission Connector Layouts procedure.

NOTE: Read and record all DTCs.

-------------------------------------------------
C1 VERIFY DTCs


- Select PARK.
- Ignition OFF.
- Check to make sure the transmission vehicle harness C167 is fully seated, the terminals are fully engaged in the connector and are in good condition before proceeding.
- Connect the scan tool.
- Ignition ON.
- NOTE: DTCs P0705 and P0708 cannot be set by an incorrectly adjusted TR sensor.
- Retrieve DTCs.
- Are only DTCs P0705 and P0708 present?

Yes
GO to C4.

No
GO to C2.

-------------------------------------------------
C2 VERIFY TR SENSOR ALIGNMENT


- Select PARK.
- Ignition OFF.
- Check to make sure the TR sensor C167 is fully seated, the terminals are fully engaged in the connector and are in good condition before proceeding.
- Apply the park brake.
- Select NEUTRAL.
- Disconnect the selector lever cable from the manual control lever.
- Verify that the TR Sensor Alignment Gauge fits in the appropriate slots.
- Is the TR sensor correctly adjusted?

Yes
GO to C3.

No
ADJUST the TR sensor. REFER to Transmission Range (TR) Sensor Adjustment 5R55S. PLACE selector lever in PARK. CLEAR the DTCs. TEST the system for normal operation. GO to C3.

-------------------------------------------------
C3 VERIFY SELECTOR LEVER CABLE ADJUSTMENT


- Place the manual control lever in the (D) position.
- Re-connect the selector lever cable.
- Verify that the selector lever cable is adjusted OK. Refer to Automatic Transmission/Transaxle.
- Is the selector lever cable adjusted OK?

Yes
GO to C4.

No
ADJUST the selector lever cable. REFER to Automatic Transmission/Transaxle.

-------------------------------------------------
C4 CHECK ELECTRICAL SIGNAL OPERATION


- Select PARK.
- Disconnect: TR Sensor C167.
- NOTICE: Do not pry on connector. This will damage the connector and result in a transmission concern.
- Inspect C167 for damaged or pushed-out terminals, corrosion, loose wires and missing or damaged seals.
- Is there damage to the connector, terminals or harness?

Yes
REPAIR as necessary. CLEAR the DTCs. TEST the system for normal operation.

No
If diagnosing a DTC, GO to C5.

If diagnosing a starting concern, GO to C10.

-------------------------------------------------
C5 CHECK ELECTRICAL SYSTEM OPERATION


- Ignition OFF.
- Connect: TR Sensor C167.
- Connect the scan tool.
- Ignition ON.
- Enter the following diagnostic mode on the scan tool: TR PIDS: TR_D, TR_V.
- Move the selector lever into each gear and stop.
- Observe the PIDs, TR_D and TR_V while wiggling the harness, tapping on sensor or driving the vehicle. Use PIDs TR_D for DTCs P0705, P1704 and P1705. Use PIDs TR_V for DTC P0708.
- Compare the PIDs to the Transmission Range (TR) Sensor Diagnosis Chart.
- Do the PIDs TR_D and TR_V match the Transmission Range (TR) Sensor Diagnosis Chart and does the TR_D PID remain steady when the harness is wiggled, the sensor is tapped ON or the vehicle driven?

Yes
The problem is not in the TR sensor system. REFER to Diagnosis By Symptom Diagnosis By Symptom for further diagnosis.

No
If TR_D changes when wiggling the harness, tapping on the sensor or driving the vehicle, the problem may be intermittent. GO to C6.

-------------------------------------------------
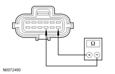
C6 CHECK TR SENSOR OPERATION


- Ignition OFF.
- Disconnect: TR Sensor C167.
- NOTICE: Do not pry on connector. This will damage the connector and result in a transmission concern.
- Using the Transmission Range (TR) Sensor Diagnosis Chart, measure the resistance of the TR sensor with the selector lever in each range position using the following chart. Compare the measurements to the Transmission Range (TR) Sensor Diagnosis Chart.

TR Sensor





- Do the measurements match the Transmission Range (TR) Sensor Diagnosis Chart?

Yes
Concern is not in the TR sensor, GO to C7.

No
INSTALL a new TR sensor. CLEAR the DTCs. TEST the system for normal operation.

-------------------------------------------------
C7 CHECK TRANSMISSION VEHICLE HARNESS CIRCUITS FOR OPENS


- Ignition OFF.
- Disconnect: PCM C175T.
- Measure the resistance between TR C167 and PCM C175T, harness side using the following chart.





- Are the resistances less than 5 ohms?

Yes
GO to C8.

No
REPAIR the vehicle transmission harness circuit which is open. CLEAR the DTCs. TEST the system for normal operation

-------------------------------------------------
C8 CHECK TRANSMISSION VEHICLE HARNESS CIRCUITS FOR SHORT TO GROUND


- Measure the resistance between the TR C167, harness side and ground using the following chart.





- Are the resistances greater than 10,000 ohms?

Yes
GO to C9.

No
REPAIR the vehicle transmission harness circuit shorted to ground. CLEAR the DTCs. TEST the system for normal operation.

-------------------------------------------------
C9 CHECK FOR SHORT BETWEEN TR AND PCM INPUT SIGNAL CIRCUITS


- Measure the resistance between the TR sensor C167 terminals, harness side using the following chart.





- Are the resistances greater than 10,000 ohms?

Yes
REPLACE the PCM. REFER to Computers and Control Systems. RECONNECT all components. CLEAR the DTCs. TEST the system for normal operation.

No
REPAIR circuits having less than 10,000 ohms between other TR/PCM input signal circuits that are shorted together. RECONNECT all components. CLEAR the DTCs. TEST the system for normal operation.

-------------------------------------------------
C10 CHECK TR SENSOR OPERATION


- Disconnect: TR Sensor C167.
- NOTICE: Do not pry on connector. This will damage the connector and result in a transmission concern.
- Measure the resistance between TR sensor C167-10 and C167-12, component side, with the selector lever in PARK and then NEUTRAL.




- Are the resistances less than 5 ohms?

Yes
Concern is not in the TR sensor. REFER to Starting System.

No
INSTALL a new TR sensor. CLEAR the DTCs. TEST the system for normal operation.

-------------------------------------------------