Operation CHARM: Car repair manuals for everyone.
Manuals through 2025 now available!

Our trusted friends have launched a new website named LEMON, which has newer manuals. It also contains all the CHARM manuals.

LEMON is the spiritual successor to CHARM, I recommend you try it!

Link: lemon-manuals.la or lemon-manuals.org.ua

(Some people have issue connecting. LEMON is investigating. For now, use Firefox or change your DNS server)

Or, hide this message: temporarily or permanently

Pinpoint Test F: The One-Touch Up/Down Feature Is Inoperative - LH Front




Glass, Frames and Mechanisms

Pinpoint Tests

Pinpoint Test F: The One-Touch Up/Down Feature is Inoperative - LH Front

Refer to Wiring Diagram Set 100, Power Windows for schematic and connector information. Diagrams By Number

NOTE: A new LH front power window motor will not operate in one-touch up mode until initialized. Refer to Window Motor Initialization - Front Window Motor Initialization - Front.

NOTE: The LH front power window motor must be de-initialized, then initialized whenever the front window motor is removed from the window regulator drum housing, a new window regulator is installed, a new window glass is installed, a new top run is installed or for any operation in which grease or lubricants are applied to the window regulator or glass run.

Normal Operation

Under normal operation, the LH front power window motor microprocessor receives voltage from the accessory delay relay through circuit CBP05 (YE). The LH window motor receives battery voltage at all times through circuit SBB37 (GY/RD) and ground through circuit GD133 (BK). The LH front window control switch provides a voltage input to the power window motor microprocessor through circuit CPW11 (BU/GY) to operate the window upward, and voltage input through circuit CPW10 (YE/VT) to operate the driver window upward. When the LH front window control switch is operated to the second detent position (up/down) a ground signal is supplied to the LH front window motor through circuit CPW29 (VT/GY) to enter one-touch up/down mode.

This pinpoint test is intended to diagnose the following:
- LH front motor not initialized
- Wiring, terminals or connectors
- LH front window control switch
- LH front window motor



PINPOINT TEST F: THE ONE-TOUCH UP/DOWN FEATURE IS INOPERATIVE - LH FRONT

-------------------------------------------------
F1 DE-INITIALIZE, THEN INITIALIZE THE LH FRONT MOTOR


- De-initialize the LH front window motor, then carry out the front window motor initialization procedure. Refer to Window Motor Initialization - Front Window Motor Initialization - Front.
- Is the one-touch down feature operating correctly?

Yes
The system is operating normally at this time. The front window motor lost initialization.

No
GO to F2.

-------------------------------------------------
F2 CHECK THE LH FRONT WINDOW CONTROL SWITCH


- Ignition OFF.
- Disconnect: LH Front Window Control Switch C504A and C504B.
- Carry out the LH front window control switch component test.

- Did the LH front window control switch pass the component test?

Yes
GO to F3.

No
INSTALL a new LH front window control switch. REFER to Window Control Switch Service and Repair. TEST the system for normal operation.

-------------------------------------------------
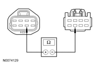
F3 CHECK CIRCUIT CPW29 (VT/GY) FOR AN OPEN


- Disconnect: LH Front Window Motor C540.
- Measure the resistance between LH front window motor C540-6, circuit CPW29 (VT/GY), harness side and LH front window control switch C504A-7, circuit CPW29 (VT/GY), harness side.




- Is the resistance less than 5 ohms?

Yes
INSTALL a new LH front window motor. REFER to Window Regulator Motor - Front Door Window Regulator Motor - Front Door. TEST the system for normal operation.

No
REPAIR the circuit. DE-INITIALIZE, then INITIALIZE the LH front window motor. REFER to Window Motor Initialization - Front Window Motor Initialization - Front. TEST the system for normal operation.

-------------------------------------------------