Operation CHARM: Car repair manuals for everyone.
Manuals through 2025 now available!

Our trusted friends have launched a new website named LEMON, which has newer manuals. It also contains all the CHARM manuals.

LEMON is the spiritual successor to CHARM, I recommend you try it!

Link: lemon-manuals.la or lemon-manuals.org.ua

(Some people have issue connecting. LEMON is investigating. For now, use Firefox or change your DNS server)

Or, hide this message: temporarily or permanently

Pinpoint Test J: The Delayed Accessory Relay Does Not Turn Off




Glass, Frames and Mechanisms

Pinpoint Tests

Pinpoint Test J: The Delayed Accessory Relay Does Not Turn Off

Refer to Wiring Diagram Set 100, Power Windows for schematic and connector information. Diagrams By Number

Normal Operation

The accessory delay relay is located in the Smart Junction Box (SJB), and the relay coil receives battery voltage through circuit SBB01 (RD) at all times. When the ignition key is turned to the ON position, the SJB activates the accessory delay relay by grounding the relay coil. When the accessory delay relay is active, voltage is provided to the LH front window control switch through circuit CBP80 (YE/GN). When the ignition key is turned to the OFF position, the SJB continues to ground the accessory delay relay coil for approximately 10 minutes, or until a door is opened.

- DTC B1304 (Accessory Delay Relay Coil Circuit Short To Battery) - Short to battery detected in the relay control circuit.

This pinpoint test is intended to diagnose the following:
- Accessory delay relay
- Wiring, terminals or connectors
- SJB



PINPOINT TEST J: THE DELAYED ACCESSORY RELAY DOES NOT TURN OFF

-------------------------------------------------
J1 CHECK FOR STUCK/STICKING ACCESSORY DELAY RELAY


- Disconnect: Accessory Delay Relay.
- Ignition ON.
- Attempt to operate the power windows.
- Do the power windows still operate?

Yes
GO to J3.

No
GO to J2.

-------------------------------------------------
J2 CHECK THE ACCESSORY DELAY RELAY


- Ignition OFF.
- Carry out the accessory delay relay component test.

- Did the accessory delay relay pass the component test?

Yes
GO to J4.

No
INSTALL a new accessory delay relay. CLEAR the DTCs. TEST the system for normal operation.

-------------------------------------------------
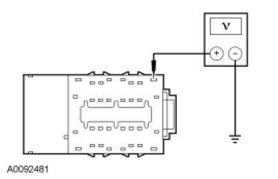
J3 CHECK CIRCUIT CBP80 (YE/GN) FOR A SHORT TO POWER


- Disconnect: SJB C2280A.
- Ignition ON.
- Measure the voltage between SJB C2280A-29, circuit CBP80 (YE/GN), harness side and ground.




- Is any voltage present?

Yes
REPAIR the circuit. CLEAR the DTCs. TEST the system for normal operation.

No
GO to J4.

-------------------------------------------------
J4 CHECK FOR CORRECT SJB OPERATION


- Disconnect all SJB connectors.
- Check for:
- corrosion.
- pushed-out pins.
- Connect all SJB connectors and verify the concern is still present.
- Is the concern still present?

Yes
INSTALL a new SJB. REFER to Body Control Systems for removal and installation procedures. TEST the system for normal operation.

No
The system is operating correctly at this time. Concern may have been caused by a loose or corroded connector. CLEAR the DTCs. REPEAT the self-test. TEST the system for normal operation.

-------------------------------------------------