Operation CHARM: Car repair manuals for everyone.
Manuals through 2025 now available!

Our trusted friends have launched a new website named LEMON, which has newer manuals. It also contains all the CHARM manuals.

LEMON is the spiritual successor to CHARM, I recommend you try it!

Link: lemon-manuals.la or lemon-manuals.org.ua

(Some people have issue connecting. LEMON is investigating. For now, use Firefox or change your DNS server)

Or, hide this message: temporarily or permanently

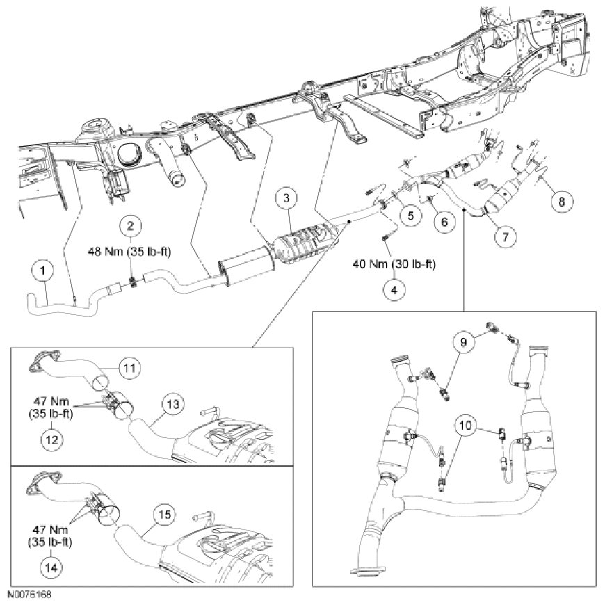
Exhaust System




Exhaust System - Exploded View



4.0L Explorer Sport Trac

NOTE: Vehicle body removed for clarity.













4.6L Explorer Sport Trac

NOTE: Vehicle body removed for clarity.











4.0L Explorer/Mountaineer

NOTE: Vehicle body removed for clarity.

NOTE: Premier exhaust shown, standard exhaust similar.











4.6L Explorer/Mountaineer

NOTE: Vehicle body removed for clarity.

NOTE: Premier exhaust shown, standard exhaust similar.