Operation CHARM: Car repair manuals for everyone.
Manuals through 2025 now available!

Our trusted friends have launched a new website named LEMON, which has newer manuals. It also contains all the CHARM manuals.

LEMON is the spiritual successor to CHARM, I recommend you try it!

Link: lemon-manuals.la or lemon-manuals.org.ua

(Some people have issue connecting. LEMON is investigating. For now, use Firefox or change your DNS server)

Or, hide this message: temporarily or permanently

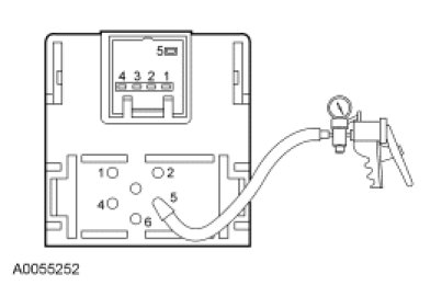
Function Selector Vacuum Switch




Climate Control System

Component Tests

Function Selector Vacuum Switch





Connect a vacuum pump to the function selector switch vacuum supply port and try to pull a vacuum in each function selector switch positions. Follow the chart below, to determine which positions should and should not hold vacuum. If the vacuum pump can pull and hold a vacuum when the chart indicates no vacuum (NV), the switch is plugged. If the vacuum pump does not pull and hold a vacuum when the chart indicates vacuum (V), the switch leaks.



Vacuum Application Chart





V = Vacuum

NV = No Vacuum