Operation CHARM: Car repair manuals for everyone.
Manuals through 2025 now available!

Our trusted friends have launched a new website named LEMON, which has newer manuals. It also contains all the CHARM manuals.

LEMON is the spiritual successor to CHARM, I recommend you try it!

Link: lemon-manuals.la or lemon-manuals.org.ua

(Some people have issue connecting. LEMON is investigating. For now, use Firefox or change your DNS server)

Or, hide this message: temporarily or permanently

Pinpoint Test A: The Engine Does Not Crank/The Relay Does/Does Not Click




Starting System

Pinpoint Tests

Pinpoint Test A: The Engine Does Not Crank/The Relay Does/Does Not Click

Refer to Wiring Diagram Set 20, Starting System for schematic and connector information. Diagrams By Number

Under normal operation, constant power is supplied to the starter motor relay from Battery Junction Box (BJB) fuse 11 (30A). When the ignition switch is turned in the START position and held, power flows to the start diode through circuit CDC35 (BU/WH). Power then flows to the digital Transmission Range (TR) sensor (4.0L SOHC engines only) and to the starter motor relay through circuit CDC38 (WH/VT). On vehicles equipped with a 4.6L 3V engine, the PCM will receive a voltage signal from the transmission when the vehicle is in Park or Neutral through circuit CET40 (GN/OG). A ground is supplied through circuit CDC12 (YE) from the PCM, causing the starter motor relay coil to energize and the relay contacts to close. This allows power to be supplied from the starter motor relay contacts which then flows through circuit CDC25 (BN/GN) to the starter solenoid. The solenoid is grounded at the starter motor. Energizing the starter solenoid engages the starter drive into the ring gear and closes the solenoid contacts, allowing power directly from the battery through circuit SDC02 (RD) to the starter motor to start the engine.

This pinpoint test is intended to diagnose the following:
- Battery
- Starter motor
- Passive Anti-Theft System (PATS)
- Starter relay
- Ignition switch
- Digital TR sensor (4.0L SOHC only)
- Circuitry
- PCM
- Start diode
- Park/Neutral switch signal (integral to the mechatronics unit - 4.6L 3V only)



PINPOINT TEST A: THE ENGINE DOES NOT CRANK/THE RELAY DOES/DOES NOT CLICK

-------------------------------------------------
A1 CHECK THE BATTERY


- Check the battery condition and charge. Refer to Charging System.
- Is the battery OK?

Yes
GO to A2.

No
CHARGE or INSTALL a new battery as required. TEST the system for normal operation.

-------------------------------------------------
A2 CHECK THE PCM FOR DTCs


- Check for PCM DTCs.
- Were any PCM DTCs retrieved?

Yes
If PCM DTC P1260 is retrieved, REFER to Antitheft and Alarm Systems. All other PCM DTCs, REFER to Computers and Control Systems Information.

No
GO to A3.

-------------------------------------------------
A3 CHECK THE BATTERY GROUND CABLE


- Measure the voltage between the positive battery post and the battery ground cable connection at the cylinder block.




- Is the voltage reading greater than 10 volts?

Yes
GO to A4.

No
INSTALL a new battery ground cable. TEST the system for normal operation.

-------------------------------------------------
A4 CHECK THE STARTER MOTOR GROUND


- Measure the voltage between the positive battery post and the starter motor case.




- Is the voltage reading greater than 10 volts?

Yes
GO to A5.

No
CLEAN the starter motor mounting flange and make sure the starter motor is correctly mounted. TEST the system for normal operation.

-------------------------------------------------
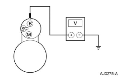
A5 CHECK THE POWER SUPPLY TO THE STARTER MOTOR


- Ignition OFF.
- Measure the voltage at the starter motor B-terminal.




- Is the voltage reading greater than 10 volts?

Yes
GO to A6.

No
CLEAN, TIGHTEN or INSTALL a new positive battery cable. TEST the system for normal operation.

-------------------------------------------------
A6 CHECK THE STARTER MOTOR


- Connect one end of a fused jumper wire to the B-terminal of the starter motor and momentarily connect the other end to the starter solenoid S-terminal.




- Does the starter motor engage and the engine crank?

Yes
GO to A7.

No
INSTALL a new starter motor. REFER to Starter Motor - 4.0L SOHC Service and Repair or Starter Motor - 4.6L (3V) Service and Repair. TEST the system for normal operation.

-------------------------------------------------
A7 CHECK THE START INPUT TO THE STARTER MOTOR


- Disconnect: Starter S-Connector.
- Measure the voltage at the starter motor solenoid S-connector with the key in the START position.
- Is the voltage reading greater than 10 volts?

Yes
CLEAN the starter solenoid S-terminal and connector. CHECK the wiring and the starter motor for a loose or intermittent connection. TEST the system for normal operation.

No
GO to A8.

-------------------------------------------------
A8 CHECK THE START INPUT TO THE STARTER RELAY


- Disconnect: Starter Relay.
- Measure the voltage at starter relay pin 1, circuit CDC38 (WH/VT) with the key in the START position.




- Is the voltage reading greater than 10 volts?

Yes
GO to A9.

No
If the vehicle is equipped with a 4.0L SOHC engine, GO to A14. If the vehicle is equipped with a 4.6L (3V) engine, GO to A24.

-------------------------------------------------
A9 CHECK THE BATTERY SUPPLY TO THE STARTER RELAY


- Ignition OFF.
- Measure the voltage at starter relay pin 3, circuit SBB11 (BU/RD).




- Is the voltage reading greater than 10 volts?

Yes
GO to A10.

No
REPAIR circuit SBB11 (BU/RD) for an open. TEST the system for normal operation.

-------------------------------------------------
A10 CHECK CIRCUIT CDC25 (BN/GN) FOR A SHORT TO GROUND


- Disconnect: Starter S-Connector.
- Measure the resistance between starter relay pin 5, circuit CDC25 (BN/GN) and ground.




- Is the resistance reading less than 10,000 ohms?

Yes
REPAIR circuit CDC25 (BN/GN) for a short to ground. TEST the system for normal operation.

No
GO to A11.

-------------------------------------------------
A11 CHECK CIRCUIT CDC25 (BN/GN) FOR AN OPEN


- Measure the resistance of circuit CDC25 (BN/GN) between starter relay pin 5 and the starter S-connector.




- Is the resistance reading less than 5 ohms?

Yes
GO to A12.

No
REPAIR circuit CDC25 (BN/GN) for an open. TEST the system for normal operation.

-------------------------------------------------
A12 CHECK CIRCUIT CDC12 (YE) FOR AN OPEN


- Disconnect: PCM C175B.
- Measure the resistance between starter relay pin 2, circuit CDC12 (YE) and PCM C175B pin 2, circuit CDC12 (YE).




- Is the resistance less than 5 ohms?

Yes
GO to A13.

No
REPAIR circuit CDC12 (YE) for an open. TEST the system for normal operation.

-------------------------------------------------
A13 CHECK THE STARTER RELAY


- Carry out the Starter Mini ISO Relay Component Test.

- Is the starter relay good?

Yes
DIAGNOSE the PCM. REFER to Computers and Control Systems Information.

No
INSTALL a new starter relay. TEST the system for normal operation.

-------------------------------------------------
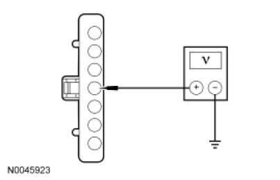
A14 CHECK THE START INPUT TO THE DIGITAL TR SENSOR - 4.0L SOHC


- Disconnect: TR Sensor C167.
- Measure the voltage at the digital TR sensor C167-10, circuit CDC38 (WH/VT) with the key in the START position.




- Is the voltage reading greater than 10 volts?

Yes
GO to A15.

No
GO to A18.

-------------------------------------------------
A15 CHECK CIRCUIT CDC38 (WH/VT) FOR A SHORT TO GROUND - 4.0L SOHC


- Measure the resistance between digital TR sensor C167-12, circuit CDC38 (WH/VT) and ground.




- Is the resistance reading less than 10,000 ohms?

Yes
REPAIR circuit CDC38 (WH/VT) for a short to ground. TEST the system for normal operation.

No
GO to A16.

-------------------------------------------------
A16 CHECK CIRCUIT CDC38 (WH/VT) FOR AN OPEN - 4.0L SOHC


- Measure the resistance between starter relay pin 1, circuit CDC38 (WH/VT) and digital TR sensor C167-12, circuit CDC38 (WH/VT).




- Is the resistance less than 5 ohms?

Yes
GO to A17.

No
REPAIR circuit CDC38 (WH/VT) for an open. TEST the system for normal operation.

-------------------------------------------------
A17 CHECK DIGITAL TR SENSOR ADJUSTMENT - 4.0L SOHC


- Carry out the digital TR sensor adjustment. Refer to Automatic Transmission/Transaxle &/or Transmission Control Systems.
- Is the digital TR sensor adjusted correctly?

Yes
INSTALL a new digital TR sensor. TEST the system for normal operation.

No
ADJUST the digital TR sensor as necessary. TEST the system for normal operation.

-------------------------------------------------
A18 CHECK FOR BATTERY POWER AT THE START DIODE - 4.0L SOHC


- Disconnect: Start Diode.
- Measure the voltage at the input side of the start diode circuit CDC35 (BU/WH).




- Is the voltage reading greater than 10 volts?

Yes
GO to A19.

No
GO to A21.

-------------------------------------------------
A19 CHECK CIRCUIT CDC38 (WH/VT) FOR AN OPEN - 4.0L SOHC


- Measure the resistance between start diode output side, circuit CDC38 and digital TR sensor C167-10, circuit CDC38 (WH/VT).
- Is the resistance less than 5 ohms?

Yes
GO to A20.

No
REPAIR circuit CDC38 (WH/VT). TEST the system for normal operation.

-------------------------------------------------
A20 CHECK CIRCUIT CDC38 FOR A SHORT TO GROUND - 4.0L SOHC


- Measure the resistance between digital TR sensor C167-10, circuit CDC38 (WH/VT) and ground.




- Is the resistance greater than 10,000 ohms?

Yes
INSTALL a new start diode. TEST the system for normal operation.

No
REPAIR circuit CDC38 (WH/VT) for a short to ground. TEST the system for normal operation.

-------------------------------------------------
A21 CHECK FOR BATTERY POWER AT THE IGNITION SWITCH - 4.0L SOHC


- Disconnect: Ignition Switch C250.
- Measure the voltage at ignition switch C250 pin 4, circuit SBP08 (VT/RD).




- Is the voltage reading greater than 10 volts?

Yes
GO to A22.

No
REPAIR circuit SBP08 (VT/RD). TEST the system for normal operation.

-------------------------------------------------
A22 CHECK CIRCUIT CDC35 (BU/WH) FOR AN OPEN - 4.0L SOHC


- Check the resistance between ignition switch C250 pin 7, circuit CDC35 (BU/WH) and start diode input side, circuit CDC35 (BU/WH).




- Is the resistance reading less than 5 ohms?

Yes
GO to A23.

No
REPAIR circuit CDC35 (BU/WH) for an open. TEST the system for normal operation.

-------------------------------------------------
A23 CHECK CIRCUIT CDC35 (BU/WH) FOR A SHORT TO GROUND - 4.0L SOHC


- Measure the resistance between ignition switch C250 pin 7, circuit CDC35 (BU/WH) and ground.




- Is the resistance reading greater than 10,000 ohms?

Yes
INSTALL a new ignition switch. TEST the system for normal operation

No
REPAIR circuit CDC35 (BU/WH) for a short to ground. TEST the system for normal operation.

-------------------------------------------------
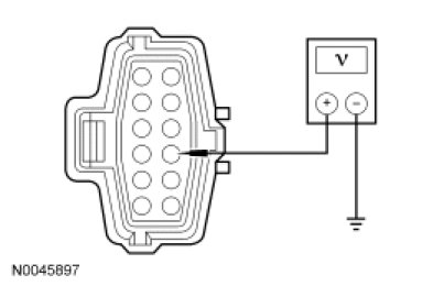
A24 CHECK FOR VOLTAGE ON CIRCUIT CET40 (GN/OG) AT PCM CONNECTOR - 4.6L (3V)


NOTICE: Use the correct probe adapter(s) when making measurements. Failure to use the correct probe adapter(s) may damage the connector.

- Ignition OFF.
- Disconnect: PCM C175T.
- Ignition ON.
- Measure the voltage between PCM C175T-19, circuit CET40 (GN/OG), harness side and ground while moving the selector lever from PARK to NEUTRAL.




- Is the voltage greater than 10 volts with the selector lever in PARK and NEUTRAL?

Yes
GO to A27.

No
GO to A25.

-------------------------------------------------
A25 CHECK CIRCUIT CET40 (GN/OG) FOR A SHORT TO GROUND - 4.6L (3V)


NOTICE: Use the correct probe adapter(s) when making measurements. Failure to use the correct probe adapter(s) may damage the connector.

- Measure the resistance between C175B-30, circuit CET40 (GN/OG), harness side and ground.




- Is the resistance greater than 10,000 ohms?

Yes
GO to A26.

No
REPAIR circuit CET40 (GN/OG). TEST the system for normal operation.

-------------------------------------------------
A26 CHECK CIRCUIT CET40 (GN/OG) FOR AN OPEN - 4.6L (3V)


NOTICE: Use the correct probe adapter(s) when making measurements. Failure to use the correct probe adapter(s) may damage the connector.

- Ignition OFF.
- Disconnect: PCM C1575.
- Measure the resistance between PCM C175T-19, circuit CET40 (GN/OG), harness side and transmission C1575-10, circuit CET40 (GN/OG), harness side.




- Is the resistance less than 5 ohms?

Yes
Replace the transmission mechatronics unit. REFER to Automatic Transmission/Transaxle &/or Transmission Control Systems. TEST the system for normal operation.

No
REPAIR circuit CET40 (GN/OG). TEST the system for normal operation.

-------------------------------------------------
A27 CHECK FOR BATTERY POWER AT THE START DIODE - 4.6L (3V)


- Measure the voltage at the start diode input side, circuit CDC35 (BU/WH).




- Is the voltage 10 volts or greater?

Yes
GO to A28.

No
GO to A30.

-------------------------------------------------
A28 CHECK CIRCUIT CDC38 (WH/VT) FOR AN OPEN - 4.6L (3V)


- Measure the resistance between starter relay pin 1, circuit CDC38 (WH/VT) and start diode output side circuit CDC38 (WH/VT).




- Is the resistance less than 5 ohms?

Yes
GO to A29.

No
REPAIR circuit CDC38 (WH/VT) for an open. TEST the system for normal operation.

-------------------------------------------------
A29 CHECK CIRCUIT CDC38 (WH/VT) FOR A SHORT TO GROUND - 4.6L (3V)


- Measure the resistance between starter relay pin 1, circuit CDC38 (WH/VT) and ground.




- Is the resistance greater than 10,000 ohms?

Yes
INSTALL a new start diode. TEST the system for normal operation.

No
REPAIR circuit CDC38 (WH/VT) for a short to ground. TEST the system for normal operation.

-------------------------------------------------
A30 CHECK FOR BATTERY POWER AT THE IGNITION SWITCH - 4.6L (3V)


- Disconnect: Ignition Switch C250.
- Measure the voltage at ignition switch C250 pin 4, circuit SBP08 (VT/RD).




- Is the voltage reading greater than 10 volts?

Yes
GO to A31.

No
REPAIR circuit SBP08 (VT/RD). TEST the system for normal operation.

-------------------------------------------------
A31 CHECK CIRCUIT CDC35 (BU/WH) FOR AN OPEN - 4.6L (3V)


- Measure the resistance between ignition switch C250 pin 7, circuit CDC35 (BU/WH) and start diode input side, circuit CDC35 (BU/WH)




- Is the resistance less than 5 ohms?

Yes
GO to A32.

No
REPAIR circuit CDC35 (BU/WH) for an open. TEST the system for normal operation.

-------------------------------------------------
A32 CHECK CIRCUIT CDC35 (BU/WH) FOR A SHORT TO GROUND - 4.6L (3V)


- Measure the resistance between ignition switch C250 pin 7, circuit CDC35 (BU/WH) and ground.




- Is the resistance greater than 10,000 ohms?

Yes
INSTALL a new ignition switch. TEST the system for normal operation.

No
REPAIR circuit CDC35 (BU/WH) for a short to ground. TEST the system for normal operation.

-------------------------------------------------