Operation CHARM: Car repair manuals for everyone.
Manuals through 2025 now available!

Our trusted friends have launched a new website named LEMON, which has newer manuals. It also contains all the CHARM manuals.

LEMON is the spiritual successor to CHARM, I recommend you try it!

Link: lemon-manuals.la or lemon-manuals.org.ua

(Some people have issue connecting. LEMON is investigating. For now, use Firefox or change your DNS server)

Or, hide this message: temporarily or permanently

Timing Cover: Service and Repair




Engine Front Cover









Front End Accessory Drive (FEAD), Crankshaft Pulley and Crankshaft Front Seal









Coolant Pump Pulley, Power Steering Pump and Front Oil Pan Bolts









Engine Front Cover and Gaskets









Removal

1. With the vehicle in NEUTRAL, position it on a hoist. For additional information, refer to Vehicle Jacking and Lifting.

2. Remove the RH valve cover. For additional information, refer to Valve Cover - RH Valve Cover - RH.

3. Remove the LH valve cover. For additional information, refer to Valve Cover - LH Valve Cover - LH.

4. Remove the nut and the position the ground cable aside.





5. Remove the nut and the position the radio ignition interference capacitor aside.





6. Loosen the 4 coolant pump pulley bolts.

7. Rotate the tensioner clockwise and remove the accessory drive belt.





8. Remove the 4 bolts and the coolant pump pulley.

9. Drain the engine oil.

10. Remove the nut and position aside the transmission cooler tube support bracket and the starter wiring harness support bracket.





11. Remove the nut and position aside the Power Steering Pressure (PSP) hose support bracket.





12. Remove the crankshaft pulley bolt.
- Discard the crankshaft pulley bolt.

13. Using the 3 Jaw Puller, remove the crankshaft pulley.





14. Using the Crankshaft Front Oil Seal Remover, remove and discard the crankshaft front seal.





15. Remove the 2 bolts and the 2 accessory drive idler pulleys.

16. Remove the 3 bolts and the accessory drive belt tensioner.

17. Remove the 4 front oil pan bolts.

18. NOTICE: Do not install a power steering pump pulley that has been removed and installed twice or pulley failure and/or pump damage may occur. Inspect the pulley for paint marks in the web area near the hub. If there are 2 paint marks, discard the pulley and install a new one. If there is one paint mark or no paint marks, use a paint pencil to mark the web area of the pulley near the hub.

Using the Power Steering Pump Pulley Remover, remove the power steering pump pulley.





19. Remove the 3 bolts and position aside the power steering pump.

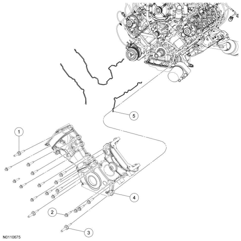
20. Remove the 17 bolts and the 3 studs.

21. Remove the engine front cover from the front cover-to-cylinder block dowel.
- Remove and discard the engine front cover gaskets.





22. NOTICE: Do not use metal scrapers, wire brushes, power abrasive discs or other abrasive means to clean the sealing surfaces. These tools cause scratches and gouges which make leak paths. Use a plastic scraping tool to remove all traces of old sealant.

Clean the mating surfaces with silicone gasket remover and metal surface prep. Follow the directions on the packaging.

- Inspect the mating surfaces.

Installation

1. NOTICE: Do not use metal scrapers, wire brushes, power abrasive discs or other abrasive means to clean the sealing surfaces. These tools cause scratches and gouges which make leak paths. Use a plastic scraping tool to remove all traces of old sealant.

NOTE: If the engine front cover is not secured within 5 minutes, the sealant must be removed and the sealing area cleaned. To clean the sealing area, use silicone gasket remover and metal surface prep. Allow to dry until there is no sign of wetness, or 5 minutes, whichever is longer. Follow the directions on the packaging. Failure to follow this procedure can cause future oil leakage.

NOTE: Make sure that the engine front cover gasket is in place on the engine front cover before installation.

Apply a bead of silicone gasket and sealant along the cylinder head-to-cylinder block surface and the oil pan-to-cylinder block surface, at the locations shown.





2. Install new engine front cover gaskets on the engine front cover. Position the engine front cover onto the dowels. Install the fasteners finger-tight.





3. Tighten the 20 engine front cover fasteners in the sequence shown in 2 stages.
Stage 1: Tighten all fasteners to 10 Nm (89 lb-in).
Stage 2: Tighten all fasteners to 20 Nm (177 lb-in).
Stage 3: Tighten all fasteners an additional 45 degrees.










4. Loosely install the 4 bolts, then tighten in 2 stages, in the sequence shown.
- Stage 1: Tighten to 10 Nm (89 lb-in).

- Stage 2: Tighten an additional 45 degrees.





5. Position the starter wiring harness support bracket and the transmission fluid cooler tube support bracket and tighten the nut.
- Tighten to 10 Nm (89 lb-in).





6. Lubricate the engine front cover and the crankshaft seal inner lip with clean engine oil.





7. Using the Crankshaft Vibration Damper Installer, Front Cover Oil Seal Installer and the Crankshaft Front Oil Seal Installer, install a new crankshaft front seal into the engine front cover.





8. NOTE: If not secured within 5 minutes, the sealant must be removed and the sealing area cleaned with metal surface prep and silicone gasket remover. Allow to dry until there is no sign of wetness, or 5 minutes, whichever is longer. Failure to follow this procedure can cause future oil leakage.

Apply silicone gasket and sealant to the Woodruff key slot in the crankshaft pulley.





9. Lubricate the crankshaft pulley sealing area with clean engine oil prior to installation.





10. Using the Crankshaft Vibration Damper Installer, install the crankshaft pulley.





11. Tighten the new crankshaft pulley bolt in 2 stages.
- Stage 1: Tighten to 175 Nm (129 lb-ft).

- Stage 2: Tighten an additional 90 degrees.

12. Install the accessory drive belt tensioner and the 3 bolts.
- Tighten to 25 Nm (18 lb-ft).

13. Install the 2 accessory drive idler pulleys and the 2 bolts.
- Tighten to 25 Nm (18 lb-ft).

14. Position the coolant pump pulley and install the 4 bolts finger-tight.

15. Position the power steering pump and install the 3 bolts.
- Tighten to 25 Nm (18 lb-ft).

16. Using the Power Steering Pump Pulley Installer, install the power steering pump pulley.





17. Position the PSP hose support bracket and install the nut.
- Tighten to 10 Nm (89 lb-in).





18. Rotate the tensioner clockwise and install the accessory drive belt.





19. Tighten the 4 coolant pump pulley bolts.
- Tighten to 25 Nm (18 lb-ft).

20. Position the radio ignition interference capacitor and install the nut.
- Tighten to 25 Nm (18 lb-ft).





21. Position the ground cable and install the nut.
- Tighten to 25 Nm (18 lb-ft).





22. Install the LH valve cover. For additional information, refer to Valve Cover - LH Valve Cover - LH.

23. Install the RH valve cover. For additional information, refer to Valve Cover - RH Valve Cover - RH.

24. Fill the crankcase with clean engine oil.