Operation CHARM: Car repair manuals for everyone.
Manuals through 2025 now available!

Our trusted friends have launched a new website named LEMON, which has newer manuals. It also contains all the CHARM manuals.

LEMON is the spiritual successor to CHARM, I recommend you try it!

Link: lemon-manuals.la or lemon-manuals.org.ua

(Some people have issue connecting. LEMON is investigating. For now, use Firefox or change your DNS server)

Or, hide this message: temporarily or permanently

Pinpoint Test C: DTC B1318




Driver Door Module (DDM)

Pinpoint Tests

Pinpoint Test C: DTC B1318

Refer to Wiring Diagram Set 123 (Fusion/Milan/MKZ, Fusion Hybrid/Milan Hybrid), Memory Seats for schematic and connector information. Diagrams By Number

Normal Operation

The Driver Door Module (DDM) monitors the voltage from the battery to determine if it goes above or below specific thresholds.

- DTC B1318 (Battery Voltage Low) - a continuous memory or on-demand DTC that sets when the DDM detects battery voltage below 10 volts on circuit SBP12.

This pinpoint test is intended to diagnose the following:

- Wiring, terminals or connectors
- High circuit resistance
- DDM



PINPOINT TEST C: DTC B1318

NOTICE: Use the correct probe adapter(s) when making measurements. Failure to use the correct probe adapter(s) may damage the connector.

NOTE: Failure to disconnect the battery when instructed will result in false resistance readings. Refer to Battery.

-------------------------------------------------
C1 RECHECK THE DDM DTCs


- Ignition ON.
- Enter the following diagnostic mode on the scan tool: DDM Self-Test.
- Clear the DTCs. Repeat the DDM self-test.
- Is DTC B1318 still present?

Yes
GO to C2.

No
The system is operating normally at this time. The DTC may have been set previously during battery charging or while jump starting the vehicle.

-------------------------------------------------
C2 CHECK FOR CHARGING SYSTEM DTCs IN THE PCM


- Enter the following diagnostic mode on the scan tool: PCM Self-Test.
- Retrieve the continuous memory DTCs from the PCM.
- Is DTC P0620, P0625, P0626 or P065B set in the PCM?

Yes
REFER to Charging System.

No
GO to C3.

-------------------------------------------------
C3 CHECK THE BATTERY CONDITION AND STATE OF CHARGE


- Ignition OFF.
- Check the battery condition and verify the battery is fully charged. Refer to Battery.
- Is the battery OK and fully charged?

Yes
GO to C4.

No
REFER to Charging System.

-------------------------------------------------
C4 CHECK THE DDM VOLTAGE SUPPLY


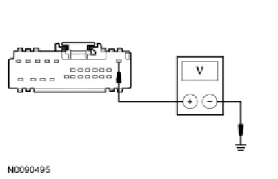
- Measure and record the voltage at the battery.
- Disconnect: DDM C568b.
- Ignition ON.
- Measure the voltage between the DDM C568b-1, circuit SBP12 (GN/RD), harness side and ground.




- Is the voltage within 0.2 volt of the recorded battery voltage?

Yes
GO to C5.

No
REPAIR the circuit for high resistance. CLEAR the DTCs. REPEAT the self-test.

-------------------------------------------------
C5 CHECK THE DDM GROUND CIRCUIT


- Ignition OFF.
- Disconnect: Negative Battery Cable.
- Measure the resistance between the DDM C568b-24, circuit GD126 (BK/WH), harness side and ground.




- Is the resistance less than 5 ohms?

Yes
GO to C6.

No
REPAIR the circuit for high resistance. TEST the system for normal operation.

-------------------------------------------------
C6 CHECK FOR CORRECT DDM OPERATION


- Connect: Negative Battery Cable.
- Disconnect the DDM connectors.
- Check for:
- corrosion
- damaged pins
- pushed-out pins
- Connect the DDM connectors and make sure they seat correctly.
- Operate the system and verify the concern is still present.
- Is the concern still present?

Yes
INSTALL a new DDM. REFER to Driver Door Module (DDM) Service and Repair. TEST the system for normal operation.

No
The system is operating correctly at this time. The concern may have been caused by a loose or corroded connector.

-------------------------------------------------