Operation CHARM: Car repair manuals for everyone.
Manuals through 2025 now available!

Our trusted friends have launched a new website named LEMON, which has newer manuals. It also contains all the CHARM manuals.

LEMON is the spiritual successor to CHARM, I recommend you try it!

Link: lemon-manuals.la or lemon-manuals.org.ua

(Some people have issue connecting. LEMON is investigating. For now, use Firefox or change your DNS server)

Or, hide this message: temporarily or permanently

Pinpoint Test AD: DTC B19A2




Seats

Pinpoint Tests

Pinpoint Test AD: DTC B19A2

Refer to Wiring Diagram Set 119 (Fusion/Milan/MKZ, Fusion Hybrid/Milan Hybrid), Climate Controlled Seats for schematic and connector information. Diagrams By Number

Normal Operation

The Dual Climate Controlled Seat Module (DCSM) supplies a speed control signal voltage to the passenger seat backrest Thermo-Electric Device (TED) on circuit VHS21 (BU/WH). The TED blower is supplied operating voltage from DCSM output circuit CHS08 (BN/YE) and ground from DCSM output circuit RHS08 (VT/WH).

- DTC B19A2 (Passenger Seat Back Blower Speed Short to Battery) - If the passenger seat backrest blower speed circuit is shorted to voltage, the DCSM will shut down the passenger seat system and set this DTC.

This pinpoint test is intended to diagnose the following:
- Wiring, terminals or connectors
- TED and blower assembly
- DCSM



PINPOINT TEST AD: DTC B19A2

NOTICE: When taking measurements at Dual Climate Controlled Seat Module (DCSM) harness connectors, do not insert the electrical probes into the female connector pins. Inserting the probes into connector pins can cause intermittent or open electrical connections after reassembly resulting in Diagnostic Trouble Codes (DTCs) and system failure. Touching the tip of these connector pins is recommended instead.

NOTE: The air bag warning indicator illuminates when the correct Restraints Control Module (RCM) fuse is removed and the ignition switch is ON.

NOTE: The Supplemental Restraint System (SRS) must be fully operational and free of faults before releasing the vehicle to the customer.

-------------------------------------------------
AD1 CHECK THE BACKREST TED BLOWER MOTOR SPEED CONTROL CIRCUIT FOR A SHORT TO VOLTAGE


- Ignition OFF.
- Depower the SRS. Refer to Supplemental Restraint System (SRS) Depowering and Repowering in the
General Procedures portion of Restraint Systems.
- Disconnect: Passenger Seat Side Air Bag C313 .
- Disconnect: DCSM C3305c .
- WARNING: Make sure no one is in the vehicle and there is nothing blocking or placed in front of any air bag module when the battery is connected. Failure to follow these instructions may result in serious personal injury in the event of an accidental deployment.
- Connect the battery ground cable. Refer to Battery.
- Ignition ON.
- Measure the voltage between C3305c-4, circuit VHS21 (BU/WH), harness side and ground.




- Is any voltage present?

Yes
GO to AD2.

No
GO to AD3.

-------------------------------------------------
AD2 CHECK THE BACKREST TED BLOWER MOTOR SPEED CONTROL CIRCUIT FOR A SHORT TO VOLTAGE


- Disconnect: Backrest TED C3311 .
- Measure the voltage between DCSM C3305c-4, circuit VHS21 (BU/WH), harness side and ground.




- Is any voltage present?

Yes
REPAIR the circuit. REPEAT the self-test. CLEAR the DTCs.

DISCONNECT the battery ground cable.

CONNECT passenger seat side air bag module C313.

REPOWER the SRS. REFER to Restraint Systems.

No
GO to AD3.

-------------------------------------------------
AD3 CHECK THE BACKREST TED BLOWER MOTOR SPEED CONTROL AND BLOWER MOTOR FEED CIRCUITS FOR A SHORT TOGETHER


- Ignition OFF.
- Disconnect: Backrest TED C3311 .
- Measure the resistance between DCSM C3305c-4, circuit VHS21 (BU/WH), harness side and C3305c-8, circuit CHS08 (BN/YE), harness side.




- Is the resistance greater than 10,000 ohms?

Yes
GO to AD4.

No
REPAIR the circuits. REPEAT the self-test. CLEAR the DTCs.

DISCONNECT the battery ground cable.

CONNECT passenger seat side air bag module C313.

REPOWER the SRS. REFER to Restraint Systems.

-------------------------------------------------
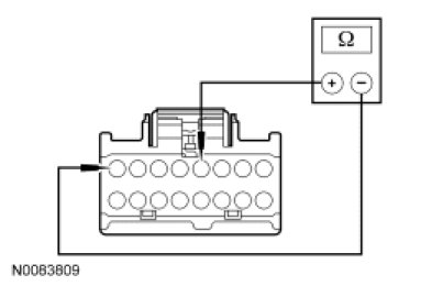
AD4 CHECK THE BACKREST TED RESISTANCE FOR AN INTERNAL SHORT


- Measure the resistance between backrest TED C3311 pin 2 and pin 7, component side.




- Is the resistance greater than 2,000,000 ohms?

Yes
INSTALL a new DCSM. REFER to Dual Climate Controlled Seat Module (DCSM) Dual Climate Controlled Seat Module (DCSM). REPEAT the self-test. CLEAR the DTCs.

DISCONNECT the battery ground cable.

CONNECT passenger seat side air bag module C313.

REPOWER the SRS. REFER to Restraint Systems.

No
INSTALL a new backrest TED. REFER to Seat Backrest Thermo-Electric Device Seat Backrest Thermo-Electric Device. REPEAT the self-test. CLEAR the DTCs.

DISCONNECT the battery ground cable. CONNECT passenger seat side air bag module C313.

REPOWER the SRS. REFER to Restraint Systems.

-------------------------------------------------