Operation CHARM: Car repair manuals for everyone.
Manuals through 2025 now available!

Our trusted friends have launched a new website named LEMON, which has newer manuals. It also contains all the CHARM manuals.

LEMON is the spiritual successor to CHARM, I recommend you try it!

Link: lemon-manuals.la or lemon-manuals.org.ua

(Some people have issue connecting. LEMON is investigating. For now, use Firefox or change your DNS server)

Or, hide this message: temporarily or permanently

Pinpoint Test C: The Instrument Panel Cluster (IPC) Does Not Respond To The Scan Tool




Communications Network

Pinpoint Tests

Pinpoint Test C: The Instrument Panel Cluster (IPC) Does Not Respond To The Scan Tool

Refer to Wiring Diagram Set 14 (Fusion/Milan/MKZ, Fusion Hybrid/Milan Hybrid), Module Communications Network for schematic and connector information. Diagrams By Number

Refer to Wiring Diagram Set 60 (Fusion/Milan/MKZ, Fusion Hybrid/Milan Hybrid), Instrument Cluster for schematic and connector information. Diagrams By Number

Normal Operation

The Instrument Panel Cluster (IPC) communicates with the scan tool through the High Speed Controller Area Network (HS-CAN).

This pinpoint test is intended to diagnose the following:

- Fuse
- Wiring, terminals or connectors
- IPC



PINPOINT TEST C: THE IPC DOES NOT RESPOND TO THE SCAN TOOL

NOTICE: Use the correct probe adapter(s) when making measurements. Failure to use the correct probe adapter(s) may damage the connector.

NOTE: Failure to disconnect the battery when instructed will result in false resistance readings. Refer to Battery.

-------------------------------------------------
C1 CHECK THE IPC VOLTAGE SUPPLY CIRCUITS FOR AN OPEN


- Disconnect: Instrument Panel Cluster (IPC) C220 .
- Ignition ON.
- For gasoline engine, measure the voltage between the IPC C220-20, circuit CBP29 (WH/VT), harness side and ground; and between the IPC C220-21, circuit SBP26 (YE/RD), harness side and ground.




- For hybrid engine, measure the voltage between the IPC C220-20, circuit CBP29 (WH/VT), harness side and ground; and between the IPC C220-19, circuit SBP26 (YE/RD), harness side and ground.




- Are the voltages greater than 10 volts?

Yes
GO to C2.

No
VERIFY the Smart Junction Box (SJB) fuses 29 (5A) or 26 (15A) are OK. If OK, REPAIR the circuit in question. CLEAR the DTCs. If not OK, REFER to the Wiring Diagrams to identify the possible causes of the circuit short Diagrams By Number. REPEAT the network test with the scan tool.

-------------------------------------------------
C2 CHECK THE IPC GROUND CIRCUIT FOR AN OPEN


- Ignition OFF.
- Disconnect: Negative Battery Cable .
- For gasoline engine, measure the resistance between the IPC C220-5, circuit GD116 (BK/VT) harness side and ground.




- For hybrid engine, measure the resistance between the IPC C220-9, circuit GD116 (BK/VT) harness side and ground.




- Is the resistance less than 5 ohms?

Yes
For gasoline engine, GO to C3.

For hybrid engine, GO to C5.

No
REPAIR the circuit. CLEAR the DTCs. REPEAT the network test with the scan tool.

-------------------------------------------------
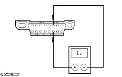
C3 CHECK THE HS-CAN TERMINATION RESISTANCE


- Disconnect the scan tool cable from the Data Link Connector (DLC).
- Measure the resistance between the DLC C251-6, circuit VDB04 (WH/BU), harness side and the DLC C251-14, circuit VDB05 (WH), harness side.




- Is the resistance between 54 and 66 ohms?

Yes
GO to C6.

No
GO to C4.

-------------------------------------------------
C4 CHECK THE HS-CAN CIRCUITS BETWEEN THE DLC AND THE IPC FOR AN OPEN - GASOLINE


- Measure the resistance between the IPC C220-25, circuit VDB04 (WH/BU), harness side and the DLC C251-6, circuit VDB04 (WH/BU), harness side.




- Measure the resistance between the IPC C220-26, circuit VDB05 (WH), harness side and the DLC C251-14, circuit VDB05 (WH), harness side.




- Are the resistances less than 5 ohms?

Yes
GO to C6.

No
REPAIR the circuit in question. CONNECT the negative battery cable. CLEAR the DTCs. REPEAT the network test with the scan tool.

-------------------------------------------------
C5 CHECK THE HS-CAN CIRCUITS BETWEEN THE DLC AND THE IPC FOR AN OPEN - HYBRID


- Measure the resistance between the IPC C220-15, circuit VDB04 (WH/BU), harness side and the DLC C251-6, circuit VDB04 (WH/BU), harness side.




- Measure the resistance between the IPC C220-14, circuit VDB05 (WH), harness side and the DLC C251-14, circuit VDB05 (WH), harness side.




- Are the resistances less than 5 ohms?

Yes
GO to C7.

No
REPAIR the circuit in question. CONNECT the negative battery cable. CLEAR the DTCs. REPEAT the network test with the scan tool.

-------------------------------------------------
C6 CHECK THE MS-CAN CIRCUITS BETWEEN THE DLC AND THE IPC FOR AN OPEN - GASOLINE


- Measure the resistance between the IPC C220-12, circuit VDB06 (GY/OG), harness side and the DLC C251-3, circuit VDB06 (GY/OG), harness side.




- Measure the resistance between the IPC C220-13, circuit VDB07 (VT/OG), harness side and the DLC C251-11, circuit VDB07 (VT/OG), harness side.




- Are the resistances less than 5 ohms?

Yes
CONNECT the negative battery cable. GO to C8.

No
REPAIR the circuit in question. CONNECT the negative battery cable. CLEAR the DTCs. REPEAT the network test with the scan tool.

-------------------------------------------------
C7 CHECK THE MS-CAN CIRCUITS BETWEEN THE DLC AND THE IPC FOR AN OPEN - HYBRID


- Measure the resistance between the IPC C220-2, circuit VDB06 (GY/OG), harness side and the DLC C251-3, circuit VDB06 (GY/OG), harness side.




- Measure the resistance between the IPC C220-1, circuit VDB07 (VT/OG), harness side and the DLC C251-11, circuit VDB07 (VT/OG), harness side.




- Are the resistances less than 5 ohms?

Yes
CONNECT the negative battery cable. GO to C8.

No
REPAIR the circuit in question. CONNECT the negative battery cable. CLEAR the DTCs. REPEAT the network test with the scan tool.

-------------------------------------------------
C8 CHECK FOR CORRECT IPC OPERATION


- Disconnect the IPC connector.
- Check for:
- corrosion
- damaged pins
- pushed-out pins
- Connect the IPC connector and make sure it seats correctly.
- Operate the system and verify the concern is still present.
- Is the concern still present?

Yes
INSTALL a new IPC. REFER to Instrument Panel, Gauges and Warning Indicators. CLEAR the DTCs. REPEAT the network test with the scan tool.

No
The system is operating correctly at this time. The concern may have been caused by a loose or corroded connector. CLEAR the DTCs. REPEAT the network test with the scan tool.

-------------------------------------------------