Operation CHARM: Car repair manuals for everyone.
Manuals through 2025 now available!

Our trusted friends have launched a new website named LEMON, which has newer manuals. It also contains all the CHARM manuals.

LEMON is the spiritual successor to CHARM, I recommend you try it!

Link: lemon-manuals.la or lemon-manuals.org.ua

(Some people have issue connecting. LEMON is investigating. For now, use Firefox or change your DNS server)

Or, hide this message: temporarily or permanently

Pinpoint Test AX: DTC U3003:16 Global Positioning System Module (GPSM))




Information and Entertainment System

Pinpoint Tests

Pinpoint Test AX: DTC U3003:16 Global Positioning System Module (GPSM))

Refer to Wiring Diagram Set 130 (Fusion/Milan/MKZ, Fusion Hybrid/Milan Hybrid), Audio System/Navigation for schematic and connector information. Diagrams By Number

Normal Operation
- DTC U3003:16 (Battery Voltage: Circuit Voltage Below Threshold) - set by the Global Positioning System Module (GPSM) when the supply voltage falls below 10 volts for at least 10 seconds during normal operation, or for greater than 250 milliseconds during the self-test.

This pinpoint test is intended to diagnose the following:

- Wiring, terminals or connectors
- High circuit resistance
- GPSM



PINPOINT TEST AX: DTC U3003:16 (GPSM)

NOTICE: Use the correct probe adapter(s) when making measurements. Failure to use the correct probe adapter(s) may damage the connector.

NOTE: Failure to disconnect the battery when instructed will result in false resistance readings. Refer to Battery.

-------------------------------------------------
AX1 RECHECK THE GPSM DTCs


- Clear the GPSM DTCs.
- Ignition OFF.
- Ignition ON.
- Wait at least 15 seconds.
- Repeat the GPSM self-test.
- Is DTC U3003:16 still present?

Yes
GO to AX2.

No
The system is operating correctly at this time. The DTC may have set due to a previous low battery voltage condition.

-------------------------------------------------
AX2 CHECK FOR CHARGING SYSTEM DTCs IN THE PCM


- Retrieve the continuous memory DTCs from all modules.
- Is DTC P0620, P0622, P0625, or P065B set in the PCM?

Yes
REFER to Charging System.

No
GO to AX3.

-------------------------------------------------
AX3 CHECK THE BATTERY CONDITION AND STATE OF CHARGE


- Check the battery condition and verify that the battery is fully charged. Refer to Battery.
- Is the battery OK and fully charged?

Yes
GO to AX4.

No
REFER to Battery.

-------------------------------------------------
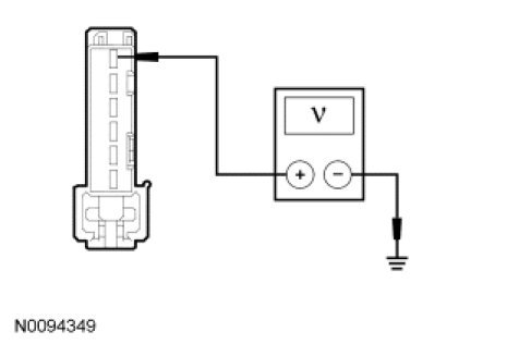
AX4 CHECK THE GPSM VOLTAGE SUPPLY


- Ignition OFF.
- Measure and record the voltage at the battery.
- Disconnect: GPSM C2300 .
- Ignition ON.
- Measure the voltage between the GPSM C2300-1, circuit SBP14 (BN/RD), harness side and ground.




- Is the voltage within 0.2 volt of the recorded battery voltage?

Yes
GO to AX5.

No
REPAIR the circuit in question for high resistance. CLEAR the DTC. REPEAT the self-test.

-------------------------------------------------
AX5 CHECK THE GPSM GROUND CIRCUITS


- Ignition OFF.
- Disconnect: Negative Battery Cable .
- Measure the resistance between the GPSM C2300-6, circuit GD116 (BK/VT), harness side and ground.




- Are the resistances less than 5 ohms?

Yes
GO to AX6.

No
REPAIR the circuit in question for high resistance. TEST the system for normal operation.

-------------------------------------------------
AX6 CHECK FOR CORRECT GPSM OPERATION


- Disconnect the GPSM connector.
- Check for:
- corrosion
- damaged pins
- pushed-out pins
- Connect the GPSM connector and make sure it seats correctly.
- Is the concern still present?

Yes
INSTALL a new GPSM. REFER to Global Positioning System Module (GPSM) Service and Repair. TEST the system for normal operation.

No
The system is operating correctly at this time. The concern may have been caused by a loose or corroded connector.

-------------------------------------------------