Operation CHARM: Car repair manuals for everyone.
Manuals through 2025 now available!

Our trusted friends have launched a new website named LEMON, which has newer manuals. It also contains all the CHARM manuals.

LEMON is the spiritual successor to CHARM, I recommend you try it!

Link: lemon-manuals.la or lemon-manuals.org.ua

(Some people have issue connecting. LEMON is investigating. For now, use Firefox or change your DNS server)

Or, hide this message: temporarily or permanently

Part 1




Engine









NOTICE: During engine repair procedures, cleanliness is extremely important. Any foreign material, including any material created while cleaning gasket surfaces that enters the oil passages, coolant passages or the oil pan, can cause engine failure.

NOTE: For additional information, refer to the exploded view under the Assembly procedure.

All engines

1. Remove the 8 bolts and the flexplate.





2. Remove the engine-to-transaxle separator plate.





3. Using the Slide Hammer and the Crankshaft Rear Oil Seal Remover, remove and discard the crankshaft rear oil seal.





4. Mount the engine on a suitable stand.

5. Detach the 2 B+ wiring harness retainers from the valve cover stud bolts.





6. Disconnect the A/C compressor clutch electrical connector.





7. Disconnect the generator electrical connector.





8. Remove the nut and the B+ wire from the generator.
- Remove the B+ harness from the engine.





9. Disconnect the 3 engine wiring connectors.
- Disconnect the engine block Knock Sensor (KS) electrical connector.

- Disconnect the Cylinder Head Temperature (CHT) sensor electrical connector.

- Disconnect the cylinder head KS electrical connector.





10. Disconnect the electronic throttle control electrical connector.





11. Disconnect the Evaporative Emission (EVAP) canister purge valve electrical connector.





12. Disconnect the EGR regulator electrical connector and detach the wiring retainer.





13. Disconnect the PCV valve electrical connector.





14. Detach the wiring harness retainer from the upper intake manifold.





15. Disconnect the Manifold Absolute Pressure (MAP) electrical connector and detach the wiring retainer.





16. Disconnect the RH coil-on-plug electrical connectors.
- Detach the 2 wiring harness retainers.





17. Disconnect the RH Variable Camshaft Timing (VCT) electrical connector and detach the wiring harness retainer from the valve cover stud bolt.





18. Disconnect the Crankshaft Position (CKP) sensor electrical connector and detach the 2 wiring harness retainers.





19. Disconnect the 2 Camshaft Position (CMP) sensor electrical connectors and detach the wiring harness retainer from the engine front cover stud bolt.





20. Disconnect the fuel injector wiring harness electrical connector and detach the wiring harness retainer.





21. Disconnect the LH VCT electrical connector.





22. Remove the nut and the radio frequency interference capacitor.





23. Disconnect the Engine Oil Pressure (EOP) switch electrical connector and detach the wiring retainer from the oil indicator tube.





24. Disconnect the 3 LH coil-on-plug electrical connectors.
- Detach the 2 wiring harness retainers.





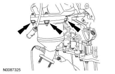
25. Remove the 2 upper intake manifold bracket bolts (1 shown).





26. Remove the 7 bolts and the upper intake manifold.
- Remove and discard the gaskets.





27. Remove the 4 bolts and the fuel rail and injectors as an assembly.





28. Remove the 8 lower intake manifold bolts and the lower intake manifold.
- Remove and discard the gaskets.





FWD vehicles

29. Remove the 3 bolts and the RH heat shield.





30. Remove the 3 nuts and the RH catalytic converter.
- Discard the nuts and gasket.





All engines

31. Remove the 6 RH exhaust manifold nuts and the manifold.
- Discard the nuts and gasket.





32. Clean and inspect the RH catalytic converter manifold. For additional information, refer to Engine.

33. Remove and discard the 6 RH catalytic converter manifold studs.





34. Rotate the accessory drive belt tensioner counterclockwise and remove the accessory drive belt.





35. Remove the 3 bolts and the A/C compressor.





36. Remove the bolt, 2 nuts and the generator.





37. Remove the 3 bolts and the A/C compressor bracket.





38. Position the Stretchy Belt Remover under the coolant pump belt as shown.





39. NOTE: Feed the Stretchy Belt Remover on to the camshaft coolant pump pulley 90 degrees.

Turn the crankshaft clockwise and feed the Stretchy Belt Remover evenly on the camshaft coolant pump pulley as shown.





40. Remove the coolant pump belt.
- Fold the Stretchy Belt Remover over the top of the coolant pump belt.

- In one quick motion, pull the Stretchy Belt Remover up and toward the front of the engine removing the coolant pump belt.





41. NOTICE: Failure to use the correct special tools, assembled as shown in the illustration, will result in damage to the coolant pump pulley and/or special tools.

Using the Water Pump Pulley Plate, Water Pump Shaft Protector and the Crankshaft Vibration Damper Remover, remove the coolant pump pulley.





42. Remove the 5 coolant pump housing bolts.





43. Loosen the clamp and detach the coolant hose.
- Remove the coolant pump housing.





44. Remove the stud bolt and the oil level indicator and tube.
- Remove and discard the O-ring seal.





45. Remove the EOP switch and, if equipped, the block heater.





46. Remove the bolts and the RH valve cover.
- Discard the gasket.





47. Remove the bolts and the LH valve cover.
- Discard the gasket.





48. Remove the 15 bolts and the oil pan.
- Discard the gasket.





49. Remove the 2 bolts and the oil pump screen and pickup tube.





50. Remove and discard the O-ring seal.