Operation CHARM: Car repair manuals for everyone.
Manuals through 2025 now available!

Our trusted friends have launched a new website named LEMON, which has newer manuals. It also contains all the CHARM manuals.

LEMON is the spiritual successor to CHARM, I recommend you try it!

Link: lemon-manuals.la or lemon-manuals.org.ua

(Some people have issue connecting. LEMON is investigating. For now, use Firefox or change your DNS server)

Or, hide this message: temporarily or permanently

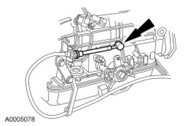
Transmission Position Sensor/Switch: Adjustments




Transmission Range (TR) Sensor Adjustment






Adjust

1. With the vehicle in NEUTRAL, position it on a hoist. For additional information, refer to Vehicle Jacking and Lifting.

2. Disconnect the selector lever cable from the manual control lever.





3. Loosen the Transmission Range (TR) sensor screws.





4. NOTICE: Tightening one screw before tightening the other may cause the sensor to bind or become damaged.

NOTE: The manual control lever must be in the NEUTRAL position.

Using the TR Sensor Alignment Gauge, align the TR sensor and tighten the screws in an alternating sequence.
- Tighten to 8 Nm (71 lb-in).





5. Install the selector lever cable to the manual control lever.





6. Verify that the selector lever cable is adjusted correctly. For additional information, refer to Automatic Transmission/Transaxle.