Operation CHARM: Car repair manuals for everyone.
Manuals through 2025 now available!

Our trusted friends have launched a new website named LEMON, which has newer manuals. It also contains all the CHARM manuals.

LEMON is the spiritual successor to CHARM, I recommend you try it!

Link: lemon-manuals.la or lemon-manuals.org.ua

(Some people have issue connecting. LEMON is investigating. For now, use Firefox or change your DNS server)

Or, hide this message: temporarily or permanently

Pinpoint Test X: DTC B2909




Air Bag and Safety Belt Pretensioner Supplemental Restraint System (SRS)

Pinpoint Test - Occupant Classification System Module (OCSM)


Pinpoint Test X: DTC B2909

Refer to Wiring Diagram Set 46, Supplemental Restraint System for schematic and connector information. Diagrams By Number

Normal Operation

The Belt Tension Sensor (BTS) operates in conjunction with the Occupant Classification Sensor (OCS) system. The OCS system interprets a variable voltage signal provided by the BTS to identify the possible presence of a child safety seat in the front passenger seat. The voltage output of the BTS is proportional to the amount of tension applied to the sensor by the belt, no-tension low voltage (approximately 0.95 volt), high-tension high voltage (approximately 3.8 volts).

The Occupant Classification System Module (OCSM) monitors the BTS and all circuitry for faults. If a fault is detected, the OCSM will store DTC B2909 in memory and send a message to the Restraints Control Module (RCM). The RCM will store DTC B00A0:09 in memory and send a message to the Instrument Cluster (IC) module to illuminate the air bag warning indicator.





a Fault PIDs that end in OD indicate on-demand status and are associated with DTC B2909. Fault PIDs that end in CM indicate continuous memory status and are associated with DTC B2909.

This pinpoint test is intended to diagnose the following:
- Wiring, terminals or connectors
- BTS (part of RH front safety belt retractor)
- OCSM



PINPOINT TEST X: DTC B2909

WARNING: Never probe the electrical connectors on air bag, Safety Canopy(R) or side air curtain modules. Failure to follow this instruction may result in the accidental deployment of these modules, which increases the risk of serious personal injury or death.

WARNING: Never disassemble or tamper with safety belt buckle/retractor pretensioners or adaptive load limiting retractors or probe the electrical connectors. Failure to follow this instruction may result in the accidental deployment of the safety belt pretensioners or adaptive load limiting retractors which increases the risk of serious personal injury or death.

NOTICE: Use the correct probe adapter(s) from the Flex Probe Kit when taking measurements. Failure to use the correct probe adapter(s) may damage the connector.

Most faults are due to connector and/or wiring concerns. Carry out a thorough inspection and verification before proceeding with the pinpoint test.
Inspection and Verification

NOTE: Supplemental Restraint System (SRS) components should only be disconnected or reconnected when instructed to do so within a pinpoint test step. Failure to follow this instruction may result in incorrect diagnosis of the SRS.

NOTE: Always make sure the correct SRS component is being installed. Parts released for other vehicles may not be compatible even if they appear physically similar. Check the part number listed in the Ford Catalog Advantage(TM) or equivalent to make sure the correct component is being installed. If an incorrect SRS component is installed, DTCs may set.

NOTE: The SRS must be fully operational and free of faults before releasing the vehicle to the customer.

-------------------------------------------------
X1 RETRIEVE OCSM DTCs


- Enter the following diagnostic mode on the scan tool: Self Test - OCSM .
- Enter the following diagnostic mode on the scan tool: DataLogger - OCSM - View and Record All 2909 Fault PIDs .
- Refer to PID list in Normal Operation to view 2909 fault PIDs.
- Do any on-demand 2909 fault PIDs indicate a fault?

Yes
This fault cannot be cleared until it is corrected and the DTC is no longer retrieved on-demand during self-test.

For fault PID 2909_31_OD, GO to X2.

For fault PID 2909_28_OD, GO to X8.

For fault PID 2909_30_OD, GO to X9.

For fault PID 2909_29_OD, GO to X10.

No
This is an intermittent fault when present as a Continuous Memory Diagnostic Trouble Code (CMDTC) only. GO to X14.

-------------------------------------------------
X2 CHECK BTS CIRCUITS FOR A SHORT TO VOLTAGE


- Ignition OFF.
- Depower the SRS. Refer to Supplemental Restraint System (SRS) Depowering and Repowering Supplemental Restraint System (SRS) Depowering and Repowering.
- Disconnect: Passenger Seat Side Air Bag Module C337 .
- Disconnect: BTS C3238 .
- Disconnect: OCSM C3043 .
- Repower the SRS. Do not prove out the SRS at this time. Refer to Supplemental Restraint System (SRS) Depowering and Repowering Supplemental Restraint System (SRS) Depowering and Repowering.
- Ignition ON.
- Measure the voltage between OCSM:
- C3043-11, circuit LR142 (YE/BU), harness side and ground.
- C3043-12, circuit VR210 (BU/BN), harness side and ground.




- Is voltage present on either circuit?

Yes
REPAIR circuit LR142 (YE/BU) or VR210 (BU/BN). GO to X15.

No
GO to X3.

-------------------------------------------------
X3 CHECK BTS CIRCUITS FOR AN OPEN


- Ignition OFF.
- Measure the resistance between OCSM C3043, harness side and BTS C3238, harness side using the following chart.









- Are the resistances less than 0.5 ohm?

Yes
GO to X4.

No
REPAIR the affected circuit.

GO to X15.

-------------------------------------------------
X4 CHECK BTS VREF AND SIGNAL CIRCUITS FOR A SHORT TO GROUND


- Measure the resistance between OCSM:
- C3043-11, circuit LR142 (YE/BU), harness side and ground.
- C3043-12, circuit VR210 (BU/BN), harness side and ground.




- Are the resistances greater than 10,000 ohms?

Yes
GO to X5.

No
REPAIR circuit LR142 (YE/BU) or VR210 (BU/BN). GO to X15.

-------------------------------------------------
X5 CHECK FOR A SHORT BETWEEN BTS CIRCUITS


- Measure the resistance between BTS:
- C3238-3, circuit VR210 (BU/BN), harness side and C3238-1, circuit LR142 (YE/BU), harness side.
- C3238-3, circuit VR210 (BU/BN), harness side and C3238-2, circuit GD138 (BK/WH), harness side.
- C3238-1, circuit LR142 (YE/BU), harness side and C3238-2, circuit GD138 (BK/WH), harness side.




- Are the resistances greater than 10,000 ohms?

Yes
GO to X6.

No
REPAIR the affected circuits. GO to X11.

-------------------------------------------------
X6 CHECK OCSM OUTPUT


- Connect: OCSM C3043 .
- Ignition ON.
- Measure the voltage between BTS C3238-1, circuit LR142 (YE/BU), harness side and C3238-2, circuit GD138 (BK/WH), harness side.




- Is the voltage approximately 5 volts?

Yes
GO to X7.

No
INSTALL a new OCS system service kit. REFER to Occupant Classification Sensor Service and Repair. GO to X15.

-------------------------------------------------
X7 CHECK BTS VOLTAGE OUTPUT


- Ignition OFF.
- Connect a fused jumper wire between BTS C3238-1, circuit LR142 (YE/BU), harness side and C3238 pin 1, component side.
- Connect a fused jumper wire between BTS C3238-2, circuit GD138 (BK/WH), harness side and C3238 pin 2, component side.
- Ignition ON.
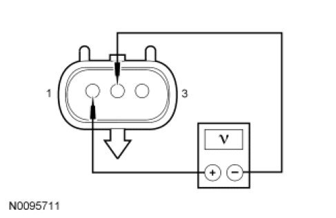
- Measure the voltage between BTS C3238 pin 1, circuit VR210 (BU/BN), component side and ground as the tension of the BTS varies by pulling upward at the safety belt webbing.




- Does the voltage vary from approximately 0.95 volt with no tension applied to the sensor to approximately 3.8 volts with full tension applied to the sensor?

Yes
INSTALL a new OCS system service kit. REFER to Occupant Classification Sensor Service and Repair. GO to X15.

No
INSTALL a new RH safety belt retractor assembly. REFER to Restraint Systems. GO to X15.

-------------------------------------------------
X8 CHECK BTS CIRCUITS FOR A SHORT TO VOLTAGE


- Ignition OFF.
- Depower the SRS. Refer to Supplemental Restraint System (SRS) Depowering and Repowering Supplemental Restraint System (SRS) Depowering and Repowering.
- Disconnect: Passenger Seat Side Air Bag Module C337 .
- Disconnect: BTS C3238 .
- Disconnect: OCSM C3043 .
- Repower the SRS. Do not prove out the system at this time. Refer to Supplemental Restraint System (SRS) Depowering and Repowering Supplemental Restraint System (SRS) Depowering and Repowering.
- Ignition ON.
- Measure the voltage between BTS:
- C3238-3, circuit VR210 (BU/BN), harness side and ground.
- C3238-1, circuit LR142 (YE/BU), harness side and ground.




- Is any voltage present on either circuit?

Yes
REPAIR circuit VR210 (BU/BN) or LR142 (YE/BU). GO to X15.

No
GO to X13.

-------------------------------------------------
X9 CHECK BTS CIRCUIT FOR AN OPEN


- Ignition OFF.
- WARNING: Turn the ignition OFF and wait one minute to deplete the backup power supply. Failure to follow this instruction may result in serious personal injury or death in the event of an accidental deployment.
- Disconnect: BTS C3238 .
- Disconnect: OCSM C3043 .
- Measure the resistance between OCSM C3043, harness side and BTS C3238, harness side using the following chart.









- Are the resistances less than 0.5 ohm?

Yes
GO to X11.

No
REPAIR circuit VR210 (BU/BN), VR142 (YE/BU) or GD138 (BK/WH). GO to X15.

-------------------------------------------------
X10 CHECK BTS CIRCUITS FOR A SHORT TO GROUND


- Ignition OFF.
- WARNING: Turn the ignition OFF and wait one minute to deplete the backup power supply. Failure to follow this instruction may result in serious personal injury or death in the event of an accidental deployment.
- Disconnect: BTS C3238 .
- Disconnect: OCSM C3043 .
- Measure the resistance between BTS:
- C3238-3, circuit VR210 (BU/BN, harness side and ground.
- C3238-1, circuit LR142 (YE/BU), harness side and ground.




- Are the resistances greater than 10,000 ohms?

Yes
GO to X11.

No
REPAIR circuit VR210 (BU/BN or LR142 (YE/BU). GO to X15.

-------------------------------------------------
X11 CHECK OCSM OUTPUT


- Connect: OCSM C3043 .
- Ignition ON.
- Measure the voltage between BTS C3238-1, circuit LR142 (YE/BU), harness side and C3238-2, circuit GD138 (BK/WH), harness side.




- Is the voltage approximately 5 volts?

Yes
GO to X12.

No
INSTALL a new OCS system service kit. REFER to Occupant Classification Sensor Service and Repair. GO to X15.

-------------------------------------------------
X12 CHECK BTS VOLTAGE OUTPUT


- Ignition OFF.
- Depower the SRS. Refer to Supplemental Restraint System (SRS) Depowering and Repowering Supplemental Restraint System (SRS) Depowering and Repowering.
- Disconnect: Passenger Seat Side Air Bag Module C337 .
- Connect a fused jumper wire between BTS C3238-1, circuit LR142 (YE/BU), harness side and C3238 pin 1, component side.
- Connect a fused jumper wire between BTS C3238-2, circuit GD138 (BK/WH), harness side and C3238 pin 2, component side.
- Repower the SRS. Do not prove out the system at this time. Refer to Supplemental Restraint System (SRS) Depowering and Repowering Supplemental Restraint System (SRS) Depowering and Repowering.
- Ignition ON.
- Measure the voltage between BTS C3238 pin 3, component side and ground as the tension of the BTS varies by pulling upward at the safety belt webbing.




- Does the voltage vary from approximately 0.95 volt with no tension applied to the sensor, to approximately 3.8 volts with full tension applied to the sensor?

Yes
GO to X13.

No
INSTALL a new safety belt retractor assembly. REFER to Restraint Systems. GO to X15.

-------------------------------------------------
X13 CONFIRM THE OCSM FAULT


NOTE: Make sure all OCS system components, restraint system sensor electrical connectors and the RCM electrical connectors are connected before carrying out self-test. If not, DTCs will be recorded.

- Ignition OFF.
- Depower the SRS. Refer to Supplemental Restraint System (SRS) Depowering and Repowering Supplemental Restraint System (SRS) Depowering and Repowering.
- Prior to reconnecting any previously disconnected SRS component:
- inspect connector(s) (including any in-line connectors) for pushed-out, loose or spread terminals and loose or frayed wire connections at terminals.
- inspect wire harness for any damage, pinched, cut or pierced wires.
- repair any concerns found. Refer to Wiring Diagram Set 5, Connector Repair Procedures for schematic and connector information. Diagrams By Number

- Connect: All Previously Disconnected Component(s)/Connector(s) .
- Repower the SRS. Do not prove out the SRS at this time. Refer to Supplemental Restraint System (SRS) Depowering and Repowering Supplemental Restraint System (SRS) Depowering and Repowering.
- Enter the following diagnostic mode on the scan tool: Self Test - OCSM .
- Enter the following diagnostic mode on the scan tool: DataLogger - OCSM - View and Record All 2909 Fault PIDs .
- Refer to PID list in Normal Operation to view 2909 fault PIDs.
- Does the original on-demand 2909 fault PID indicate a fault?

Yes
INSTALL a new OCS system service kit. REFER to Occupant Classification Sensor Service and Repair. GO to X15.

No
In the process of diagnosing the fault, the fault condition has become intermittent. Do not install any new SRS components at this time. SRS components should only be installed when directed to do so in the pinpoint test. GO to X14.

-------------------------------------------------
X14 CHECK FOR AN INTERMITTENT FAULT


- Ignition OFF.
- Disconnect BTS C3238:
- inspect connector(s) (including any in-line connectors) for loose or spread terminals and loose or frayed wire connections at terminals.
- inspect wire harness for any damage, pinched, cut or pierced wires.
- repair any concerns found. Refer to Wiring Diagram Set 5, Connector Repair Procedures for schematic and connector information. Diagrams By Number

- Connect: All Previously Disconnected Component(s)/Connector(s) .
- Enter the following diagnostic mode on the scan tool: Self Test - OCSM .
- Enter the following diagnostic mode on the scan tool: DataLogger - OCSM - View and Record All 2909 Fault PIDs .
- Refer to PID list in Normal Operation to view 2909 fault PIDs.
- Do any on-demand 2909 fault PIDs indicate a fault?

Yes
This is a hard fault. This fault cannot be cleared until it is corrected and the DTC is no longer retrieved on-demand during self-test.

Using the on-demand fault PIDs recorded, GO to the appropriate pinpoint test step.

For fault PID 2909_31_OD, GO to X2.

For fault PID 2909_28_OD, GO to X8.

For 2909_30_OD, GO to X9.

For fault PID 2909_29_OD, GO to X10.

No
CHECK for causes of the intermittent fault. ATTEMPT to recreate the hard fault by flexing the wire harness and cycling the ignition frequently. ACTIVATE other systems in the same wire harness. Do not install any new SRS components at this time. SRS components should only be installed when directed to do so in the pinpoint test. REPAIR any intermittent wiring, terminal or connector concerns found. GO to X15.

-------------------------------------------------
X15 CHECK FOR ADDITIONAL SRS DTCs


- Ignition OFF.
- WARNING: Turn the ignition OFF and wait one minute to deplete the backup power supply. Failure to follow this instruction may result in serious personal injury or death in the event of an accidental deployment.
- Reconnect all SRS components (if previously disconnected).
- If previously directed to depower the SRS, repower the SRS. Do notprove out the SRS at this time. Refer to Supplemental Restraint System (SRS) Depowering and Repowering Supplemental Restraint System (SRS) Depowering and Repowering.
- Ignition ON.
- Enter the following diagnostic mode on the scan tool: Self Test - Restraints .
- NOTE: When selecting Restraints from the Self Test menu, DTCs will be retrieved from the RCM and OCSM.
- Are any RCM and/or OCSM DTCs retrieved?

Yes
Do not clear any DTCs until all DTCs have been resolved. GO to the DTC Charts for pinpoint test direction. [1][2]Diagnostic Trouble Code Descriptions

No
CLEAR all RCM and OCSM CMDTCs. PROVE OUT the SRS. Repair is complete. RETURN the vehicle to the customer.

-------------------------------------------------