Operation CHARM: Car repair manuals for everyone.
Manuals through 2025 now available!

Our trusted friends have launched a new website named LEMON, which has newer manuals. It also contains all the CHARM manuals.

LEMON is the spiritual successor to CHARM, I recommend you try it!

Link: lemon-manuals.la or lemon-manuals.org.ua

(Some people have issue connecting. LEMON is investigating. For now, use Firefox or change your DNS server)

Or, hide this message: temporarily or permanently

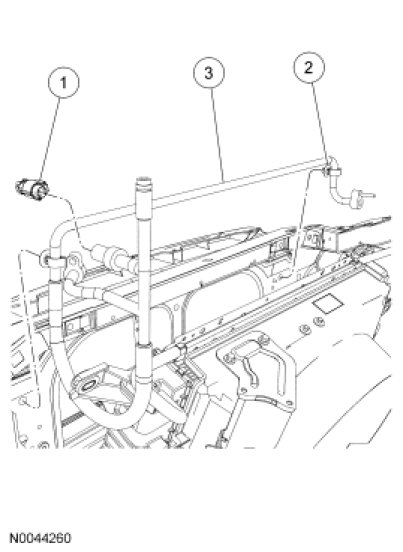
Compressor to Condenser Discharge Line




Compressor to Condenser Discharge Line - 2.3L













Removal and Installation

1. Remove the condenser core. For additional information, refer to Condenser Core Service and Repair.

2. Remove the Air Cleaner (ACL) outlet tube. For additional information, refer to Fuel Delivery and Air Induction.

3. Disconnect the pressure cutoff switch electrical connector.

4. Detach the 2 compressor-to-condenser discharge line clips.

5. Remove the compressor-to-condenser discharge line.

6. To install, reverse the removal procedure.
- Install new O-ring seals.

- Lubricate the refrigerant system with the correct amount of clean PAG oil.

7. Evacuate, leak test and charge the refrigerant system.