Operation CHARM: Car repair manuals for everyone.
Manuals through 2025 now available!

Our trusted friends have launched a new website named LEMON, which has newer manuals. It also contains all the CHARM manuals.

LEMON is the spiritual successor to CHARM, I recommend you try it!

Link: lemon-manuals.la or lemon-manuals.org.ua

(Some people have issue connecting. LEMON is investigating. For now, use Firefox or change your DNS server)

Or, hide this message: temporarily or permanently

Ride Height Measurement




Ride Height Measurement


Front Ride Height Measurement










NOTE: Make sure that the vehicle is positioned on a flat, level surface and the tires are inflated to the correct pressure. Vehicle should have a full tank of fuel.

1. Position a suitable surface gauge (such as Starrett 57D Surface Gauge), on a flat, level surface and adjust the gauge's arm until the scriber point is located in the center of the lower arm rearward bolt.
- Lock the surface gauge in this position.





2. With the surface gauge positioned on a flat, level surface, record the measurement of the surface gauge position (measurement 2).





3. Position the surface gauge on the same flat, level surface as used in Step 1, adjust the gauge's arm until the scriber point is located on the wheel knuckle lowest point, behind the lower ball joint nut.
- Lock the surface gauge in this position.





4. With the surface gauge positioned on a flat, level surface, record the measurement of the surface gauge position (measurement 3).





5. Subtract measurement 3 from measurement 2 to obtain the front ride height.
- Refer to Specifications.


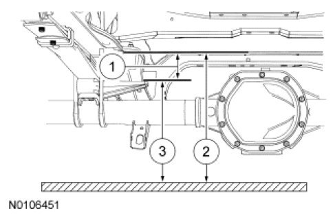
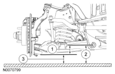
Rear Ride Height Measurement

Ride Height Measurement - Four-Wheel Drive (4WD)










Ride Height Measurement - Rear Wheel Drive (RWD)









NOTE: Make sure that the vehicle is positioned on a flat, level surface and the tires are inflated to the correct pressure. Vehicle should have a full tank of fuel.

1. To obtain rear ride height, measure the distance between points 2 and 3. For additional information, refer to Specifications.