Operation CHARM: Car repair manuals for everyone.
Manuals through 2025 now available!

Our trusted friends have launched a new website named LEMON, which has newer manuals. It also contains all the CHARM manuals.

LEMON is the spiritual successor to CHARM, I recommend you try it!

Link: lemon-manuals.la or lemon-manuals.org.ua

(Some people have issue connecting. LEMON is investigating. For now, use Firefox or change your DNS server)

Or, hide this message: temporarily or permanently

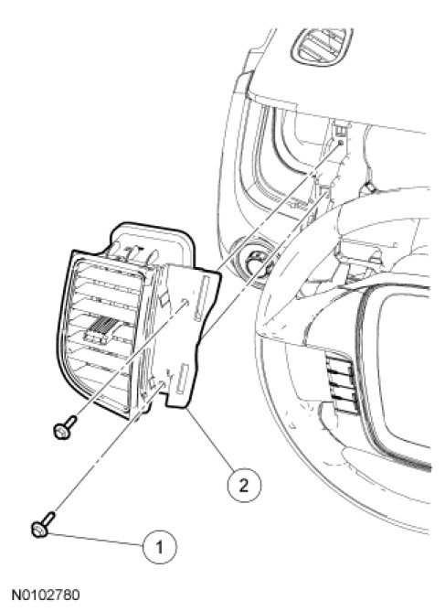
Register - Driver Side






Register - Driver Side









Removal and Installation

1. Remove the instrument cluster finish panel. For additional information, refer to Instrument Cluster / Carrier &/or Interior Moulding / Trim. Instrument Cluster / Carrier

2. Remove the 2 LH register screws.

3. Remove the LH register.

4. To install, reverse the removal procedure.