Operation CHARM: Car repair manuals for everyone.
Manuals through 2025 now available!

Our trusted friends have launched a new website named LEMON, which has newer manuals. It also contains all the CHARM manuals.

LEMON is the spiritual successor to CHARM, I recommend you try it!

Link: lemon-manuals.la or lemon-manuals.org.ua

(Some people have issue connecting. LEMON is investigating. For now, use Firefox or change your DNS server)

Or, hide this message: temporarily or permanently

Pinpoint Test C: The Cargo Door Lock Is Inoperative




Handles, Locks, Latches and Entry Systems

Pinpoint Tests

Pinpoint Test C: The Cargo Door Lock Is Inoperative

Refer to Wiring Diagram Set 117, Remote Keyless Entry and Alarm for schematic and connector information. Diagrams By Number

Normal Operation

The Central Junction Box (CJB) fuse 163 (20A) provides voltage for the power lock/unlock system and to the cargo door lock relay. The cargo door lock actuator and relay have a dedicated ground circuit. Once the Generic Electronic Module (GEM) receives a command to unlock the cargo doors, the GEM energizes the cargo door relay which supplies voltage to the cargo door lock actuator. The cargo door lock actuator is then grounded by the all lock circuit through the GEM. On a lock request, the GEM supplies voltage to all the door lock actuators on the all lock circuit. The cargo door lock actuator is grounded through the cargo door relay.

This pinpoint test is intended to diagnose the following:

- Wiring, terminals or connectors
- Right rear door center latch
- Cargo door lock relay
- GEM



PINPOINT TEST C: THE CARGO DOOR LOCK IS INOPERATIVE

NOTICE: Use the correct probe adapter(s) when making measurements. Failure to use the correct probe adapter(s) may damage the connector.

NOTE: Failure to disconnect the battery when instructed will result in false resistance readings. Refer to Battery.

-------------------------------------------------
C1 CHECK THE DOOR LOCK OPERATION


- Lock and unlock the doors using a door lock lever.
- Do the front door locks operate?

Yes
GO to C2.

No
GO to Pinpoint Test A. Pinpoint Test A: All Door Locks Are Inoperative

-------------------------------------------------
C2 CHECK THE CARGO DOOR LOCK RELAY


- Install a known good relay in the cargo door lock relay location.
- Enter the following diagnostic mode on the scan tool: GEM DataLogger .
- Select the GEM PIDs (RELEASE) and (CTRL_LOCK). Active command the rear cargo door to unlock and lock.
- Does the cargo door unlock and lock when active commanded?

Yes
INSTALL a new cargo door lock relay. TEST the system for normal operation.

No
GO to C3.

-------------------------------------------------
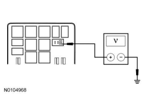
C3 CHECK FOR VOLTAGE TO THE CARGO DOOR LOCK RELAY


- Disconnect: Cargo Door Lock Relay .
- Measure the voltage between the cargo door lock relay pin 5, circuit 30-AA27 (RD), CJB face side and ground.




- Is the voltage greater than 10 volts?

Yes
GO to C4.

No
REPAIR circuit 30-AA27 (RD) for an open. TEST the system for normal operation.

-------------------------------------------------
C4 CHECK FOR GROUND TO THE CARGO DOOR LOCK RELAY


- Disconnect: Negative Battery Cable .
- Measure the resistance between the cargo door lock relay pin 2, circuit 31-AA27 (BK), CJB face side and ground; and between the cargo door lock relay pin 4, circuit 31-AA27 (BK), CJB face side and ground.




- Are the resistances less than 5 ohms?

Yes
GO to C5.

No
REPAIR the circuit in question for an open. TEST the system for normal operation.

-------------------------------------------------
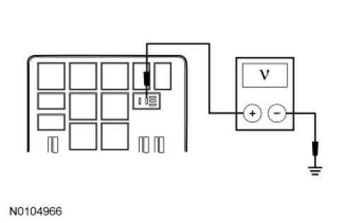
C5 CHECK FOR VOLTAGE TO THE CARGO DOOR LOCK RELAY COIL


NOTE: The GEM only supplies voltage to the relay coil momentarily. It is important to monitor the meter while active commanding the relay.

- Connect: Negative Battery Cable .
- Ignition ON.
- Enter the following diagnostic mode on the scan tool: GEM DataLogger .
- Measure the voltage between the cargo door lock relay pin 1, circuit 32-AA27 (WH/GN), CJB face side and ground, while active commanding the GEM PID (RELEASE).




- Is the voltage momentarily greater than 10 volts when active commanded?

Yes
GO to C7.

No
GO to C6.

-------------------------------------------------
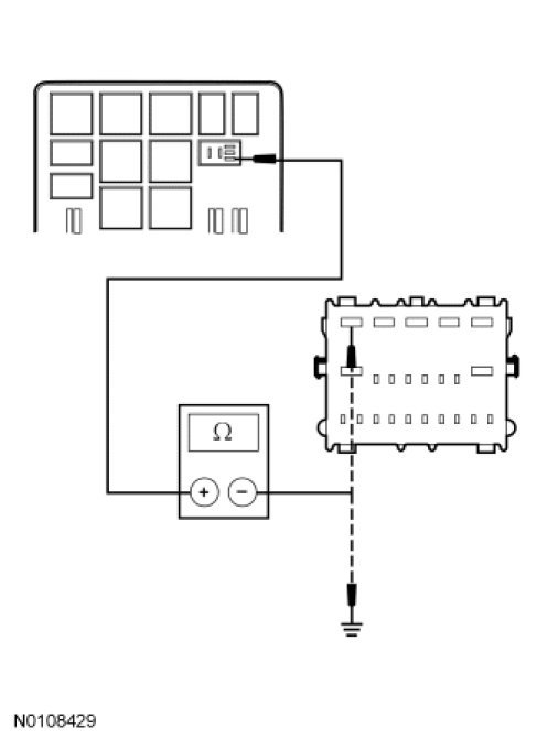
C6 CHECK THE CARGO DOOR LOCK RELAY CIRCUIT FOR AN OPEN OR SHORT TO GROUND


- Ignition OFF.
- Disconnect: GEM C201c .
- Measure the resistance between the cargo door lock relay pin 1, circuit 32-AA27 (WH/GN), CJB face side and the GEM C201c-5, circuit 32-AA27 (WH/GN), harness side; and the cargo door lock relay pin 1, circuit 32-AA27 (WH/GN), CJB face side and ground.




- Is the resistance less than 5 ohms between the cargo door lock relay and the GEM; and greater than 10,000 ohms between the cargo door lock relay and ground?

Yes
GO to C9.

No
REPAIR the circuit. TEST the system for normal operation.

-------------------------------------------------
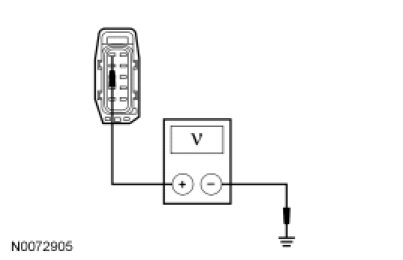
C7 CHECK THE RIGHT REAR DOOR CENTER LATCH UNLOCK CIRCUIT FOR AN OPEN


- Disconnect: Cargo door lock actuator C4120 .
- Connect a fused jumper wire between the cargo door lock relay pin 3, circuit 30S-AA27 (RD/GN), CJB face side and the cargo door lock relay pin 5, circuit 30-AA27 (RD), CJB face side.




- Measure the voltage between the cargo door lock actuator C4120-10, circuit 32-AA27 (BK), harness side and ground.




- Is the voltage greater than 10 volts?

Yes
REMOVE the jumper wire. GO to C8.

No
REMOVE the jumper wire. REPAIR the circuit for an open. TEST the system for normal operation.

-------------------------------------------------
C8 CHECK THE RIGHT REAR DOOR CENTER LATCH LOCK CIRCUIT FOR AN OPEN


NOTE: The GEM only supplies voltage to the actuator momentarily. It is important to monitor the meter while pushing the door lock lever.

- While pushing the door lock lever to the LOCK position, measure the voltage between the cargo door lock actuator C4120-2, circuit 33-AA27 (BK), harness side and ground.




- Is the voltage momentarily greater than 10 volts?

Yes
INSTALL a new right rear door center latch. REFER to Rear Door Latch - Center, RH Rear Door Latch - Center, RH. TEST the system for normal operation.

No
REPAIR the circuit for an open. TEST the system for normal operation.

-------------------------------------------------
C9 CHECK THE GEM FOR CORRECT OPERATION


- Disconnect all the GEM connectors.
- Check for:
- corrosion
- damaged pins
- pushed-out pins
- Connect all the GEM connectors and make sure they seat correctly.
- Operate the system and verify the concern is still present.
- Is the concern still present?

Yes
INSTALL a new GEM. REFER to Body Control Systems. TEST the system for normal operation.

No
The system is operating correctly at this time. The concern may have been caused by a loose or corroded connector.

-------------------------------------------------