Operation CHARM: Car repair manuals for everyone.
Manuals through 2025 now available!

Our trusted friends have launched a new website named LEMON, which has newer manuals. It also contains all the CHARM manuals.

LEMON is the spiritual successor to CHARM, I recommend you try it!

Link: lemon-manuals.la or lemon-manuals.org.ua

(Some people have issue connecting. LEMON is investigating. For now, use Firefox or change your DNS server)

Or, hide this message: temporarily or permanently

Pinpoint Test B: DTC P1572:00 Or DTC P1703:00




Cruise Control

Pinpoint Tests

Pinpoint Test B: DTC P1572:00 Or DTC P1703:00

Refer to Wiring Diagram Set 31, Cruise Control for schematic and connector information. Diagrams By Number

Normal Operation

When the brake pedal is applied, the normally open stoplamp switch closes and sends a voltage to the PCM disengaging the cruise control.

The normally closed cruise control deactivator switch (part of the stoplamp switch), opens and removes the voltage signal to the PCM when the brake pedal is applied firmly. This is a redundant cruise control deactivation signal to the PCM.

- DTC P1572:00 (Brake Pedal Switch Circuit: No Sub Type Information) - sets when the PCM does not sense the correct sequence of the brake pedal input signal from both the cruise control deactivator and stoplamp switches when the brake pedal is pressed and released.
- DTC P1703:00 (Brake Switch Out of Self-Test Range: No Sub Type Information) - sets when there is an open or short in the deactivator switch circuits or when there is an open or short in the stoplamp circuits when the PCM self-test is carried out.

This pinpoint test is intended to diagnose the following:

- Wiring, terminals or connectors
- Stoplamp switch
- PCM



PINPOINT TEST B: DTC P1572:00 OR DTC P1703:00

NOTICE: Use the correct probe adapter(s) when making measurements. Failure to use the correct probe adapter(s) may damage the connector.

-------------------------------------------------
B1 CHECK FOR ABS MODULE DTCs


- Review the recorded DTCs from the ABS module self-test.
- Are any DTCs recorded?

Yes
REFER to Antilock Brakes / Traction Control Systems. REPAIR all ABS module DTCs. TEST the system for normal operation.

No
GO to B2.

-------------------------------------------------
B2 CHECK THE OPERATION OF THE STOPLAMPS


- Ignition ON.
- Operate the stoplamps.
- Do the stoplamps and high mounted stoplamp operate correctly?

Yes
GO to B3.

No
REFER to Lighting and Horns to continue diagnosis of the stoplamps.

-------------------------------------------------
B3 CHECK THE STOPLAMP SWITCH (BOO1 AND BOO2) PIDs


- Enter the following diagnostic mode on the scan tool: PCM DataLogger.
- Monitor the PCM brake pedal top travel PID (BOO1) and the PCM brake pedal bottom travel PID (BOO2) while applying and releasing the brake pedal as follows:





- Do the PID values agree with the brake pedal positions?

Yes
GO to B7.

No
For an incorrect BOO1 PID value, GO to B4.

For an incorrect BOO2 PID value, GO to B5.

-------------------------------------------------
B4 CHECK THE STOPLAMP SWITCH CIRCUIT FOR AN OPEN


- Ignition OFF.
- Disconnect: PCM C175b.
- Ignition ON.
- While applying the brake pedal, measure the voltage between the PCM C175b-13, circuit 15S-LG23 (GN/WH), harness side and ground.




- Is the voltage greater than 10 volts with the brake pedal applied?

Yes
GO to B7.

No
REPAIR the circuit. CLEAR the DTCs. TEST the system for normal operation.

-------------------------------------------------
B5 CHECK THE CRUISE CONTROL DEACTIVATOR SWITCH VOLTAGE SUPPLY CIRCUIT


- Ignition OFF.
- Disconnect: Stoplamp Switch C278.
- Ignition ON.
- Measure the voltage between the stoplamp switch C278-2, circuit 30-LG45 (RD), harness side and ground.




- Is the voltage greater than 10 volts?

Yes
GO to B6.

No
REPAIR the circuit for an open. CLEAR the DTCs. TEST the system for normal operation.

-------------------------------------------------
B6 CHECK THE CRUISE CONTROL DEACTIVATOR SWITCH INPUT TO THE PCM FOR AN OPEN


- Ignition OFF.
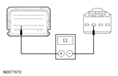
- Measure the resistance between the PCM C175b-46, circuit 91S-PG6 (BK/YE), harness side and the stoplamp switch C278-3, circuit 91S-PG6 (BK/YE), harness side.




- Is the resistance less than 5 ohms?

Yes
INSTALL a new stoplamp switch. CLEAR the DTCs. TEST the system for normal operation.

No
REPAIR the circuit for an open. CLEAR the DTCs. TEST the system for normal operation.

-------------------------------------------------
B7 CHECK FOR CORRECT PCM OPERATION


- Connect: All Disconnected Connectors.
- Disconnect all the PCM connectors.
- Check for:
- corrosion
- damaged pins
- pushed-out pins
- Connect all the PCM connectors and make sure they seat correctly.
- Operate the system and verify the concern is still present.
- Is the concern still present?

Yes
INSTALL a new PCM. REFER to Computers and Control Systems. TEST the system for normal operation.

No
The system is operating correctly at this time. The concern may have been caused by a loose or corroded connector. CLEAR the DTCs. REPEAT the self-test.

-------------------------------------------------