Operation CHARM: Car repair manuals for everyone.
Manuals through 2025 now available!

Our trusted friends have launched a new website named LEMON, which has newer manuals. It also contains all the CHARM manuals.

LEMON is the spiritual successor to CHARM, I recommend you try it!

Link: lemon-manuals.la or lemon-manuals.org.ua

(Some people have issue connecting. LEMON is investigating. For now, use Firefox or change your DNS server)

Or, hide this message: temporarily or permanently

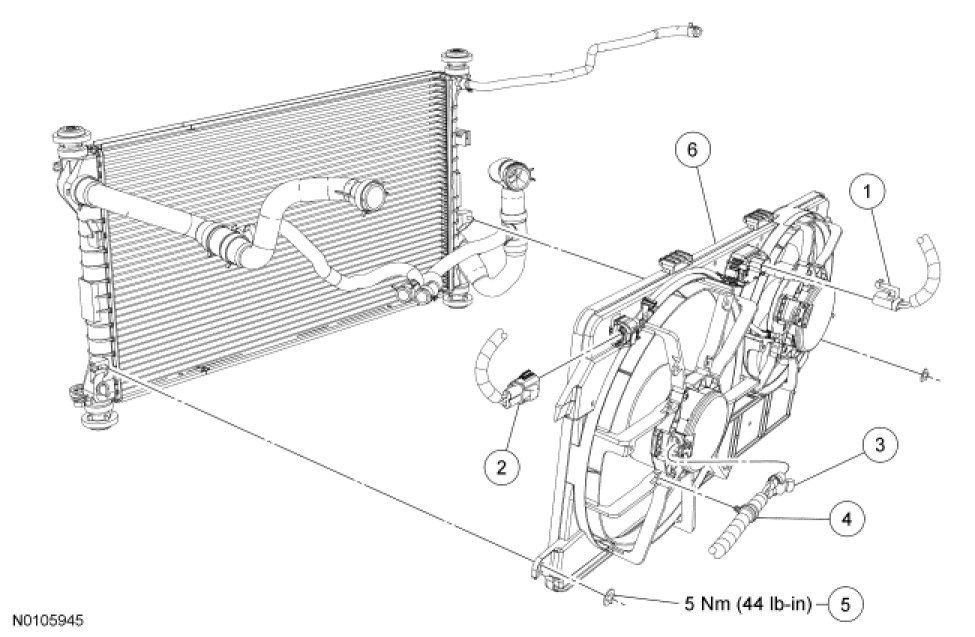
Fan Shroud: Service and Repair




Cooling Fan Motor and Shroud









Removal and Installation

1. With the vehicle in NEUTRAL, position it on a hoist. For additional information, refer to Vehicle Jacking and Lifting.

2. Disconnect the cooling fan motor and shroud resistor electrical connector.

3. Disconnect the RH and LH cooling fan motor electrical connector.
- Detach the LH cooling fan motor wiring harness pin-type retainer.

4. Remove the 2 nuts and the cooling fan motor and shroud.
- To install, tighten to 5 Nm (44 lb-in).

5. To install, reverse the removal procedure.