Operation CHARM: Car repair manuals for everyone.
Manuals through 2025 now available!

Our trusted friends have launched a new website named LEMON, which has newer manuals. It also contains all the CHARM manuals.

LEMON is the spiritual successor to CHARM, I recommend you try it!

Link: lemon-manuals.la or lemon-manuals.org.ua

(Some people have issue connecting. LEMON is investigating. For now, use Firefox or change your DNS server)

Or, hide this message: temporarily or permanently

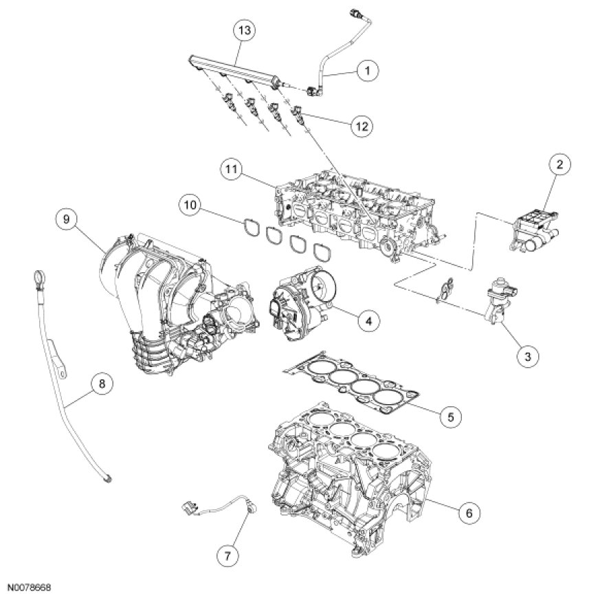
Part 1




Engine



















Lower Engine Block (View 1)











Lower Engine Block (View 2)











Front Engine Block











Cylinder Head











Intake Manifold










NOTICE: Do not loosen or remove the crankshaft pulley bolt without first installing the special tools as instructed in this procedure. The crankshaft pulley and the crankshaft timing sprocket are not keyed to the crankshaft. The crankshaft, the crankshaft sprocket and the pulley are fitted together by friction, using diamond washers between the flange faces on each part. For that reason, the crankshaft sprocket is also unfastened if the pulley bolt is loosened. Before any repair requiring loosening or removal of the crankshaft pulley bolt, the crankshaft and camshafts must be locked in place by the special service tools, otherwise severe engine damage can occur.

NOTICE: During engine repair procedures, cleanliness is extremely important. All parts must be thoroughly cleaned and any foreign material, including any material created while cleaning gasket surfaces, that enters the oil passages, coolant passages or the oil pan, can cause engine failure.

NOTE: Assembly of the engine requires various inspections/measurements of the engine components (engine block, crankshaft, connecting rods, pistons and piston rings). These inspections/measurements will aid in determining if the engine components will require replacement. For additional information, refer to Engine.

1. NOTE: If the oil squirters are being reused, they must be installed in the same location as marked during disassembly.

NOTE: The front bulkhead does not have an oil squirter.

Install the 4 oil squirters.

- Tighten to 4 Nm (35 lb-in).





2. Measure each of the crankshaft main bearing journal diameters in at least 2 directions and record the smallest diameter for each journal.





3. Position the main bearing beam in the engine block with the main bearing beam mounted flush with the rear face of the engine block.





4. Using the original main bearing beam bolts, install and tighten the 10 main bearing beam bolts.
- Tighten the bolts in the sequence shown in 3 stages.

- Stage 1: Tighten to 5 Nm (44 lb-in).

- Stage 2: Tighten to 25 Nm (18 lb-ft).

- Stage 3: Tighten an additional 90 degrees.





5. Measure each crankshaft block housing main bearing bore diameter.
- Remove the bolts and the main bearing beam.

- Discard the main bearing beam bolts.





6. Using the chart, select the crankshaft main bearings.





7. NOTICE: The rod cap installation must keep the same orientation as marked during disassembly or engine damage may occur.

Using the original connecting rod cap bolts, install the connecting caps and bolts.

- Tighten the bolts in 2 stages.

- Stage 1: Tighten to 29 Nm (21 lb-ft).

- Stage 2: Tighten an additional 90 degrees.

8. Measure the connecting rod large end bore in 2 directions. Record the smallest measurement for each connecting rod.
- Remove the bolts and the connecting rod cap.

- Discard the connecting rod cap bolts.





9. Measure each of the crankshaft connecting rod bearing journal diameters in at least 2 directions. Record the smallest measurement for each connecting rod journal.





10. Using the chart, select the correct connecting rod bearings for each crankshaft connecting rod journal.





11. NOTE: Before assembling the cylinder block, all sealing surfaces must be free of chips, dirt, paint and foreign material. Also, make sure the coolant and oil passages are clear.

NOTE: If reusing the crankshaft main bearings, install them in their original positions and orientation as noted during disassembly.

NOTE: The center bulkhead is the thrust bearing.

Lubricate the upper crankshaft main bearings with clean engine oil and install the 5 crankshaft main bearings in the cylinder block.





12. NOTE: If reusing the crankshaft main bearings, install them in their original positions and orientation as noted during disassembly.

Lubricate the crankshaft main bearings with clean engine oil and install the 5 crankshaft main bearings in the main bearing beam.





13. Lubricate journals on the crankshaft with clean engine oil.

14. Position the crankshaft in the cylinder block.





15. Lubricate the 10 main bearing beam side fit surfaces (front 2 shown) with clean engine oil.





16. Lubricate the crankshaft bearing journals on the main bearing beam with clean engine oil. Then position the main bearing beam in the engine block with the main bearing beam mounted flush with the rear face of the engine block.





17. NOTE: Lubricate the main bearing beam bolts threads and under the bolt heads with clean engine oil.

NOTE: Position the crankshaft to the rear of the cylinder block, then position the crankshaft to the front of the cylinder block before tightening the main bearing beam bolts.

Install and tighten the 10 main bearing beam bolts.

- Tighten the bolts in the sequence shown in 3 stages.

- Stage 1: Tighten to 5 Nm (44 lb-in).

- Stage 2: Tighten to 25 Nm (18 lb-ft).

- Stage 3: Tighten an additional 90 degrees.





18. Using the Dial Indicator Gauge with Holding Fixture, measure crankshaft end play.
- Position the crankshaft to the rear of the cylinder block.

- Zero the Dial Indicator Gauge with Holding Fixture.

- Move the crankshaft to the front of the cylinder block. Note and record the crankshaft end play.

- Acceptable crankshaft end play is 0.22-0.43 mm (0.008-0.016 in). If the crankshaft end play exceeds the specified range, install new parts as necessary.





19. NOTICE: Be sure not to scratch the cylinder wall or crankshaft journal with the connecting rod. Push the piston down until the connecting rod bearing seats on the crankshaft journal.

NOTE: Lubricate the pistons, piston rings, connecting rod bearings and the entire cylinder bores with clean engine oil.

NOTE: Make sure the piston arrow on top is facing toward the front of the engine.

Using the Piston Ring Compressor and the Connecting Rod Installer, install the piston and connecting rod assemblies.

- When installing the pistons and connecting rod assemblies, the oil ring gaps must be positioned 60 degrees apart from each other and a minimum of 90 degrees from the expander gap.

- The position of the upper and lower compression ring gaps are not controlled for installation.





20. NOTICE: The rod cap installation must keep the same orientation as marked during disassembly or engine damage may occur.

NOTE: Install connecting rod caps and bolts on the connecting rods for cylinders 1 and 4 first and tighten. Then rotate crankshaft 180 degrees and install connecting rod caps and bolts on connecting rods for cylinders 2 and 3 and tighten.

NOTE: After installation of each connecting rod cap, rotate the crankshaft to verify smooth operation.

Install the connecting rod caps and bolts.

- Tighten the bolts in 2 stages.

- Stage 1: Tighten to 29 Nm (21 lb-ft).

- Stage 2: Tighten an additional 90 degrees.





21. NOTICE: Failure to position the No. 1 piston at Top Dead Center (TDC) can result in damage to the engine. Turn the engine in the normal direction of rotation only.

Turn the crankshaft clockwise to position the No. 1 piston at Top Dead Center (TDC).

22. NOTE: The Crankshaft TDC Timing Peg will contact the crankshaft and prevent it from turning past TDC. However, the crankshaft can still be rotated in the counterclockwise direction. The crankshaft must remain at the TDC position until the timing drive components and crankshaft pulley are installed. Install the Crankshaft TDC Timing Peg.





23. NOTE: Clean the oil pump and cylinder block mating surfaces with metal surface prep.

Install the oil pump assembly. Tighten the 4 bolts in the sequence shown in 2 stages.

- Stage 1: Tighten to 10 Nm (89 lb-in).

- Stage 2: Tighten to 20 Nm (177 lb-in).





24. Using a new oil pump pickup tube gasket, install the pickup tube and bolts.
- Tighten to 10 Nm (89 lb-in).





25. Using the Crankshaft Rear Main Oil Seal Installer, install the crankshaft rear seal.





26. Tighten the 6 crankshaft rear seal with retainer plate bolts in the sequence shown.
- Tighten to 10 Nm (89 lb-in).





27. NOTICE: Do not use metal scrapers, wire brushes, power abrasive discs or other abrasive means to clean the sealing surfaces. These tools cause scratches and gouges, which make leak paths. Use a plastic scraping tool to remove traces of sealant.

Clean and inspect all mating surfaces.

28. NOTE: If the oil pan is not secured within 4 minutes of sealant application, the sealant must be removed and the sealing area cleaned with metal surface prep. Allow to dry until there is no sign of wetness, or 4 minutes, whichever is longer. Failure to follow this procedure can cause future oil leakage.

Apply a 2.5 mm (0.09 in) bead of silicone gasket and sealant to the oil pan-to-engine block and to the oil pan-to-engine front cover mating surface.





29. Install the oil pan. Install the 2 oil pan bolts finger-tight.





30. Using a suitable straight edge, align the front surface of the oil pan flush with the front surface of the engine block.