Operation CHARM: Car repair manuals for everyone.
Manuals through 2025 now available!

Our trusted friends have launched a new website named LEMON, which has newer manuals. It also contains all the CHARM manuals.

LEMON is the spiritual successor to CHARM, I recommend you try it!

Link: lemon-manuals.la or lemon-manuals.org.ua

(Some people have issue connecting. LEMON is investigating. For now, use Firefox or change your DNS server)

Or, hide this message: temporarily or permanently

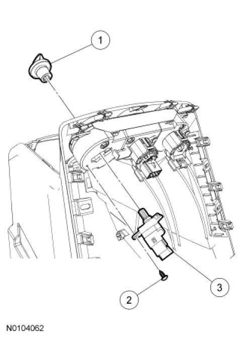
Blower Motor Switch




Blower Motor Switch









Removal and Installation

1. Remove the floor console. For additional information, refer to Instrument Cluster / Carrier &/or Interior Moulding / Trim.

2. Remove the blower motor switch knob.

3. Remove the blower motor switch screw.

4. Rotate the blower motor switch to disengage it from the climate control assembly and remove the blower motor switch.

5. To install, reverse the removal procedure.