Operation CHARM: Car repair manuals for everyone.
Manuals through 2025 now available!

Our trusted friends have launched a new website named LEMON, which has newer manuals. It also contains all the CHARM manuals.

LEMON is the spiritual successor to CHARM, I recommend you try it!

Link: lemon-manuals.la or lemon-manuals.org.ua

(Some people have issue connecting. LEMON is investigating. For now, use Firefox or change your DNS server)

Or, hide this message: temporarily or permanently

Pinpoint Test L: The Blower Motor Is Inoperative




Climate Control System

Pinpoint Tests

Pinpoint Test L: The Blower Motor Is Inoperative

Refer to Wiring Diagram Set 54, Manual Climate Control System for schematic and connector information. Diagrams By Number

Normal Operation

Under normal operation, the blower motor relay switch is provided voltage. The blower motor relay coil is provided ground. When the relay coil is provided voltage by the ignition switch, the relay is energized and voltage is delivered to the blower motor. Ground for the blower motor is provided from the blower resistor or the blower switch (in HI only). The blower switch is grounded.

This pinpoint test is intended to diagnose the following:
- Fuse
- Wiring, terminals or connectors
- Blower motor
- Blower motor switch
- Blower relay



PINPOINT TEST L: THE BLOWER MOTOR IS INOPERATIVE

-------------------------------------------------
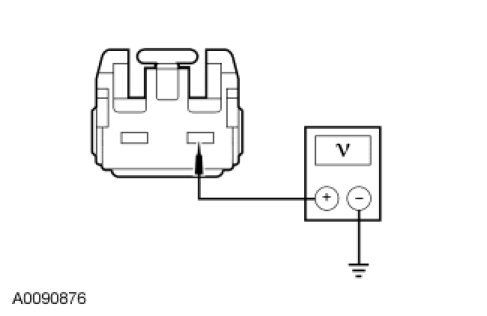
L1 CHECK THE GROUND TO THE BLOWER MOTOR


- Ignition OFF.
- Disconnect: Blower Motor C2004 .
- Measure the resistance between blower motor C2004-2, circuit 31S-FA18 (BK/RD), harness side and ground.




- Turn the blower switch to HIGH.
- Is the resistance less than 5 ohms?

Yes
GO to L3.

No
GO to L2.

-------------------------------------------------
L2 CHECK THE GROUND TO THE BLOWER MOTOR SWITCH


- Disconnect: Blower Motor Switch C271 .
- Measure the resistance between blower motor switch C271-2, circuit 31-FA25 (BK), harness side and ground.




- Is the resistance less than 5 ohms?

Yes
INSTALL a new blower motor switch. TEST the system for normal operation.

No
REPAIR circuit 31-FA25 (BK) for an open. TEST the system for normal operation.

-------------------------------------------------
L3 CHECK THE VOLTAGE ON CIRCUIT 15-FA18 (GN/OG)


- Ignition ON.
- Measure the voltage between blower motor C288-1, circuit 15-FA18 (GN/OG), harness side and ground.




- Is the voltage greater than 10 volts?

Yes
INSTALL a new blower motor. TEST the system for normal operation.

No
CARRY OUT the blower motor relay component test. If the relay tests OK, GO to L4.

-------------------------------------------------
L4 CHECK THE VOLTAGE TO THE BLOWER MOTOR RELAY


- Ignition OFF.
- Disconnect: Blower Motor Relay .
- Ignition ON.
- Measure the voltage between ground and:
- blower motor relay pin 85, circuit 15-DA1J (GN/YE).
- blower motor relay pin 30, circuit 15-FA18 (GN/OG).




- Are the voltages greater than 10 volts?

Yes
GO to L5

No
VERIFY Battery Junction Box (BJB) fuse 13 (30A) is OK. If OK, REPAIR circuit 15-DA1J (GN/YE) or 15-FA18 (GN/OG) for an open. TEST the system for normal operation. If not OK, REFER to the Wiring Diagrams to identify the possible causes of the circuit short. Diagrams By Number

-------------------------------------------------
L5 CHECK THE GROUND TO THE BLOWER MOTOR RELAY


- Ignition OFF.
- Measure the resistance between ground and blower motor relay pin 86, circuit 91-DA6 (BK/WH).




- Is the resistance less than 5 ohms?

Yes
REPAIR circuit 15-FA18 (GN/OG) for an open. TEST the system for normal operation.

No
REPAIR circuit 91-DA6 (BK/WH) for an open. TEST the system for normal operation.

-------------------------------------------------