Operation CHARM: Car repair manuals for everyone.
Manuals through 2025 now available!

Our trusted friends have launched a new website named LEMON, which has newer manuals. It also contains all the CHARM manuals.

LEMON is the spiritual successor to CHARM, I recommend you try it!

Link: lemon-manuals.la or lemon-manuals.org.ua

(Some people have issue connecting. LEMON is investigating. For now, use Firefox or change your DNS server)

Or, hide this message: temporarily or permanently

Pinpoint Test D: The Parking Aid Module (PAM) Does Not Respond To The Scan Tool Or No ISO Communication




Communications Network

Pinpoint Tests

Pinpoint Test D: The Parking Aid Module (PAM) Does Not Respond To The Scan Tool Or No ISO Communication

Refer to Wiring Diagram Set 14, Module Communications Network for schematic and connector information. Diagrams By Number

Refer to Wiring Diagram Set 131, Parking Aid for schematic and connector information. Diagrams By Number

Normal Operation

The PAM communicates with the scan tool through the ISO communications network.

This pinpoint test is intended to diagnose the following:

- Fuse
- Wiring, terminals or connectors
- PAM



PINPOINT TEST D: THE PAM DOES NOT RESPOND TO THE SCAN TOOL OR NO ISO NETWORK COMMUNICATION

NOTICE: Use the correct probe adapter(s) when making measurements. Failure to use the correct probe adapter(s) may damage the connector.

NOTE: Failure to disconnect the battery when instructed will result in false resistance readings. Refer to Battery.

-------------------------------------------------
D1 CHECK THE PAM VOLTAGE SUPPLY CIRCUIT FOR AN OPEN


- Ignition OFF.
- Disconnect: PAM C2023.
- Ignition ON.
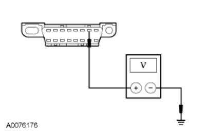
- Measure the voltage between the PAM C2023-1, circuit 15-GN10 (GN/YE), harness side and ground.




- Is the voltage greater than 10 volts?

Yes
GO to D2.

No
VERIFY the Central Junction Box (CJB) fuse 152 (7.5A) is OK. If OK, REPAIR the circuit. CLEAR the DTCs. REPEAT the network test with the scan tool.

-------------------------------------------------
D2 CHECK THE PAM GROUND CIRCUIT FOR AN OPEN


- Ignition OFF.
- Disconnect: Negative Battery Cable.
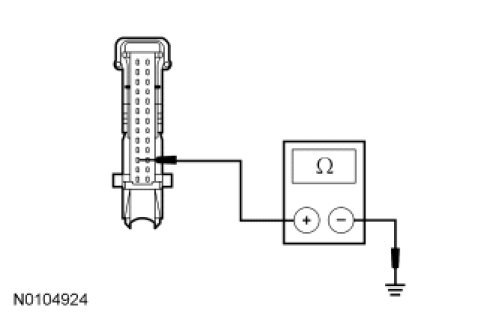
- Measure the resistance between the PAM C2023-3, circuit 91-GN10 (BK/YE), harness side and ground.




- Is the resistance less than 5 ohms?

Yes
CONNECT the negative battery cable. GO to D3.

No
REPAIR the circuit. CONNECT the negative battery cable. CLEAR the DTCs. REPEAT the network test with the scan tool.

-------------------------------------------------
D3 CHECK THE ISO CIRCUIT FOR A SHORT TO VOLTAGE


- Ignition ON.
- Measure the voltage between the DLC C251-7, circuit 8-EE13 (WH/RD), harness side and ground.




- Is any voltage present?

Yes
REPAIR the circuit. CLEAR the DTCs. REPEAT the network test with the scan tool.

No
GO to D4.

-------------------------------------------------
D4 CHECK THE ISO CIRCUIT FOR A SHORT TO GROUND


- Ignition OFF.
- Measure the resistance between the DLC C251-7, circuit 8-EE13 (WH/RD), harness side and ground.




- Is the resistance greater than 10,000 ohms?

Yes
GO to D5.

No
REPAIR the circuit. CLEAR the DTCs. REPEAT the network test with the scan tool.

-------------------------------------------------
D5 CHECK THE ISO CIRCUIT BETWEEN THE PAM AND THE DLC FOR AN OPEN


- Measure the resistance between the PAM C2023-5, circuit 8-EE13 (WH/RD), harness side and the DLC C251-7, circuit 8-EE13 (WH/RD), harness side.




- Is the resistance less than 5 ohms?

Yes
GO to D6.

No
REPAIR the circuit. CLEAR the DTCs. REPEAT the network test with the scan tool.

-------------------------------------------------
D6 CHECK FOR CORRECT PAM OPERATION


- Disconnect the PAM connector.
- Check for:
- corrosion
- damaged pins
- pushed-out pins
- Connect the PAM connector and make sure it seats correctly.
- Operate the system and verify the concern is still present.
- Is the concern still present?

Yes
INSTALL a new PAM. REFER to Collision Avoidance and Parking Assist Systems. CLEAR the DTCs. REPEAT the network test with the scan tool.

No
The system is operating correctly at this time. The concern may have been caused by a loose or corroded connector.

-------------------------------------------------