Operation CHARM: Car repair manuals for everyone.
Manuals through 2025 now available!

Our trusted friends have launched a new website named LEMON, which has newer manuals. It also contains all the CHARM manuals.

LEMON is the spiritual successor to CHARM, I recommend you try it!

Link: lemon-manuals.la or lemon-manuals.org.ua

(Some people have issue connecting. LEMON is investigating. For now, use Firefox or change your DNS server)

Or, hide this message: temporarily or permanently

Pinpoint Test I: The Tire Pressure Monitoring System (TPMS) Module Does Not Respond To The Scan Tool




Communications Network

Pinpoint Tests

Pinpoint Test I: The Tire Pressure Monitoring System (TPMS) Module Does Not Respond To The Scan Tool

Refer to Wiring Diagram Set 14, Module Communications Network for schematic and connector information. Diagrams By Number

Refer to Wiring Diagram Set 118, Tire Pressure Monitor System for schematic and connector information. Diagrams By Number

Normal Operation

The Tire Pressure Monitoring System (TPMS) module communicates with the scan tool through the Medium Speed Controller Area Network (MS-CAN).

This pinpoint test is intended to diagnose the following:

- Fuse
- Wiring, terminals or connectors
- TPMS module



PINPOINT TEST I: THE TPMS MODULE DOES NOT RESPOND TO THE SCAN TOOL

NOTICE: Use the correct probe adapter(s) when making measurements. Failure to use the correct probe adapter(s) may damage the connector.

NOTE: Failure to disconnect the battery when instructed will result in false resistance readings. Refer to Battery.

-------------------------------------------------
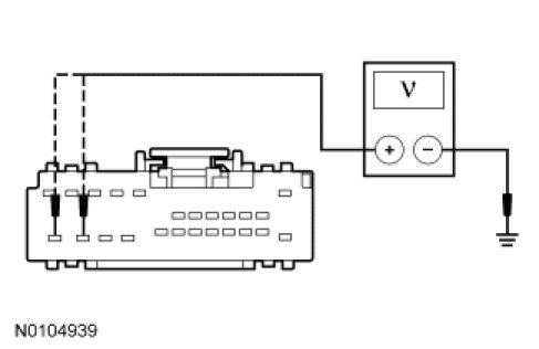
I1 CHECK THE TPMS MODULE VOLTAGE SUPPLY CIRCUIT FOR AN OPEN


- Ignition OFF.
- Disconnect: Tire Pressure Monitoring System (TPMS) Module C2409a.
- Ignition ON.
- Measure the voltage between the TPMS module C2409a-23, circuit 15-WA6 (GN/YE), harness side and ground; and between the TPMS module C2409a-24, circuit 30-WA6 (RD), harness side and ground.




- Is the voltage greater than 10 volts?

Yes
GO to I2.

No
VERIFY the Central Junction Box (CJB) fuse 179 (7.5A) or the Battery Junction Box (BJB) fuse 19 (20A) is OK. If OK, REPAIR the circuit. If not OK, REFER to the Wiring Diagrams to identify the possible causes of the circuit short. CLEAR the DTCs. REPEAT the network test with the scan tool. Diagrams By Number

-------------------------------------------------
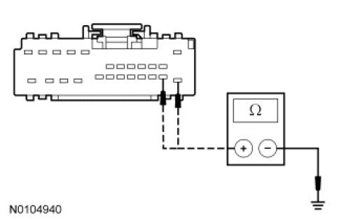
I2 CHECK THE TPMS MODULE GROUND CIRCUIT FOR AN OPEN


- Ignition OFF.
- Disconnect: Negative Battery Cable.
- Measure the resistance between the TPMS module C2409a-13, circuit 31-WA1 (BK), harness side and ground; and between the TPMS module C2409a-14, circuit 91-WA1 (BK/BU), harness side and ground.




- Is the resistance less than 5 ohms?

Yes
GO to I3.

No
REPAIR the circuit. CONNECT the negative battery cable. CLEAR the DTCs. REPEAT the network test with the scan tool.

-------------------------------------------------
I3 CHECK THE MS-CAN CIRCUITS BETWEEN THE TPMS MODULE AND THE DLC FOR AN OPEN


- Disconnect: TPMS Module C2409b.
- Measure the resistance between the TPMS module C2409b-1, circuit 4-WA6 (GY), harness side and the DLC C251-3, circuit 4-EC1 (GY/RD)/4-EC13 (GY/VT)/4-EC14 (GY/OG), harness side.




- Measure the resistance between the TPMS module C2409b-2, circuit 5-WA6 (BU), harness side and the DLC C251-11, circuit 5-EC1 (BU/RD)/5-EC13 (BU/WH)/5-EC14 (BU/BK), harness side.




- Are the resistances less than 5 ohms?

Yes
CONNECT the negative battery cable. GO to I4.

No
REPAIR the circuit. CONNECT the negative battery cable. CLEAR the DTCs. REPEAT the network test with the scan tool.

-------------------------------------------------
I4 CHECK FOR CORRECT TPMS MODULE OPERATION


- Disconnect all the TPMS module connectors.
- Check for:
- corrosion
- damaged pins
- pushed-out pins
- Connect all the TPMS module connectors and make they seat correctly.
- Verify the concern is still present.
- Is the concern still present?

Yes
INSTALL a new TPMS module. REFER to Wheels and Tires. CLEAR the DTCs. REPEAT the network test with the scan tool.

No
The system is operating correctly at this time. The concern may have been caused by a loose or corroded connector.

-------------------------------------------------