Operation CHARM: Car repair manuals for everyone.
Manuals through 2025 now available!

Our trusted friends have launched a new website named LEMON, which has newer manuals. It also contains all the CHARM manuals.

LEMON is the spiritual successor to CHARM, I recommend you try it!

Link: lemon-manuals.la or lemon-manuals.org.ua

(Some people have issue connecting. LEMON is investigating. For now, use Firefox or change your DNS server)

Or, hide this message: temporarily or permanently

Pinpoint Test K: No Medium Speed Controller Area Network (MS-CAN) Communication, All Modules Are Not Responding




Communications Network

Pinpoint Tests

Pinpoint Test K: No Medium Speed Controller Area Network (MS-CAN) Communication, All Modules Are Not Responding

Refer to Wiring Diagram Set 14, Module Communications Network for schematic and connector information. Diagrams By Number

Normal Operation

The Medium Speed Controller Area Network (MS-CAN) uses an unshielded twisted pair cable, circuits 4-EC1 (GY/RD)/4-EC13 (GY/VT)/4-EC14 (GY/OG) and 5-EC1 (BU/RD)/5-EC13 (BU/WH)/5-EC14 (BU/BK). The Instrument Cluster (IC), while on the MS-CAN, communicates with the scan tool only on the High Speed Controller Area Network (HS-CAN).

This pinpoint test is intended to diagnose the following:

- Data Link Connector (DLC)
- Wiring, terminals or connectors
- Audio Control Module (ACM)
- Generic Electronic Module (GEM)
- IC
- Occupant Classification System Module (OCSM)
- Restraints Control Module (RCM)
- Speech Recognition Module (SRM) (if equipped)
- Tire Pressure Monitoring System (TPMS) module



PINPOINT TEST K: NO MS-CAN COMMUNICATION, ALL MODULES ARE NOT RESPONDING

NOTICE: Use the correct probe adapter(s) when making measurements. Failure to use the correct probe adapter(s) may damage the connector.

NOTE: Most faults are due to connector and/or wiring concerns. Carry out a thorough inspection and verification before proceeding with the Pinpoint Test. Inspection and Verification

NOTE: Failure to disconnect the battery when instructed will result in false resistance readings. Refer to Battery.

-------------------------------------------------
K1 CHECK THE DLC PINS FOR DAMAGE


- Ignition OFF.
- Disconnect the scan tool cable from the Data Link Connector (DLC).
- Inspect DLC pins 3 and 11 for damage.




- Are DLC pins 3 and 11 OK?

Yes
GO to K2.

No
REPAIR the DLC as necessary. CLEAR the DTCs. REPEAT the network test with the scan tool.

-------------------------------------------------
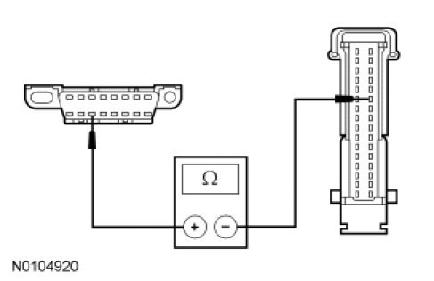
K2 CHECK THE MS-CAN TERMINATION RESISTANCE


- Disconnect: Negative Battery Cable.
- Measure the resistance between the DLC C251-3, circuit 4-EC1 (GY/RD)/4-EC13 (GY/VT)/4-EC14 (GY/OG), harness side and the DLC C251-11, circuit 5-EC1 (BU/RD)/5-EC13 (BU/WH)/5-EC14 (BU/BK), harness side.




- Is the resistance between 36 and 44 ohms?

Yes
GO to K3.

No
GO to K5.

-------------------------------------------------
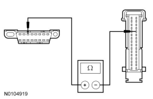
K3 CHECK THE MS-CAN (+) AND MS-CAN (-) CIRCUITS FOR A SHORT TO GROUND


- Measure the resistance between the DLC C251-3, circuit 4-EC1 (GY/RD)/4-EC13 (GY/VT)/4-EC14 (GY/OG), harness side and ground; and between the DLC C251-11, circuit 5-EC1 (BU/RD)/5-EC13 (BU/WH)/5-EC14 (BU/BK), harness side and ground.




- Are the resistances greater than 1,000 ohms?

Yes
CONNECT the negative battery cable. GO to K4.

No
GO to K18.

-------------------------------------------------
K4 CHECK THE MS-CAN (+) AND MS-CAN (-) CIRCUITS FOR A SHORT TO VOLTAGE


- Ignition ON.
- Measure the voltage between the DLC C251-3, circuit 4-EC1 (GY/RD)/4-EC13 (GY/VT)/4-EC14 (GY/OG), harness side and ground; and between the DLC C251-11, circuit 5-EC1 (BU/RD)/5-EC13 (BU/WH)/5-EC14 (BU/BK), harness side and ground.




- Is the voltage greater than 6 volts?

Yes
REPAIR the circuit. CLEAR the DTCs. REPEAT the network test with the scan tool.

No
The CAN has tested within specifications. GO to Pinpoint Test L to diagnose the intermittent MS-CAN fault. Pinpoint Test L: Intermittent No Medium Speed Controller Area Network (MS-CAN) Communication, One Or More Modules Are Not Respo

-------------------------------------------------
K5 CHECK THE MS-CAN TERMINATION RESISTOR


- Measure the resistance between the DLC C251-3, circuit 4-EC1 (GY/RD)/4-EC13 (GY/VT)/4-EC14 (GY/OG), harness side and the DLC C251-11, circuit 5-EC1 (BU/RD)/5-EC13 (BU/WH)/5-EC14 (BU/BK), harness side.




- Is the resistance between 54 and 66 ohms?

Yes
GO to K6.

No
GO to K9.

-------------------------------------------------
K6 CHECK THE MS-CAN TERMINATION RESISTOR WITH THE GEM DISCONNECTED


- Disconnect: GEM C201b.
- Measure the resistance between the DLC C251-3, circuit 4-EC1 (GY/RD)/4-EC13 (GY/VT)/4-EC14 (GY/OG), harness side and the DLC C251-11, circuit 5-EC1 (BU/RD)/5-EC13 (BU/WH)/5-EC14 (BU/BK), harness side.




- Is the resistance between 54 and 66 ohms?

Yes
GO to K7.

No
GO to K8.

-------------------------------------------------
K7 CHECK THE MS-CAN CIRCUITS BETWEEN THE GEM AND THE DLC FOR AN OPEN


- Measure the resistance between the GEM C201b-23, circuit 4-EC14 (GY/OG), harness side and the DLC C251-3, circuit 4-EC1 (GY/RD)/4-EC13 (GY/VT)/4-EC14 (GY/OG), harness side.




- Measure the resistance between the GEM C201b-22, circuit 5-EC14 (BU/BK), harness side and the DLC C251-11, circuit 5-EC1 (BU/RD)/5-EC13 (BU/WH)/5-EC14 (BU/BK), harness side.




- Are the resistances less than 5 ohms?

Yes
CONNECT the negative battery cable. GO to K25.

No
REPAIR the circuit in question. CONNECT the negative battery cable. CLEAR the DTCs. REPEAT the network test with the scan tool.

-------------------------------------------------
K8 CHECK THE MS-CAN CIRCUITS BETWEEN THE DLC AND THE IC FOR AN OPEN


- Disconnect: IC C220b.
- Measure the resistance between the DLC C251-3, circuit 4-EC1 (GY/RD)/4-EC13 (GY/VT)/4-EC14 (GY/OG), harness side and the IC C220b-21, circuit 4-EC13 (GY/VT), harness side.




- Measure the resistance between the DLC C251-11, circuit 5-EC1 (BU/RD)/5-EC13 (BU/WH)/5-EC14 (BU/BK), harness side and the IC C220b-22, circuit 5-EC13 (BU/WH), harness side.




- Are the resistances less than 5 ohms?

Yes
CONNECT the negative battery cable. GO to K31.

No
REPAIR the circuit in question. CONNECT the negative battery cable. CLEAR the DTCs. REPEAT the network test with the scan tool.

-------------------------------------------------
K9 CHECK THE MS-CAN (+) AND MS-CAN (-) CIRCUITS FOR A SHORT TOGETHER


- Measure the resistance between the DLC C251-3, circuit 4-EC1 (GY/RD)/4-EC13 (GY/VT)/4-EC14 (GY/OG), harness side and the DLC C251-11, circuit 5-EC1 (BU/RD)/5-EC13 (BU/WH)/5-EC14 (BU/BK), harness side.




- Is the resistance less than 5 ohms?

Yes
GO to K11.

No
GO to K10.

-------------------------------------------------
K10 CHECK THE MS-CAN (+) AND MS-CAN (-) CIRCUITS FOR AN OPEN


- Measure the resistance between the DLC C251-3, circuit 4-EC1 (GY/RD)/4-EC13 (GY/VT)/4-EC14 (GY/OG), harness side and the DLC C251-11, circuit 5-EC1 (BU/RD)/5-EC13 (BU/WH)/5-EC14 (BU/BK), harness side.




- Is the resistance greater than 10,000 ohms?

Yes
REPAIR the DLC or REPAIR the circuit in question. CONNECT all modules. CONNECT the negative battery cable. CLEAR the DTCs. REPEAT the network test with the scan tool.

No
A capacitor internal to a module may still be draining causing irregular resistance readings. WAIT 5 minutes. REPEAT the pinpoint test.

-------------------------------------------------
K11 CHECK THE MS-CAN (+) AND MS-CAN (-) CIRCUITS FOR A SHORT TOGETHER WITH THE GEM DISCONNECTED


- Disconnect: Generic Electronic Module (GEM) C201b.
- Measure the resistance between the DLC C251-3, circuit 4-EC1 (GY/RD)/4-EC13 (GY/VT)/4-EC14 (GY/OG), harness side and the DLC C251-11, circuit 5-EC1 (BU/RD)/5-EC13 (BU/WH)/5-EC14 (BU/BK), harness side.




- Is the resistance less than 5 ohms?

Yes
GO to K12.

No
CONNECT the negative battery cable. GO to K25.

-------------------------------------------------
K12 CHECK THE MS-CAN (+) AND MS-CAN (-) CIRCUITS FOR A SHORT TOGETHER WITH THE RCM DISCONNECTED


- Disconnect: RCM C310a.
- Measure the resistance between the DLC C251-3, circuit 4-EC1 (GY/RD)/4-EC13 (GY/VT)/4-EC14 (GY/OG), harness side and the DLC C251-11, circuit 5-EC1 (BU/RD)/5-EC13 (BU/WH)/5-EC14 (BU/BK), harness side.




- Is the resistance less than 5 ohms?

Yes
GO to K13.

No
CONNECT the negative battery cable. GO to K26.

-------------------------------------------------
K13 CHECK THE MS-CAN (+) AND MS-CAN (-) CIRCUITS FOR A SHORT TOGETHER WITH THE OCSM DISCONNECTED


- Disconnect: OCSM C3159.
- Measure the resistance between the DLC C251-3, circuit 4-EC1 (GY/RD)/4-EC13 (GY/VT)/4-EC14 (GY/OG), harness side and the DLC C251-11, circuit 5-EC1 (BU/RD)/5-EC13 (BU/WH)/5-EC14 (BU/BK), harness side.




- Is the resistance less than 5 ohms?

Yes
GO to K14.

No
CONNECT the negative battery cable. GO to K27.

-------------------------------------------------
K14 CHECK THE MS-CAN (+) AND MS-CAN (-) CIRCUITS FOR A SHORT TOGETHER WITH THE TPMS MODULE DISCONNECTED


- Disconnect: Tire Pressure Monitoring System (TPMS) Module C2409b.
- Measure the resistance between the DLC C251-3, circuit 4-EC1 (GY/RD)/4-EC13 (GY/VT)/4-EC14 (GY/OG), harness side and the DLC C251-11, circuit 5-EC1 (BU/RD)/5-EC13 (BU/WH)/5-EC14 (BU/BK), harness side.




- Is the resistance less than 5 ohms?

Yes
GO to K15.

No
CONNECT the negative battery cable. GO to K28.

-------------------------------------------------
K15 CHECK THE MS-CAN (+) AND MS-CAN (-) CIRCUITS FOR A SHORT TOGETHER WITH THE ACM DISCONNECTED


- Disconnect: ACM C240b.
- Measure the resistance between the DLC C251-3, circuit 4-EC1 (GY/RD)/4-EC13 (GY/VT)/4-EC14 (GY/OG), harness side and the DLC C251-11, circuit 5-EC1 (BU/RD)/5-EC13 (BU/WH)/5-EC14 (BU/BK), harness side.




- Is the resistance less than 5 ohms?

Yes
If the vehicle is equipped with a Speech Recognition Module (SRM), GO to K16.

If the vehicle is not equipped with an SRM, GO to K17.

No
CONNECT the negative battery cable. GO to K29.

-------------------------------------------------
K16 CHECK THE MS-CAN (+) AND MS-CAN (-) CIRCUITS FOR A SHORT TOGETHER WITH THE SRM DISCONNECTED


- Disconnect: SRM C2307.
- Measure the resistance between the DLC C251-3, circuit 4-EC1 (GY/RD)/4-EC13 (GY/VT)/4-EC14 (GY/OG), harness side and the DLC C251-11, circuit 5-EC1 (BU/RD)/5-EC13 (BU/WH)/5-EC14 (BU/BK), harness side.




- Is the resistance less than 5 ohms?

Yes
GO to K17.

No
CONNECT the negative battery cable. GO to K30.

-------------------------------------------------
K17 CHECK THE MS-CAN (+) AND MS-CAN (-) CIRCUITS FOR A SHORT TOGETHER WITH THE IC DISCONNECTED


- Disconnect: IC C220b.
- Measure the resistance between the DLC C251-3, circuit 4-EC1 (GY/RD)/4-EC13 (GY/VT)/4-EC14 (GY/OG), harness side and the DLC C251-11, circuit 5-EC1 (BU/RD)/5-EC13 (BU/WH)/5-EC14 (BU/BK), harness side.




- Is the resistance less than 5 ohms?

Yes
REPAIR the circuit. CONNECT all modules. CONNECT the negative battery cable. CLEAR the DTCs. REPEAT the network test with the scan tool.

No
CONNECT the negative battery cable. GO to K31.

-------------------------------------------------
K18 CHECK THE MS-CAN (+) AND MS-CAN (-) CIRCUITS FOR A SHORT TO GROUND WITH THE GEM DISCONNECTED


- Disconnect: Generic Electronic Module (GEM) C201b.
- Measure the resistance between the DLC C251-3, circuit 4-EC1 (GY/RD)/4-EC13 (GY/VT)/4-EC14 (GY/OG), harness side and ground; and between the DLC C251-11, circuit 5-EC1 (BU/RD)/5-EC13 (BU/WH)/5-EC14 (BU/BK), harness side and ground.




- Are the resistances greater than 1,000 ohms?

Yes
CONNECT the negative battery cable. GO to K25.

No
GO to K19.

-------------------------------------------------
K19 CHECK THE MS-CAN (+) AND MS-CAN (-) CIRCUITS FOR A SHORT TO GROUND WITH THE RCM DISCONNECTED


- Disconnect: Restraints Control Module (RCM) C310a.
- Measure the resistance between the DLC C251-3, circuit 4-EC1 (GY/RD)/4-EC13 (GY/VT)/4-EC14 (GY/OG), harness side and ground; and between the DLC C251-11, circuit 5-EC1 (BU/RD)/5-EC13 (BU/WH)/5-EC14 (BU/BK), harness side and ground.




- Are the resistances greater than 1,000 ohms?

Yes
CONNECT the negative battery cable. GO to K26.

No
GO to K20.

-------------------------------------------------
K20 CHECK THE MS-CAN (+) AND MS-CAN (-) CIRCUITS FOR A SHORT TO GROUND WITH THE OCSM DISCONNECTED


- Disconnect: Occupant Classification System Module (OCSM) C3159.
- Measure the resistance between the DLC C251-3, circuit 4-EC1 (GY/RD)/4-EC13 (GY/VT)/4-EC14 (GY/OG), harness side and ground; and between the DLC C251-11, circuit 5-EC1 (BU/RD)/5-EC13 (BU/WH)/5-EC14 (BU/BK), harness side and ground.




- Are the resistances greater than 1,000 ohms?

Yes
CONNECT the negative battery cable. GO to K27.

No
GO to K21.

-------------------------------------------------
K21 CHECK THE MS-CAN (+) AND MS-CAN (-) CIRCUITS FOR A SHORT TO GROUND WITH THE TPMS MODULE DISCONNECTED


- Disconnect: Tire Pressure Monitoring System (TPMS) Module C2409b.
- Measure the resistance between the DLC C251-3, circuit 4-EC1 (GY/RD)/4-EC13 (GY/VT)/4-EC14 (GY/OG), harness side and ground; and between the DLC C251-11, circuit 5-EC1 (BU/RD)/5-EC13 (BU/WH)/5-EC14 (BU/BK), harness side and ground.




- Are the resistances greater than 1,000 ohms?

Yes
CONNECT the negative battery cable. GO to K28.

No
GO to K22.

-------------------------------------------------
K22 CHECK THE MS-CAN (+) AND MS-CAN (-) CIRCUITS FOR A SHORT TO GROUND WITH THE ACM DISCONNECTED


- Disconnect: ACM C240b.
- Measure the resistance between the DLC C251-3, circuit 4-EC1 (GY/RD)/4-EC13 (GY/VT)/4-EC14 (GY/OG), harness side and ground; and between the DLC C251-11, circuit 5-EC1 (BU/RD)/5-EC13 (BU/WH)/5-EC14 (BU/BK), harness side and ground.




- Are the resistances greater than 1,000 ohms?

Yes
CONNECT the negative battery cable. GO to K29.

No
If the vehicle is equipped with a Speech Recognition Module (SRM), GO to K23.

If the vehicle is not equipped with an SRM, GO to K24.

-------------------------------------------------
K23 CHECK THE MS-CAN (+) AND MS-CAN (-) CIRCUITS FOR A SHORT TO GROUND WITH THE SRM DISCONNECTED


- Disconnect: SRM C2307.
- Measure the resistance between the DLC C251-3, circuit 4-EC1 (GY/RD)/4-EC13 (GY/VT)/4-EC14 (GY/OG), harness side and ground; and between the DLC C251-11, circuit 5-EC1 (BU/RD)/5-EC13 (BU/WH)/5-EC14 (BU/BK), harness side and ground.




- Are the resistances greater than 1,000 ohms?

Yes
CONNECT the negative battery cable. GO to K30.

No
GO to K24.

-------------------------------------------------
K24 CHECK THE MS-CAN (+) AND MS-CAN (-) CIRCUITS FOR A SHORT TO GROUND WITH THE IC DISCONNECTED


- Disconnect: IC C220b.
- Measure the resistance between the DLC C251-3, circuit 4-EC1 (GY/RD)/4-EC13 (GY/VT)/4-EC14 (GY/OG), harness side and ground; and between the DLC C251-11, circuit 5-EC1 (BU/RD)/5-EC13 (BU/WH)/5-EC14 (BU/BK), harness side and ground.




- Are the resistances greater than 1,000 ohms?

Yes
CONNECT the negative battery cable. GO to K31.

No
REPAIR the circuit. CONNECT all modules. CONNECT the negative battery cable. CLEAR the DTCs. REPEAT the network test with the scan tool.

-------------------------------------------------
K25 CHECK FOR CORRECT GEM OPERATION


- Disconnect all the GEM connectors.
- Check for:
- corrosion
- damaged pins
- pushed-out pins
- Connect all the GEM connectors and make sure they seat correctly.
- Operate the system and verify the concern is still present.
- Is the concern still present?

Yes
INSTALL a new GEM. REFER to Body Control Systems. CONNECT all modules. CLEAR the DTCs. REPEAT the network test with the scan tool.

No
The system is operating correctly at this time. The concern may have been caused by a loose or corroded connector. CONNECT all modules. CLEAR the DTCs. REPEAT the network test with the scan tool.

-------------------------------------------------
K26 CHECK FOR CORRECT RCM OPERATION


- Disconnect all the RCM connectors.
- Check for:
- corrosion
- damaged pins
- pushed-out pins
- Connect all the RCM connectors and make sure they seat correctly.
- Operate the system and verify the concern is still present.
- Is the concern still present?

Yes
INSTALL a new RCM. REFER to Restraint Systems. CONNECT all modules. CLEAR the DTCs. REPEAT the network test with the scan tool.

No
The system is operating correctly at this time. The concern may have been caused by a loose or corroded connector. CONNECT all modules. CLEAR the DTCs. REPEAT the network test with the scan tool.

-------------------------------------------------
K27 CHECK FOR CORRECT OCSM OPERATION


- Disconnect the OCSM connector.
- Check for:
- corrosion
- damaged pins
- pushed-out pins
- Connect the OCSM connector and make sure it seats correctly.
- Operate the system and verify the concern is still present.
- Is the concern still present?

Yes
INSTALL a new OCSM. REFER to Restraint Systems. CONNECT all modules. CLEAR the DTCs.
REPEAT the network test with the scan tool.

No
The system is operating correctly at this time. The concern may have been caused by a loose or corroded connector. CONNECT all modules. CLEAR the DTCs. REPEAT the network test with the scan tool.

-------------------------------------------------
K28 CHECK FOR CORRECT TPMS MODULE OPERATION


- Disconnect all the TPMS module connectors.
- Check for:
- corrosion
- damaged pins
- pushed-out pins
- Connect all the TPMS module connectors and make sure they seat correctly.
- Operate the system and verify the concern is still present.
- Is the concern still present?

Yes
INSTALL a new TPMS module. REFER to Wheels and Tires. CONNECT all modules. CLEAR the DTCs.
REPEAT the network test with the scan tool.

No
The system is operating correctly at this time. The concern may have been caused by a loose or corroded connector. CONNECT all modules. CLEAR the DTCs. REPEAT the network test with the scan tool.

-------------------------------------------------
K29 CHECK FOR CORRECT ACM OPERATION


- Disconnect all the ACM connectors.
- Check for:
- corrosion
- damaged pins
- pushed-out pins
- Connect all the ACM connectors and make sure they seat correctly.
- Operate the system and verify the concern is still present.
- Is the concern still present?

Yes
INSTALL a new ACM. REFER to Accessories and Optional Equipment. CONNECT all modules. CLEAR the DTCs. REPEAT the network test with the scan tool.

No
The system is operating correctly at this time. The concern may have been caused by a loose or corroded connector. CONNECT all modules. CLEAR the DTCs. REPEAT the network test with the scan tool.

-------------------------------------------------
K30 CHECK FOR CORRECT SRM OPERATION


- Disconnect the SRM connector.
- Check for:
- corrosion
- damaged pins
- pushed-out pins
- Connect the SRM connector and make sure it seats correctly.
- Operate the system and verify the concern is still present.
- Is the concern still present?

Yes
INSTALL a new SRM. REFER to Accessories and Optional Equipment. CONNECT all modules. CLEAR the DTCs. REPEAT the network test with the scan tool.

No
The system is operating correctly at this time. The concern may have been caused by a loose or corroded connector. CONNECT all modules. CLEAR the DTCs. REPEAT the network test with the scan tool.

-------------------------------------------------
K31 CHECK FOR CORRECT IC OPERATION


- Disconnect all the IC connectors.
- Check for:
- corrosion
- damaged pins
- pushed-out pins
- Connect the IC connectors and make sure they seat correctly.
- Operate the system and verify the concern is still present.
- Is the concern still present?

Yes
INSTALL a new IC. REFER to Instrument Panel, Gauges and Warning Indicators. CONNECT all modules. CLEAR the DTCs. REPEAT the network test with the scan tool.

No
The system is operating correctly at this time. The concern may have been caused by a loose or corroded connector. CONNECT all modules. CLEAR the DTCs. REPEAT the network test with the scan tool.

-------------------------------------------------