Operation CHARM: Car repair manuals for everyone.
Manuals through 2025 now available!

Our trusted friends have launched a new website named LEMON, which has newer manuals. It also contains all the CHARM manuals.

LEMON is the spiritual successor to CHARM, I recommend you try it!

Link: lemon-manuals.la or lemon-manuals.org.ua

(Some people have issue connecting. LEMON is investigating. For now, use Firefox or change your DNS server)

Or, hide this message: temporarily or permanently

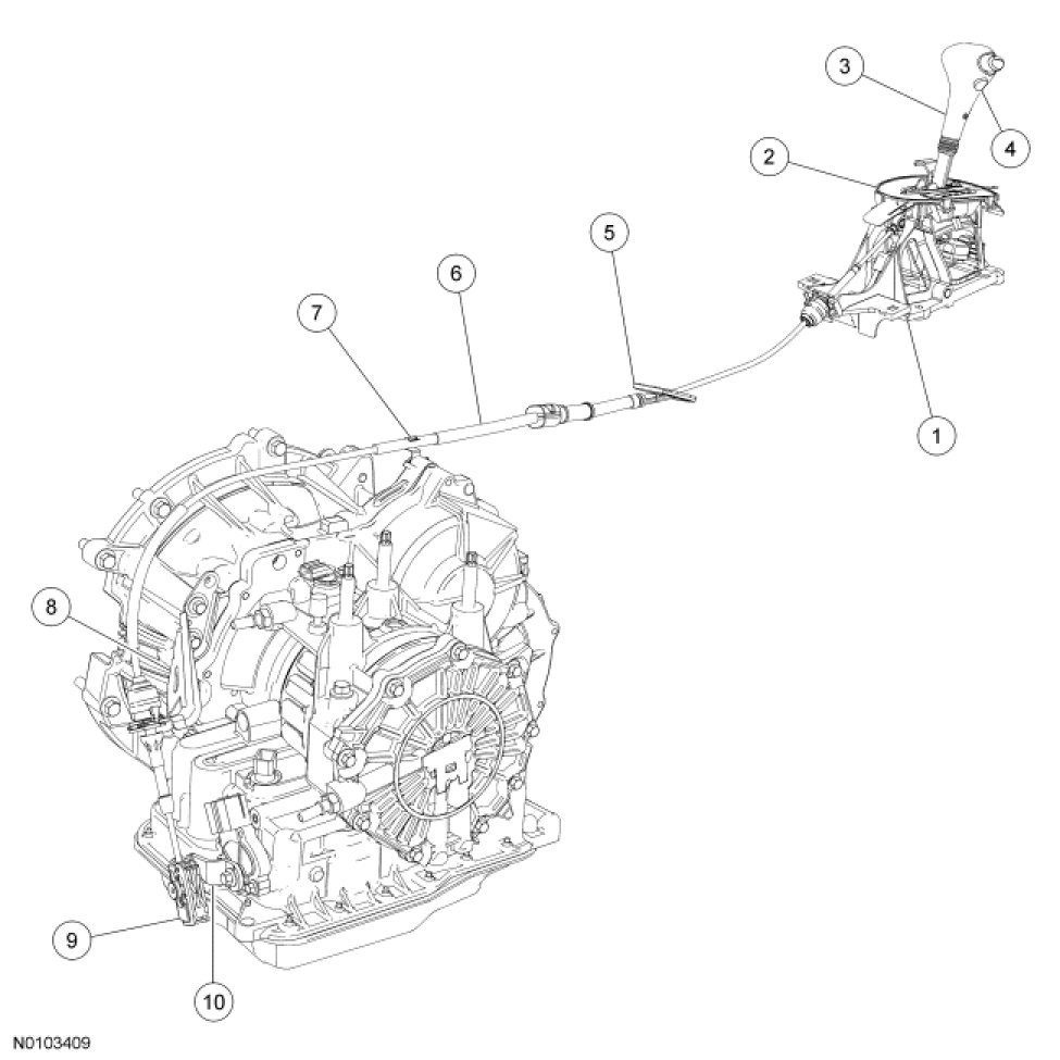
External Controls




External Controls

Overview










External Controls

The transaxle external controls system consists of the following components:

- Selector lever cable and bracket
- Transmission Range (TR) sensor
- Brake Shift Interlock Actuator (BSIA)
- Selector lever

The selector lever controls the transaxle gear selection through the selector lever cable. The cable detent and selector lever locking position is controlled by the selector lever knob.


Selector Lever






Selector Lever Brake Shift Interlock Actuator (BSIA)









Location

The BSIA is part of the selector lever assembly.

The brake shift interlock system prevents the selector lever from being moved out of the PARK position unless the requirements to do so are met. The ignition switch must be in the ON position and the brake pedal must be pressed to move the selector lever out of the PARK position. The brake pedal position is detected by the Brake Pedal Position (BPP) switch. In the event the selector lever will not come out of PARK (dead battery), the manual override button will mechanically bypass the electronic portion of the brake shift interlock system and allow the selector lever to be moved out of the PARK position. The manual override button is part of the selector lever assembly.


Function

Brake Shift Interlock Override





- NOTE: If PARK is selected again, the selector lever is locked again.

If the brake signal should fail due to a malfunction, manual unlocking is possible.

- The cover of the release mechanism must be removed. Using a screwdriver or similar tool, press into the opening until the manual selector lever can be moved out of PARK position.


Transmission Control Switch (TCS)





The Transmission Control Switch (TCS) is located on the side of the selector lever.

The TCS transmits a signal to the PCM. The signal from the TCS will cancel O/D and downshift the transaxle from 4th gear to 3rd gear when the selector lever is in the DRIVE position.

The signal of the TCS is used for the following functions:

- As an input signal to the PCM to cancel O/D
- To illuminate the O/D indicator light on the Instrument Cluster (IC)

The TCS does not have a substitute signal. If the TCS fails, the 3-4 shift cannot be canceled.


O/D Indicator





- The O/D indicator is located in the IC and is colored green.
- The O/D indicator is actuated by the TCS on the selector lever. It tells the driver that O/D is off.

The O/D indicator also lights to tell the driver that the transaxle control has switched to the emergency operating program or that the transmission fluid temperature is too high.


Selector Lever Button





- Allows the driver to move the selector lever from the PARK position, the ignition must be turned to the ON position, brake pedal must be pressed and selector lever release button pressed in.
- The selector lever button must also be pressed, if the lever is moved from:
- N and D to 2 and 1.
- 1, 2, D and N to R and P.
- R to P.