Operation CHARM: Car repair manuals for everyone.
Manuals through 2025 now available!

Our trusted friends have launched a new website named LEMON, which has newer manuals. It also contains all the CHARM manuals.

LEMON is the spiritual successor to CHARM, I recommend you try it!

Link: lemon-manuals.la or lemon-manuals.org.ua

(Some people have issue connecting. LEMON is investigating. For now, use Firefox or change your DNS server)

Or, hide this message: temporarily or permanently

Pinpoint Test E: TSS Sensor and OSS Sensor




Pinpoint Tests - OSC Equipped Vehicle

Pinpoint Tests

PINPOINT TEST E: TSS SENSOR AND OSS SENSOR

NOTE: Refer to the Turbine Shaft Speed (TSS) Sensor Vehicle Harness Connector and Output Shaft Speed (OSS) Sensor Vehicle Harness Connector illustrations within the Transaxle Connector Layouts Transaxle Connector Layouts procedure.

-------------------------------------------------
E1 ELECTRONIC DIAGNOSTICS SET UP


- Make sure the transaxle harness connector is fully seated, terminals are fully engaged in the connector and in good condition before proceeding.
- Connect the scan tool.
- Ignition ON.
- Access the following PIDs: TSS or OSS.
- Is communication with the PCM established?

Yes
GO to E2 .

No
REPEAT procedure to access the speed sensor PIDs. If the scan tool cannot establish communication with the PCM, REFER to Computers and Control Systems Information for diagnosis of PCM.

-------------------------------------------------
E2 DRIVE CYCLE TEST


- While monitoring the appropriate speed sensor PID, drive the vehicle so that the transaxle upshifts and downshifts through all gears.
- Does the TSS or OSS sensor PID increase and decrease with engine and vehicle speed?

Yes
GO to E3.

No
If the TSS or OSS sensor PID does not increase and decrease with engine and vehicle speed, INSPECT for open or short in vehicle harness, sensor, a PCM concern or internal hardware concern. GO to E4 .

-------------------------------------------------
E3 DRIVE CYCLE TEST ERRATIC


- While monitoring the appropriate sensor PID, drive the vehicle so that the transaxle upshifts and downshifts through all gears.
- Is the TSS or OSS Sensor PID signal erratic (drop to zero or near zero and return to normal operation)?

Yes
If the sensor signal is erratic, INSPECT for intermittent concern in the harness, sensor or connector. GO to E4 .

No
CLEAR all DTCs. TEST the system for normal operation.

-------------------------------------------------
E4 CHECK THE VEHICLE WIRING HARNESS FOR A SHORT TO POWER


- Ignition OFF.
- Disconnect: TSS Sensor C143 or OSS Sensor C193.
- Disconnect: PCM C175T.
- Ignition ON.
- Measure the voltage between TSS sensor C143-1, circuit 8-TA27 (WH/VT) and ground.




- Measure the voltage between TSS sensor C143-2, circuit 9-TA27 (BN/WH) and ground.




- Measure the voltage between OSS sensor C193-1, 8-RJ29 (WH/BU) and ground.




- Measure the voltage between OSS sensor C193-2, 9-RJ29 (BN/BU) and ground.




- Is there any voltage?

Yes
REPAIR the circuit for a short to power. TEST the system for normal operation.

No
GO to E5.

-------------------------------------------------
E5 CHECK THE VEHICLE WIRING HARNESS FOR A SHORT TO GROUND


- Measure the resistance between TSS sensor C143-1, circuit 8-TA27 (WH/VT) and ground.




- Measure the resistance between TSS sensor C143-2, circuit 9-TA27 (BN/WH) and ground.




- Measure the resistance between OSS sensor C193-1, 8-RJ29 (WH/BU) and ground.




- Measure the resistance between OSS sensor C193-2, 9-RJ29 (BN/BU) and ground.




- Is the resistance greater than 10,000 ohms?

Yes
GO to E6.

No
REPAIR the circuit for a short to ground. TEST the system for normal operation.

-------------------------------------------------
E6 CHECK THE VEHICLE WIRING HARNESS FOR AN OPEN CIRCUIT


- Ignition OFF.
- Measure the resistance between TSS sensor C143-1, circuit 8-TA27 (WH/VT) and PCM C175T-37, circuit 8-TA27 (WH/VT).




- Measure the resistance between TSS sensor C143-2, circuit 9-TA27 (BN/WH) and PCM C175T-40, circuit 9-PA1A (BN/RD).




- Measure the resistance between OSS sensor C193-1, circuit 8-RJ29 (WH/BU) and PCM C175T-4, circuit 8-RJ29 (WH/BU).




- Measure the resistance between OSS sensor C193-2, circuit 9-RJ29 (BN/BU) and PCM C175T-15, circuit 9-RJ29 (BN/BU).




- Is the resistance less than 5 ohms?

Yes
GO to E7.

No
REPAIR the circuit for an open. TEST the system for normal operation.

-------------------------------------------------
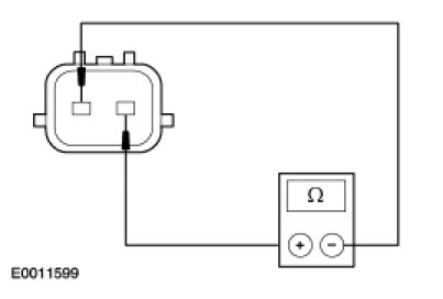
E7 CHECK RESISTANCE OF TSS SENSOR OR OSS SENSOR


- For the TSS sensor, measure the resistance between TSS sensor connector pin 1, component side and TSS sensor connector pin 2, component side. Record the resistance. Resistance should be as follows below:









- For the OSS sensor, measure the resistance between OSS connector pin 1, component side and OSS connector pin 2, component side. Record the resistance. Resistance should be as follows below:









- Is the resistance within specification for the appropriate sensor?

Yes
GO to E8.

No
INSTALL a new sensor. TEST the system for normal operation.

-------------------------------------------------
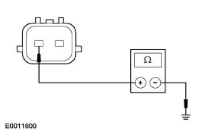
E8 CHECK SENSORS FOR SHORT TO GROUND


- For TSS sensor, measure the resistance between TSS sensor connector pin 1, component side and ground.
- For OSS, measure the resistance between OSS connector pin 1, component side and ground.




- Is the resistance greater than 10,000 ohms?

Yes
INSTALL a new PCM. TEST the system for normal operation. If the condition still exists, REFER to Diagnosis By Symptom Diagnosis By Symptom for diagnosis of shift or torque converter concerns.

No
INSTALL a new TSS or OSS sensor. TEST the system for normal operation. If the condition still exists,
REFER to Diagnosis By Symptom Diagnosis By Symptom for diagnosis of shift or torque converter concerns.

-------------------------------------------------