Operation CHARM: Car repair manuals for everyone.
Manuals through 2025 now available!

Our trusted friends have launched a new website named LEMON, which has newer manuals. It also contains all the CHARM manuals.

LEMON is the spiritual successor to CHARM, I recommend you try it!

Link: lemon-manuals.la or lemon-manuals.org.ua

(Some people have issue connecting. LEMON is investigating. For now, use Firefox or change your DNS server)

Or, hide this message: temporarily or permanently

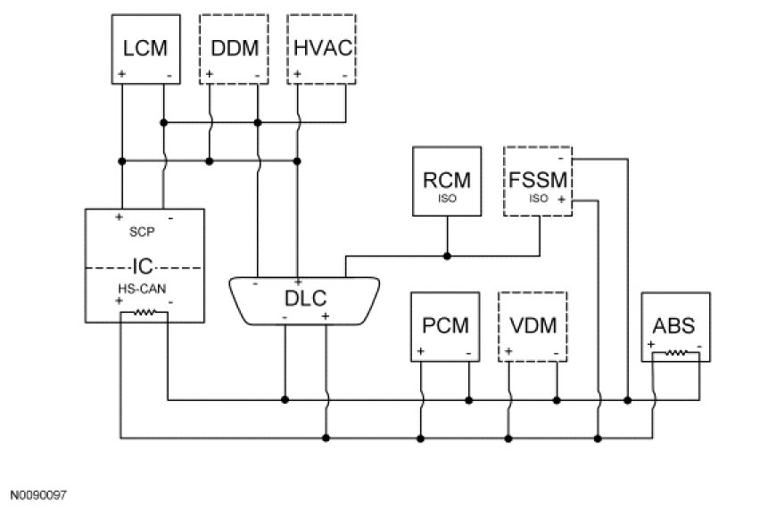
Information Bus: Description and Operation




Communications Network

NOTE: The Smart Junction Box (SJB) is also known as the Generic Electronic Module (GEM).

Multiplexing is a method of sending 2 or more signals simultaneously over a single circuit. Multiplexing is used to allow 2 or more electronic modules (nodes) to communicate simultaneously over a twisted-wire pair [data (+) and data (-)] network. The information or messages that can be communicated in these wires consists of commands, status or data. The advantage of using multiplexing is to reduce the weight of the vehicle by reducing the number of redundant components and electrical wiring.

The 3 module communication networks are:

- High Speed Controller Area Network (HS-CAN)
- ISO 9141
- Standard Corporate Protocol (SCP)

Information is sent to and from individual control modules that each control specific functions. All 3 networks are connected to the Data Link Connector (DLC). The DLC can be found under the instrument panel between the steering column and the audio unit. The ISO 9141 network is for diagnostic use only.

Network Topology









High Speed Controller Area Network (HS-CAN)

The HS-CAN uses an unshielded twisted pair cable, data bus (+) and data bus (-) circuits. In addition to scan tool communication, this network allows sharing of information between all modules on the network.

ISO 9141 Network

The ISO 9141 communication network is a single wire network, used for diagnostic purposes only.

Standard Corporate Protocol (SCP) Communication Network

The SCP network has an unshielded twisted pair cable, data bus (+) and data bus (-) circuits. In addition to scan tool communication, this network allows sharing of information between all modules on the network.

Network Termination

The HS-CAN uses a network termination circuit to improve communication reliability. The network termination of the HS-CAN bus takes place inside the termination modules (ABS module and IC) by termination resistors. Termination modules are located at either end of the bus network. As network messages are broadcast, in the form of voltage signals, the network voltage signals are stabilized by the termination resistors. Each termination module has a 120 ohm resistor across the positive and negative bus connection in the termination module. With 2 termination modules on each network, and the 120 ohm resistors located in a parallel circuit configuration, the total network impedance (resistance) is 60 ohms.

Network termination improves bus message reliability by:

- stabilizing bus voltage.
- eliminating electrical interference.

Gateway Module

The IC is the gateway module, translating HS-CAN to SCP and vice versa. This information allows a message to be distributed throughout both networks. The IC is the only module on this vehicle that has this ability.