Operation CHARM: Car repair manuals for everyone.
Manuals through 2025 now available!

Our trusted friends have launched a new website named LEMON, which has newer manuals. It also contains all the CHARM manuals.

LEMON is the spiritual successor to CHARM, I recommend you try it!

Link: lemon-manuals.la or lemon-manuals.org.ua

(Some people have issue connecting. LEMON is investigating. For now, use Firefox or change your DNS server)

Or, hide this message: temporarily or permanently

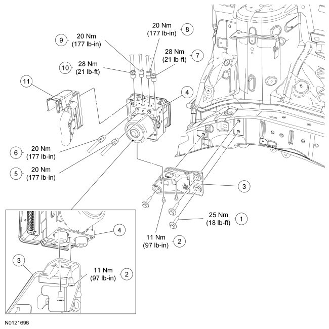
Hydraulic Control Assembly - Antilock Brakes: Service and Repair




Hydraulic Control Unit (HCU)

















Removal and Installation

WARNING: Do not use any fluid other than clean brake fluid meeting manufacturer's specification. Additionally, do not use brake fluid that has been previously drained. Following these instructions will help prevent system contamination, brake component damage and the risk of serious personal injury.

WARNING: Carefully read cautionary information on product label. For EMERGENCY MEDICAL INFORMATION seek medical advice. In the USA or Canada on Ford/Motorcraft products call: 1-800-959-3673. For additional information, consult the product Material Safety Data Sheet (MSDS) if available. Failure to follow these instructions may result in serious personal injury.

NOTICE: Do not spill brake fluid on painted or plastic surfaces or damage to the surface may occur. If brake fluid is spilled onto a painted or plastic surface, immediately wash the surface with water.

NOTE: On vehicles equipped with adaptive cruise control, the ABS module and Hydraulic Control Unit (HCU) are serviced as an assembly.

1. If installing a new ABS module, upload the module configuration to the scan tool.

2. Remove the Air Cleaner (ACL) outlet tube and the ACL (Air Cleaner) assembly.

3. Remove the battery and battery tray.

4. Disconnect the ABS module electrical connector.

5. Disconnect the 6 brake tube fittings.
- To install, tighten the brake master cylinder tube fittings to 28 Nm (21 lb-ft).

- To install, tighten the remaining brake tube fittings to 20 Nm (177 lb-in).


6. Remove the 3 Hydraulic Control Unit (HCU) bracket-to-frame bolts and the HCU (Hydraulic Control Unit).
- To install, tighten to 25 Nm (18 lb-ft).


7. If necessary, remove the 2 HCU (Hydraulic Control Unit) bracket-to-HCU (Hydraulic Control Unit) bolts and separate the HCU (Hydraulic Control Unit) from the bracket.
- To install, tighten to 11 Nm (97 lb-in).


8. To install, reverse the removal procedure.
1. If a new ABS module was installed, download the module configuration information from the scan tool to the new ABS module.

2. If a new HCU (Hydraulic Control Unit) was installed, carry out the IVD initialization sequence and follow the scan tool onscreen instructions.

3. Bleed the brake system.