Operation CHARM: Car repair manuals for everyone.
Manuals through 2025 now available!

Our trusted friends have launched a new website named LEMON, which has newer manuals. It also contains all the CHARM manuals.

LEMON is the spiritual successor to CHARM, I recommend you try it!

Link: lemon-manuals.la or lemon-manuals.org.ua

(Some people have issue connecting. LEMON is investigating. For now, use Firefox or change your DNS server)

Or, hide this message: temporarily or permanently

Evaporative Emission Control Canister: Service and Repair




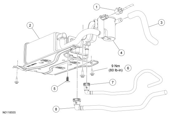
Evaporative Emission Canister









Removal and Installation

WARNING: Do not smoke, carry lighted tobacco or have an open flame of any type when working on or near any fuel-related component. Highly flammable mixtures are always present and may be ignited. Failure to follow these instructions may result in serious personal injury.

WARNING: Do not carry personal electronic devices such as cell phones, pagers or audio equipment of any type when working on or near any fuel-related component. Highly flammable mixtures are always present and may be ignited. Failure to follow these instructions may result in serious personal injury.

WARNING: Always disconnect the battery ground cable at the battery when working on an evaporative emission (EVAP) system or fuel-related component. Highly flammable mixtures are always present and may be ignited. Failure to follow these instructions may result in serious personal injury.

1. NOTE: Correct placement of the hoist arm to the frame lifting point is essential for the removal and installation of the Evaporative Emission (EVAP) canister. With the vehicle in NEUTRAL, position it on a hoist.

2. Disconnect the battery ground cable.

3. Remove the 4 bolts, the 4 trim pins, the 2 push pins, and the aero shield.
- To install, tighten to 10 Nm (89 lb-in).






4. Disconnect the EVAP (Evaporative Emission) canister vent solenoid electrical connector.

5. Disconnect the fuel vapor tube-to-EVAP (Evaporative Emission) canister quick connect coupling.

6. Disconnect the fuel vapor tube assembly-to-EVAP (Evaporative Emission) canister quick connect coupling.

7. Disconnect the fuel vapor tube to the dust separator.

8. Remove the 3 EVAP (Evaporative Emission) canister bolts.
- To install, tighten to 9 Nm (80 lb-in).


9. Release the pin-type retainer and remove the EVAP (Evaporative Emission) canister.

10. NOTE: When installing the EVAP (Evaporative Emission) canister, insert the alignment tab into the body first, then install the pin-type retainer and 3 bolts.
To install, reverse the removal procedure.

- Carry out the Evaporative Emission System Leak Test. For additional information, refer to Evaporative Emission System Leak Test Testing and Inspection.