Operation CHARM: Car repair manuals for everyone.
Manuals through 2025 now available!

Our trusted friends have launched a new website named LEMON, which has newer manuals. It also contains all the CHARM manuals.

LEMON is the spiritual successor to CHARM, I recommend you try it!

Link: lemon-manuals.la or lemon-manuals.org.ua

(Some people have issue connecting. LEMON is investigating. For now, use Firefox or change your DNS server)

Or, hide this message: temporarily or permanently

Pinpoint Test J: The Parking Aid Module (PAM) Does Not Respond To The Scan Tool




Communications Network

Pinpoint Tests

Pinpoint Test J: The Parking Aid Module (PAM) Does Not Respond To The Scan Tool

Refer to Wiring Diagram Set 14 (Escape/Mariner, Escape Hybrid/Mariner Hybrid), Module Communications Network for schematic and connector information. Diagrams By Number

Refer to Wiring Diagram Set 131 (Escape/Mariner, Escape Hybrid/Mariner Hybrid), Parking Aid for schematic and connector information. Diagrams By Number

Normal Operation

The Parking Aid Module (PAM) communicates with the scan tool through the High Speed Controller Area Network (HS-CAN).

This pinpoint test is intended to diagnose the following:

- Fuse
- Wiring, terminals or connectors
- PAM


PINPOINT TEST J: THE PAM DOES NOT RESPOND TO THE SCAN TOOL

NOTICE: Use the correct probe adapter(s) when making measurements. Failure to use the correct probe adapter(s) may damage the connector.

NOTE: Failure to disconnect the battery when instructed will result in false resistance readings. Refer to Battery, Mounting and Cables Battery Disconnect.

-------------------------------------------------
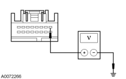
J1 CHECK THE PAM VOLTAGE SUPPLY CIRCUIT FOR AN OPEN

- Ignition OFF.
- Disconnect: PAM C4014.
- Ignition ON.
- Measure the voltage between the PAM C4014-1, circuit CBP35 (YE/GY), harness side and ground.





- Is the voltage greater than 10 volts?

Yes
GO to J2.

No
VERIFY the Smart Junction Box (SJB) fuse 35 (10A) is OK. If OK, REPAIR the circuit. If not OK, Refer to the Wiring Diagrams to identify the possible causes of the short circuit. TEST the system for normal operation. Diagrams By Number

-------------------------------------------------
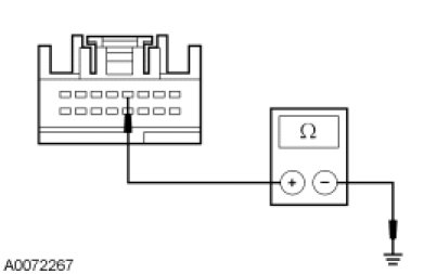
J2 CHECK THE PAM GROUND CIRCUIT FOR AN OPEN

- Ignition OFF.
- Disconnect: Negative Battery Cable.
- Measure the resistance between the PAM C4014-4, circuit GD182 (BK/GY), harness side and ground.





- Is the resistance less than 5 ohms?

Yes
GO to J3.

No
REPAIR the circuit. CONNECT the negative battery cable. TEST the system for normal operation.

-------------------------------------------------
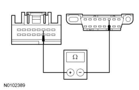
J3 CHECK THE HS-CAN CIRCUITS BETWEEN THE PAM AND THE DLC FOR AN OPEN

- Measure the resistance between the PAM C4014-3, circuit VDB04 (WH/BU), harness side and the DLC C251-6, circuit VDB04 (WH/BU), harness side.




- Measure the resistance between the PAM C4014-11, circuit VDB05 (WH), harness side and the DLC C251-14, circuit VDB05 (WH), harness side.





- Are the resistances less than 5 ohms?

Yes
CONNECT the negative battery cable. GO to J4.

No
REPAIR the circuit in question. CONNECT the negative battery cable. CLEAR the DTCs. REPEAT the network test with the scan tool.

-------------------------------------------------
J4 CHECK FOR CORRECT PAM OPERATION

- Disconnect the PAM connector.
- Check for:
- corrosion
- damaged pins
- pushed-out pins
- Connect the PAM connector and make sure it seats correctly.
- Operate the system and verify the concern is still present.
- Is the concern still present?

Yes
INSTALL a new PAM. REFER to Parking Aid Service and Repair. CLEAR the DTCs. REPEAT the network test with the scan tool.

No
The system is operating correctly at this time. The concern may have been caused by a loose or corroded connector.

-------------------------------------------------