Pinpoint Test W: No Power To The Scan Tool
Communications Network
Pinpoint Tests
Pinpoint Test W: No Power To The Scan Tool
Refer to Wiring Diagram Set 14 (Escape/Mariner, Escape Hybrid/Mariner Hybrid), Module Communications Network for schematic and connector information. Diagrams By Number
Normal Operation
The scan tool is connected to the Data Link Connector (DLC) to communicate with the High Speed Controller Area Network (HS-CAN) and Medium Speed Controller Area Network (MS-CAN).
A loss of ground or poor ground at the DLC may result in HS-CAN or MS-CAN faults while the scan tool is connected.
This pinpoint test is intended to diagnose the following:
- Fuse
- Wiring, terminals or connectors
- DLC
- Scan tool
PINPOINT TEST W: NO POWER TO THE SCAN TOOL
NOTE: Most faults are due to connector and/or wiring concerns. Carry out a thorough inspection and verification before proceeding with the Pinpoint Test. Inspection and Verification
NOTE: Failure to disconnect the battery when instructed will result in false resistance readings. Refer to Battery, Mounting and Cables Battery Disconnect.
-------------------------------------------------
W1 CHECK DLC PINS FOR DAMAGE
- Disconnect the scan tool cable from the DLC.
- Inspect the DLC pins 4, 5 and 16 for damage.
- Are the DLC pins 4, 5 and 16 OK?
Yes
GO to W2.
No
REPAIR the DLC as necessary. REPEAT the network test with the scan tool.
-------------------------------------------------
W2 CHECK THE DLC VOLTAGE SUPPLY CIRCUIT FOR AN OPEN
- Measure the voltage between the DLC C251-16, circuit SBP20 (GN/RD), harness side and ground.
- Is the voltage greater than 10 volts?
Yes
GO to W3.
No
VERIFY the Smart Junction Box (SJB) fuse 20 (15A) is OK. If OK, REPAIR the circuit. If not OK, Refer to the Wiring Diagrams to identify the possible causes of the circuit short. REPEAT the network test with the scan tool. Diagrams By Number
-------------------------------------------------
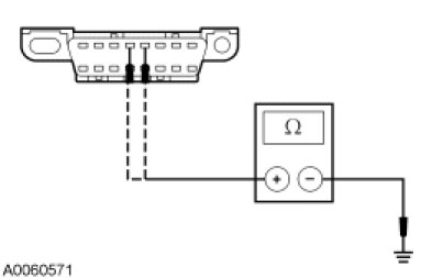
W3 CHECK THE DLC GROUND CIRCUITS FOR AN OPEN
- Disconnect: Negative Battery Cable .
- Measure the resistance between the DLC C251-4, circuit GD112 (BK/GN), harness side and ground; and between the DLC C251-5, circuit GD114 (BK/BU), harness side and ground.
- Are the resistances less than 5 ohms?
Yes
REPAIR the scan tool. CONNECT the negative battery cable. REPEAT the network test with the scan tool.
No
REPAIR the circuit in question. CONNECT the negative battery cable. REPEAT the network test with the scan tool.
-------------------------------------------------