Operation CHARM: Car repair manuals for everyone.
Manuals through 2025 now available!

Our trusted friends have launched a new website named LEMON, which has newer manuals. It also contains all the CHARM manuals.

LEMON is the spiritual successor to CHARM, I recommend you try it!

Link: lemon-manuals.la or lemon-manuals.org.ua

(Some people have issue connecting. LEMON is investigating. For now, use Firefox or change your DNS server)

Or, hide this message: temporarily or permanently

Pinpoint Test B: DTC P0645




Climate Control System

Pinpoint Tests

Pinpoint Test B: DTC P0645

Refer to Wiring Diagram Set 54, Manual Climate Control System for schematic and connector information. Diagrams By Number

Refer to Wiring Diagram Set 55, Automatic Climate Control System for schematic and connector information. Diagrams By Number

Normal Operation

Under normal operation, voltage is provided to the A/C clutch relay coil. When A/C is requested and A/C line pressures allow, a ground is provided to the A/C clutch relay coil from the PCM, energizing the A/C clutch relay.

- DTC P0645 (A/C Clutch Relay Control Circuit) - The DTC sets when the PCM grounds the relay circuit, excessive current draw is detected on the relay circuit or, with the relay circuit not grounded by the PCM, voltage is not detected on the relay circuit the PCM expects to detect voltage coming through the relay coil to the relay circuit.

This pinpoint test is intended to diagnose the following:
- Wiring, terminals or connectors
- A/C clutch relay
- PCM

PINPOINT TEST B: DTC P0645

-------------------------------------------------
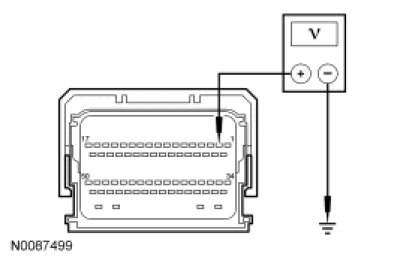
B1 CHECK THE VOLTAGE TO THE A/C CLUTCH RELAY


- Ignition OFF.
- Disconnect: A/C Clutch Relay .
- Ignition ON.
- Measure the voltage between ground and the A/C clutch relay socket, circuit CBK03 (GY).




- Is the voltage greater than 10 volts?

Yes
CARRY OUT the A/C clutch relay component test.

Refer to Wiring Diagrams for component testing. Diagrams By Number

If the relay tests OK, GO to B2.

No
VERIFY Battery Junction Box (BJB) fuse 79 (20A) is OK. If OK, REPAIR circuit CBK03 (GY) for an open. CLEAR the DTCs. REPEAT the self-test. TEST the system for normal operation.

-------------------------------------------------
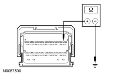
B2 CHECK CIRCUIT CH302 (WH/BN) FOR A SHORT TO VOLTAGE


- Ignition OFF.
- Disconnect: PCM C175B .
- Ignition ON.
- Measure the voltage between ground and PCM C175B-2, circuit CH302 (WH/BN), harness side.




- Is any voltage present?

Yes
REPAIR circuit CH302 (WH/BN) for a short to voltage. CLEAR the DTCs. REPEAT the self-test. TEST the system for normal operation.

No
GO to B3.

-------------------------------------------------
B3 CHECK CIRCUIT CH302 (WH/BN) FOR A SHORT TO GROUND


- Ignition OFF.
- Measure the resistance between ground and PCM C175B-2, circuit CH302 (WH/BN), harness side.




- Is the resistance greater than 10,000 ohms?

Yes
GO to B4.

No
REPAIR circuit CH302 (WH/BN) for a short to ground. CLEAR the DTCs. REPEAT the self-test. TEST the system for normal operation.

-------------------------------------------------
B4 CHECK CIRCUIT CH302 (WH/BN) FOR AN OPEN


- Measure the resistance between A/C clutch relay socket, circuit CH302 (WH/BN) and PCM C175B-2, circuit CH302 (WH/BN), harness side.




- Is the resistance less than 5 ohms?

Yes
GO to B5.

No
REPAIR circuit CH302 (WH/BN) for an open. CLEAR the DTCs. REPEAT the self-test. TEST the system for normal operation.

-------------------------------------------------
B5 CHECK THE PCM CONNECTION


- Clear the DTCs.
- Disconnect all the PCM connectors.
- Check for:

- corrosion.
- pushed-out pins.
- incorrectly seated connector.
- Connect and correctly seat all the PCM connectors.
- Operate the system.
- Does the concern return?

Yes
INSTALL a new PCM. TEST the system for normal operation.

No
The system is operating correctly at this time. The concern may have been caused by a loose or corroded connector.

-------------------------------------------------