Operation CHARM: Car repair manuals for everyone.
Manuals through 2025 now available!

Our trusted friends have launched a new website named LEMON, which has newer manuals. It also contains all the CHARM manuals.

LEMON is the spiritual successor to CHARM, I recommend you try it!

Link: lemon-manuals.la or lemon-manuals.org.ua

(Some people have issue connecting. LEMON is investigating. For now, use Firefox or change your DNS server)

Or, hide this message: temporarily or permanently

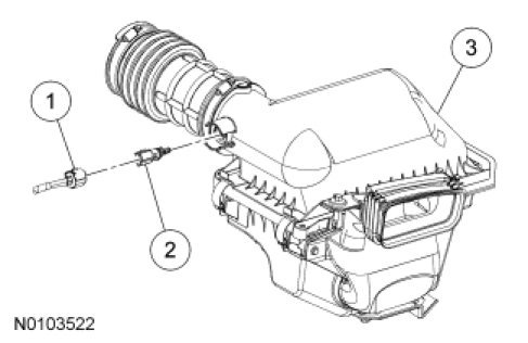
Intake Air Temperature (IAT) Sensor




Intake Air Temperature (IAT) Sensor - 3.5L GTDI









Removal and Installation

1. Disconnect the Intake Air Temperature (IAT) sensor electrical connector.

2. Remove the IAT sensor.
- Lift the tab and turn the IAT sensor counterclockwise to remove.





3. To install, reverse the removal procedure.
- Make sure the IAT sensor tab is fully seated during installation.