Operation CHARM: Car repair manuals for everyone.
Manuals through 2025 now available!

Our trusted friends have launched a new website named LEMON, which has newer manuals. It also contains all the CHARM manuals.

LEMON is the spiritual successor to CHARM, I recommend you try it!

Link: lemon-manuals.la or lemon-manuals.org.ua

(Some people have issue connecting. LEMON is investigating. For now, use Firefox or change your DNS server)

Or, hide this message: temporarily or permanently

Pinpoint Test F: The 4X4 Control Module Does Not Respond To The Scan Tool




Communications Network

Pinpoint Tests

Pinpoint Test F: The 4X4 Control Module Does Not Respond To The Scan Tool

Refer to Wiring Diagram Set 14, Module Communications Network for schematic and connector information. Diagrams By Number

Refer to Wiring Diagram Set 34, All Wheel Drive (AWD) for schematic and connector information. Diagrams By Number

Normal Operation

The 4X4 control module communicates with the scan tool through the High Speed Controller Area Network (HS-CAN).

This pinpoint test is intended to diagnose the following:

- Fuse(s)
- Wiring, terminals or connectors
- 4X4 control module

PINPOINT TEST F: THE 4X4 CONTROL MODULE DOES NOT RESPOND TO THE SCAN TOOL

NOTICE: Use the correct probe adapter(s) when making measurements. Failure to use the correct probe adapter(s) may damage the connector.

NOTE: Failure to disconnect the battery when instructed results in false resistance readings. Refer to Battery, Mounting and Cables Battery Disconnect.

-------------------------------------------------
F1 CHECK THE 4X4 CONTROL MODULE VOLTAGE SUPPLY CIRCUIT FOR AN OPEN

- Ignition OFF.
- Disconnect: 4X4 Control Module C2371A.
- Disconnect: 4X4 Control Module C2371B.
- Ignition ON.
- Measure the voltage between the 4X4 control module C2371A-7, circuit CBB54 (VT/OG), harness side and ground.




- Measure the voltage between the 4X4 control module C2371B-6 (Electronic Shift-On-The-Fly (ESOF)), circuit SBB20 (GN/RD), harness side and ground; and between the 4X4 control module C2371B-7, circuit SBB68 (GN/RD), harness side and ground.




- Are the voltages greater than 10 volts?

Yes
GO to F2.

No
VERIFY the Battery Junction Box (BJB) fuses 20 (20A) (ESOF), 54 (5A) and 68 (25A) are OK. If OK, REPAIR the circuit in question. If not OK, REFER to the Wiring Diagrams to identify the possible causes of the circuit short. CLEAR the DTCs. REPEAT the network test with the scan tool. Diagrams By Number

-------------------------------------------------
F2 CHECK THE 4X4 CONTROL MODULE GROUND CIRCUIT FOR AN OPEN

- Ignition OFF.
- Disconnect: Negative Battery Cable.
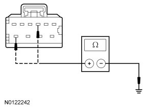
- Measure the resistance between the 4X4 control module C2371B-3, circuit GD123 (BK/GY), harness side and ground; and between the 4X4 control module C2371B-10, circuit GD123 (BK/GY), harness side and ground.




- Is the resistance less than 5 ohms?

Yes
GO to F3.

No
REPAIR the circuit. CONNECT the negative battery cable. CLEAR the DTCs. REPEAT the network test with the scan tool.

-------------------------------------------------
F3 CHECK THE HS-CAN CIRCUITS BETWEEN THE 4X4 CONTROL MODULE AND THE DLC FOR AN OPEN

- Measure the resistance between the 4X4 control module C2371A-10, circuit VDB04 (WH/BU), harness side and the DLC C251-6, circuit VDB04 (WH/BU), harness side.




- Measure the resistance between the 4X4 control module C2371A-9, circuit VDB05 (WH), harness side and the DLC C251-14, circuit VDB05 (WH), harness side.




- Are the resistances less than 5 ohms?

Yes
CONNECT the negative battery cable. GO to F4.

No
REPAIR the circuit in question. CONNECT the negative battery cable. CLEAR the DTCs. REPEAT the network test with the scan tool.

-------------------------------------------------
F4 CHECK FOR CORRECT 4X4 CONTROL MODULE OPERATION

- Disconnect all the 4X4 control module connectors.
- Check for:
- corrosion
- damaged pins
- pushed-out pins
- Connect all the 4X4 control module connectors and make sure they seat correctly.
- Operate the system and verify the concern is still present.
- Is the concern still present?

Yes
INSTALL a new 4X4 control module. REFER to Four Wheel Drive (4WD) Systems Service and Repair. CLEAR the DTCs. REPEAT the network test with the scan tool.

No
The system is operating correctly at this time. The concern may have been caused by a loose or corroded connector.

-------------------------------------------------