Operation CHARM: Car repair manuals for everyone.
Manuals through 2025 now available!

Our trusted friends have launched a new website named LEMON, which has newer manuals. It also contains all the CHARM manuals.

LEMON is the spiritual successor to CHARM, I recommend you try it!

Link: lemon-manuals.la or lemon-manuals.org.ua

(Some people have issue connecting. LEMON is investigating. For now, use Firefox or change your DNS server)

Or, hide this message: temporarily or permanently

Pinpoint Test C: The Cruise Control Switches Do Not Operate Correctly




Cruise Control

Pinpoint Tests

Pinpoint Test C: The Cruise Control Switches Do Not Operate Correctly

Refer to Wiring Diagram Set 31, Cruise Control for schematic and connector information. Diagrams By Number

Normal Operation

Voltage is sent from the PCM to the cruise control switch. When a switch is pressed, the voltage is routed through a specific resistor value for each function and the PCM grounds the reference voltage. The PCM uses this reference voltage to determine which cruise control input function has been selected.

- DTC P0579 (Cruise Control Multifunction Input A Circuit Range/Performance) - may set when the cruise control switch circuits are open, shorted to voltage or ground.
- DTC P0581 (Cruise Control Multi-Function Input A Circuit High) - sets when the cruise control switch circuits are open or shorted to voltage.

This pinpoint test is intended to diagnose the following:
- Wiring, terminals or connectors
- Clockspring
- Cruise control switch
- PCM


PINPOINT TEST C: THE CRUISE CONTROL SWITCHES DO NOT OPERATE CORRECTLY

NOTICE: Use the correct probe adapter(s) when making measurements. Failure to use the correct probe adapter(s) may damage the connector.

-------------------------------------------------
C1 CHECK THE CRUISE CONTROL SWITCH


- Ignition ON.
- Enter the following diagnostic mode on the scan tool: PCM DataLogger.
- Press each cruise control switch button while monitoring the cruise control switch PID (SCCS).





- Does the PID value agree with the switch position?

Yes
GO to C11.

No
If only one switch does not display the correct PID value, INSTALL a new cruise control switch. REFER to Cruise Control Switch Service and Repair. TEST the system for normal operation.

Otherwise, GO to C2 .

-------------------------------------------------
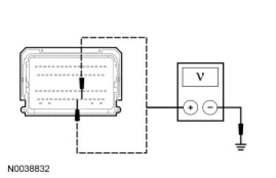
C2 CHECK THE CRUISE CONTROL SWITCH CIRCUITRY FOR A SHORT TO VOLTAGE


- Ignition OFF.
- Disconnect: PCM C175b (3.5L) or PCM C1381b (3.5L GTDI).
- Ignition ON.
- Turn the parking lamps on.
- For vehicles with 3.5L engines, measure the voltage between the PCM C175b-57, circuit RES08 (GN/BN), harness side and ground; and between the PCM C175b-56, circuit VES10 (WH), harness side and ground.




- For vehicles with 3.5L GTDI engines, measure the voltage between the PCM C1381b-64, circuit VES10 (WH), harness side and ground; and between the PCM C1381b-48, circuit RES08 (GN/BN), harness side and ground.




- Is any voltage present?

Yes
TURN the parking lamps off. GO to C3 .

No
TURN the parking lamps off. GO to C6 .

-------------------------------------------------
C3 CHECK THE CRUISE CONTROL SWITCH CIRCUITRY FOR A SHORT TO VOLTAGE WITH THE CLOCKSPRING DISCONNECTED


- Ignition OFF.
- Disconnect: Clockspring C218.
- Ignition ON.
- For vehicles with 3.5L engines, measure the voltage between the PCM C175b-57, circuit RES08 (GN/BN), harness side and ground; and between the PCM C175b-56, circuit VES10 (WH), harness side and ground.




- For vehicles with 3.5L GTDI engines, measure the voltage between the PCM C1381b-64, circuit VES10 (WH), harness side and ground; and between the PCM C1381b-48, circuit RES08 (GN/BN), harness side and ground.




- Is any voltage present?

Yes
REPAIR the circuit in question. CLEAR the DTCs. TEST the system for normal operation.

No
TURN the parking lamps off. GO to C4 .

-------------------------------------------------
C4 CHECK THE CLOCKSPRING FOR A SHORT TO VOLTAGE


- Ignition OFF.
- Connect: Clockspring C218.

- WARNING: Make sure no one is in the vehicle and there is nothing blocking or placed in front of any air bag module when the battery is connected. Failure to follow these instructions may result in serious personal injury in the event of an accidental deployment.

- Remove the driver air bag module. Refer to Supplemental Restraint System Driver Air Bag Module.
- Disconnect: Upper Clockspring Connector.
- Connect the battery.
- Ignition ON.
- Turn the parking lamps on.
- For vehicles with 3.5L engines, measure the voltage between the PCM C175b-56, circuit VES10 (WH), harness side and ground; and between the PCM C175b-57, circuit RES08 (GN/BN), harness side and ground.




- For vehicles with 3.5L GTDI engines, measure the voltage between the PCM C1381b-64, circuit VES10 (WH), harness side and ground; and between the PCM C1381b-48, circuit RES08 (GN/BN), harness side and ground.




- Is any voltage present?

Yes
INSTALL a new clockspring. INSTALL the driver air bag module. REFER to Supplemental Restraint System Service and Repair and Driver Air Bag Module. CLEAR the DTCs. TEST the system for normal operation.

No
GO to C5.

-------------------------------------------------
C5 CHECK THE STEERING WHEEL CRUISE CONTROL SWITCH CIRCUITS FOR A SHORT TO THE STEERING WHEEL ILLUMINATION CIRCUIT


- Measure the resistance between the steering wheel cruise control switch connector pin 2, circuit VLN04 (VT/GY), harness side and the steering wheel cruise control switch connector pin 3, circuit RES08 (GN/OG), harness side; and between the steering wheel cruise control switch connector pin 2, circuit VLN04 (VT/GY), harness side and the steering wheel cruise control switch connector pin 5, circuit VES10 (GN/VT), harness side.




- Are the resistances greater than 10,000?

Yes
INSTALL a new cruise control switch. REFER to Cruise Control Switch Service and Repair. INSTALL the driver air bag module. REFER to Supplemental Restraint System Driver Air Bag Module. CLEAR the DTCs. TEST the system for normal operation.

No
INSTALL a new steering wheel. REFER to Steering Column Removal and Replacement. CLEAR the DTCs. TEST the system for normal operation.

-------------------------------------------------
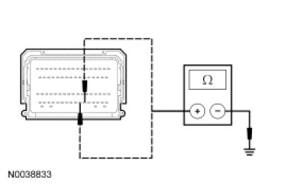
C6 CHECK THE CRUISE CONTROL SWITCH CIRCUITRY FOR A SHORT TO GROUND


- Ignition OFF.

- WARNING: Make sure no one is in the vehicle and there is nothing blocking or placed in front of any air bag module when the battery is connected. Failure to follow these instructions may result in serious personal injury in the event of an accidental deployment.

- Remove the driver air bag module. Refer to Supplemental Restraint System Driver Air Bag Module.
- Disconnect: Upper Clockspring Connector.
- For vehicles with 3.5L engines, measure the resistance between the PCM C175b-56, circuit VES10 (WH), harness side and ground; and between the PCM C175b-57, circuit RES08 (GN/BN), harness side and ground.




- For vehicles with 3.5L GTDI engines, measure the resistance between the PCM C1381b-64, circuit VES10 (WH), harness side and ground; and between the PCM C1381b-48, circuit RES08 (GN/BN), harness side and ground.




- Are the resistances greater than 10,000 ohms?

Yes
GO to C8.

No
GO to C7.

-------------------------------------------------
C7 CHECK THE CLOCKSPRING FOR A SHORT TO GROUND


- Disconnect: Clockspring C218.
- For vehicles with 3.5L engines, measure the resistance between the PCM C175b-56, circuit VES10 (WH), harness side and ground; and between the PCM C175b-57, circuit RES08 (GN/BN), harness side and ground.




- For vehicles with 3.5L GTDI engines, measure the resistance between the PCM C1381-64, circuit VES10 (WH), harness side and ground; and between the PCM C1381-48, circuit RES08 (GN/BN), harness side and ground.




- Are the resistances greater than 10,000 ohms?

Yes
INSTALL a new clockspring. INSTALL the driver air bag module. REFER to Supplemental Restraint System Service and Repair and Driver Air Bag Module. CLEAR the DTCs. TEST the system for normal operation.

No
REPAIR the circuit in question. CLEAR the DTCs. TEST the system for normal operation.

-------------------------------------------------
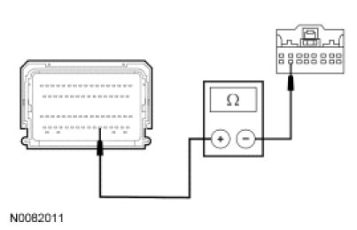
C8 CHECK THE CRUISE CONTROL SWITCH CIRCUITRY FOR AN OPEN


- Disconnect: Clockspring C218.
- For vehicles with 3.5L engines, measure the resistance between the PCM C175b-57, circuit RES08 (GN/BN), harness side and the clockspring C218-14, circuit RES08 (GN/BN), harness side.




- For vehicles with 3.5L GTDI engines, measure the resistance between the PCM C1381b-48, circuit RES08 (GN/BN), harness side and the clockspring C218-14, circuit RES08 (GN/BN), harness side.




- For vehicles with 3.5L engines, measure the resistance between the PCM C175b-56, circuit VES10 (WH), harness side and the clockspring C218-15, circuit VES10 (WH), harness side.




- For vehicles with 3.5L GTDI engines, measure the resistance between the PCM C1381-64, circuit VES10 (WH), harness side and the clockspring C218-15, circuit VES10 (WH), harness side.




- Are the resistances less than 5 ohms?

Yes
GO to C9.

No
REPAIR the circuit in question. CLEAR the DTCs. TEST the system for normal operation.

-------------------------------------------------
C9 CHECK THE CLOCKSPRING FOR AN OPEN


- WARNING: Make sure no one is in the vehicle and there is nothing blocking or placed in front of any air bag module when the battery is connected. Failure to follow these instructions may result in serious personal injury in the event of an accidental deployment.

- Remove the driver air bag module. Refer to Supplemental Restraint System Driver Air Bag Module.
- Disconnect: Upper Clockspring Connector.
- Measure the resistance between the clockspring C218 pin 15, component side and the upper clockspring pin 8, component side.




- Measure the resistance between the clockspring C218 pin 14, component side and the upper clockspring pin 9, component side.




- Are the resistances less than 5 ohms?

Yes
GO to C10.

No
INSTALL a new clockspring. INSTALL the driver air bag module. REFER to Supplemental Restraint System Service and Repair and Driver Air Bag Module. CLEAR the DTCs. TEST the system for normal operation.

-------------------------------------------------
C10 CHECK THE CIRCUITS TO THE STEERING WHEEL CONTROLS CIRCUITRY FOR AN OPEN OR A SHORT TO GROUND


- Ignition OFF.
- Measure the resistance between the clockspring, harness side and the steering wheel controls, harness side; and between the clockspring, harness side and ground as follows:









- Is the resistance less than 5 ohms between the clockspring and the steering wheel controls, and greater than 10,000 ohms between the clockspring and ground?

Yes
INSTALL a new cruise control switch. REFER to Cruise Control Switch Service and Repair. INSTALL the driver air bag module. REFER to Supplemental Restraint System Driver Air Bag Module. CLEAR the DTCs. TEST the system for normal operation.

No
INSTALL a new steering wheel. REFER to Steering Column Removal and Replacement. CLEAR the DTCs. TEST the system for normal operation.

-------------------------------------------------
C11 CHECK FOR CORRECT PCM OPERATION


- Connect: All Disconnected Connectors.
- Install the driver air bag module. Refer to Supplemental Restraint System Driver Air Bag Module.
- Disconnect all the PCM connectors.
- Check for:
- corrosion
- damaged pins
- pushed-out pins

- Connect all the PCM connectors and make sure they are seated correctly.
- Operate the system and verify the concern is still present.
- Is the concern still present?

Yes
INSTALL a new PCM. REFER to Electronic Engine Controls Service and Repair. TEST the system for normal operation.

No
The system is operating correctly at this time. The concern may have been caused by a loose or corroded connector. INSTALL the driver air bag. REFER to Supplemental Restraint System Driver Air Bag Module. CLEAR the DTCs. REPEAT the self-test.

-------------------------------------------------