Operation CHARM: Car repair manuals for everyone.
Manuals through 2025 now available!

Our trusted friends have launched a new website named LEMON, which has newer manuals. It also contains all the CHARM manuals.

LEMON is the spiritual successor to CHARM, I recommend you try it!

Link: lemon-manuals.la or lemon-manuals.org.ua

(Some people have issue connecting. LEMON is investigating. For now, use Firefox or change your DNS server)

Or, hide this message: temporarily or permanently

Pinpoint Test D: A Single Power Window is Inoperative - RH Front




Glass, Frames and Mechanisms

Pinpoint Tests

Pinpoint Test D: A Single Power Window is Inoperative - RH Front

Refer to Wiring Diagram Set 100, Power Windows for schematic and connector information. Diagrams By Number

Normal Operation

The RH front window control switch receives high current power through circuit CBP47 (GN/BU) whenever the accessory delay relay is active. The RH front window control switch receives low current power through circuit CPW14 (VT/WH) whenever the window lock switch on the LH front window control switch is set to the UNLOCK position and the accessory delay relay is active. Ground is provided to the RH front window control switch through circuit GD145 (BK/BU). When operating the RH front window in the up direction, the RH front window control switch supplies power to the RH front window motor through circuit CPW19 (VT) and ground through circuit CPW20 (WH/OG).

When operating the RH front window in the down direction, the RH front window control switch provides power to the RH front window motor through circuit CPW20 (WH/OG) and ground through circuit CPW19 (VT).

RH Front Window Operation From LH Front Switch

When the RH front power window is operated in the down direction from the LH front window control switch, a low current voltage is sent to the RH front window control switch through circuit CPW12 (GN/OG). The RH front window control switch integral electronics then supply high current power to the RH front window motor through circuit CPW20 (WH/OG). Ground is provided to the RH front window motor from the RH front window control switch through circuit CPW19 (VT).

When the RH front power window is operated in the up direction from the LH front window control switch, a low current voltage is sent to the RH front window control switch through circuit CPW13 (BN/YE). The RH front window control switch integral electronics then supply high current power to the RH front window motor through circuit CPW19 (VT). Ground is provided to the RH front window motor from the RH front window control switch through circuit CPW20 (WH/OG).

This pinpoint test is intended to diagnose the following:
- Wiring, terminals or connectors
- LH front window control switch
- RH front window control switch
- RH front window motor


PINPOINT TEST D: A SINGLE POWER WINDOW IS INOPERATIVE - RH FRONT

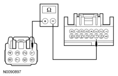
NOTICE: Use the correct probe adapter(s) from the Flex Probe Kit when making measurements. Failure to use the correct probe adapter(s) may damage the connector.

-------------------------------------------------
D1 CHECK THE RH FRONT POWER WINDOW OPERATION FROM LH FRONT CONTROL SWITCH


- Ignition ON.
- Attempt to operate the RH front window from the LH front window control switch.
- Does the RH front window operate when using the LH front window control switch?

Yes
GO to D2.

No
GO to D4.

-------------------------------------------------
D2 CHECK CIRCUIT CPW14 (VT/WH) FOR VOLTAGE


- Disconnect: RH Front Window Control Switch C604.
- Ignition ON.

- NOTE: Make sure the LH window control switch lockout switch is in the UNLOCK position.

- Measure the voltage between RH window control switch C604-3, circuit CPW14 (VT/WH), harness side and ground.




- Is the voltage greater than 10 volts?

Yes
INSTALL a new RH front window control switch. REFER to Window Control Switch Service and Repair. TEST the system for normal operation.

No
GO to D3.

-------------------------------------------------
D3 CHECK THE LH FRONT WINDOW CONTROL SWITCH


- Ignition OFF.
- Disconnect: LH Front Window Control Switch C504.
- Carry out the LH front window control switch component test.
Refer to Power Window Switch for component testing.

- Did the window control switch pass the component test?

Yes
REPAIR open in circuit CPW14 (VT/WH). TEST the system for normal operation.

No
INSTALL a new LH front window control switch. REFER to Window Control Switch Service and Repair. TEST the system for normal operation.

-------------------------------------------------
D4 CHECK THE RH FRONT POWER WINDOW OPERATION FROM RH FRONT CONTROL SWITCH


- Ignition ON.
- Attempt to operate the RH front window from the RH front window control switch.
- Does the RH front window operate when using the RH front window control switch?

Yes
GO to D5.

No
GO to D6.

-------------------------------------------------
D5 CHECK CIRCUITS CPW13 (BN/YE) AND CPW12 (GN/OG) FOR AN OPEN


- Measure the resistance between RH front window control switch C604-1, circuit CPW13 (BN/YE), harness side and LH front window control switch C504-11, circuit CPW13 (BN/YE), harness side.




- Measure the resistance between RH front window control switch C604-4, circuit CPW12 (GN/OG), harness side and LH front window control switch C504-10, circuit CPW12 (GN/OG), harness side.




- Are the resistances less than 5 ohms?

Yes
INSTALL a new LH front window control switch. REFER to Window Control Switch Service and Repair. TEST the system for normal operation.

No
REPAIR the circuit(s). TEST the system for normal operation.

-------------------------------------------------
D6 CHECK THE HIGH CURRENT POWER TO THE RH WINDOW CONTROL SWITCH


- Ignition OFF.
- Disconnect: RH Front Window Control Switch C604.
- Ignition ON.
- Measure the voltage between RH front window control switch C604-5, circuit CBP47 (GN/BU), harness side and ground.




- Is the voltage greater than 10 volts?

Yes
GO to D7.

No
REPAIR the circuit. TEST the system for normal operation.

-------------------------------------------------
D7 CHECK THE GROUND TO THE RH WINDOW CONTROL SWITCH


- Ignition OFF.
- Measure the resistance between RH front window control switch C604-8, circuit GD145 (BK/BU), harness side and ground.




- Is the resistance less than 5 ohms?

Yes
GO to D8.

No
REPAIR the circuit. TEST the system for normal operation.

-------------------------------------------------
D8 CHECK THE RH FRONT WINDOW CONTROL SWITCH


- Carry out the RH front window control switch component test.
Refer to Power Window Switch for component testing.

- Did the RH front window control switch pass the component test?

Yes
GO to D9.

No
INSTALL a new RH front window control switch. REFER to Window Control Switch Service and Repair. TEST the system for normal operation.

-------------------------------------------------
D9 CHECK CIRCUITS CPW19 (VT) AND CPW20 (WH/OG) FOR AN OPEN


- Disconnect: RH Front Window Motor C608.
- Measure the resistance between RH front window control switch C604-6, circuit CPW19 (VT), harness side and RH front window motor C608-2, circuit CPW19 (VT), harness side.




- Measure the resistance between RH front window control switch C604-7, circuit CPW20 (WH/OG), harness side and RH front window motor C608-1, circuit CPW20 (WH/OG), harness side.




- Are both resistances less than 5 ohms?

Yes
INSTALL a new RH front window motor. REFER to Window Regulator Motor - Front Door Window Regulator Motor - Front Door. TEST the system for normal operation.

No
REPAIR the circuit(s). TEST the system for normal operation.

-------------------------------------------------