Operation CHARM: Car repair manuals for everyone.
Manuals through 2025 now available!

Our trusted friends have launched a new website named LEMON, which has newer manuals. It also contains all the CHARM manuals.

LEMON is the spiritual successor to CHARM, I recommend you try it!

Link: lemon-manuals.la or lemon-manuals.org.ua

(Some people have issue connecting. LEMON is investigating. For now, use Firefox or change your DNS server)

Or, hide this message: temporarily or permanently

Pinpoint Test L: Front Display Interface Module (FDIM) Does Not Display DVD Video Played From The Audio Control Module (ACM)




Information and Entertainment System


Pinpoint Test L: The Front Display Interface Module (FDIM) Does Not Display DVD Video Played From The Audio Control Module (ACM) - Vehicles With Navigation



Refer to Wiring Diagrams Set 130, Audio System/Navigation for schematic and connector information. Diagrams By Number



Normal Operation


Video from a DVD played in the Audio Control Module (ACM) is transmitted to the Front Display Interface Module (FDIM) through dedicated video circuits. This video feed is separate from all other video sources, so it is possible for the FDIM to operate correctly until a DVD video is played.

DVD video playback through the ACM is only enabled when the vehicle is in PARK. In all other gears, only the DVD audio is played. This is normal operation.

This pinpoint test is intended to diagnose the following:

- Wiring, terminals or connectors
- FDIM
- ACM


PINPOINT TEST L: THE FDIM DOES NOT DISPLAY DVD VIDEO PLAYED FROM THE ACM - VEHICLES WITH NAVIGATION


NOTICE: Use the correct probe adapter(s) when making measurements. Failure to use the correct probe adapter(s) may damage the connector.

-------------------------------------------------
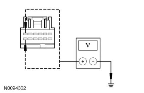
L1 CHECK THE FDIM VIDEO FEED CIRCUITS FOR A SHORT TO VOLTAGE


- Ignition OFF.
- Disconnect: ACM C240d.
- Disconnect: FDIM C2123.
- Ignition ON.
- Measure the voltage between the FDIM C2123-6, circuit VMN14 (WH/VT), harness side and ground; and between the FDIM C2123-12, circuit RMN14 (GY/BN), harness side and ground.






- Is any voltage present?

Yes
REPAIR the circuit in question. TEST the system for normal operation.

No
GO to L2.

-------------------------------------------------
L2 CHECK THE FDIM VIDEO FEED CIRCUITS FOR AN OPEN OR SHORT TO GROUND


- Ignition OFF.
- Measure the resistance between the FDIM C2123-6, circuit VMN14 (WH/VT), harness side and the ACM C240d-3, circuit VMN14 (WH/VT), harness side; and between the FDIM C2123-6, circuit VMN14 (WH/VT), harness side and ground.






- Measure the resistance between the FDIM C2123-12, circuit RMN14 (GY/BN), harness side and the ACM C240d-8, circuit RMN14 (GY/BN), harness side; and between the FDIM C2123-12, circuit RMN14 (GY/BN), harness side and ground.






- Is the resistance less than 5 ohms between the FDIM and the ACM, and greater than 10,000 ohms between the FDIM and ground?

Yes
REPAIR the circuit in question. TEST the system for normal operation.

No
GO to L3.

-------------------------------------------------
L3 ISOLATE THE FDIM


- Connect: ACM C240d.
- Install a new FDIM. Refer to Front Display Interface Module (FDIM) Front Display Interface Module (FDIM).
- Ignition ON.
- Operate the audio system and observe the FDIM screen.
- Does the system operate correctly?

Yes
The cause of the concern was an inoperative FDIM. The system is now operating correctly.

No
GO to L4.

-------------------------------------------------
L4 CHECK FOR CORRECT ACM OPERATION


- Ignition OFF.
- Disconnect all the ACM connectors.
- Check for:
- corrosion
- damaged pins
- pushed-out pins
- Connect all the ACM connectors and make sure they seat correctly.
- Operate the system and determine if the concern is still present.
- Is the concern still present?

Yes
INSTALL a new ACM. REFER to Audio Control Module (ACM) Audio Control Module (ACM). TEST the system for normal operation.

No
The system is operating correctly at this time. The concern may have been caused by a loose or corroded connector.

-------------------------------------------------