Operation CHARM: Car repair manuals for everyone.
Manuals through 2025 now available!

Our trusted friends have launched a new website named LEMON, which has newer manuals. It also contains all the CHARM manuals.

LEMON is the spiritual successor to CHARM, I recommend you try it!

Link: lemon-manuals.la or lemon-manuals.org.ua

(Some people have issue connecting. LEMON is investigating. For now, use Firefox or change your DNS server)

Or, hide this message: temporarily or permanently

Rear View Mirrors - Interior




Rear View Mirrors - Interior

Pinpoint Tests

Pinpoint Test F: The Auto-Dimming Mirror Does Not Operate Correctly

Refer to Wiring Diagram Set 124, Power Mirrors for schematic and connector information. Diagrams By Number

Normal Operation

The interior auto-dimming mirror receives voltage from circuit CBP41 (BU) and ground from circuit GD133 (BK). When the vehicle is placed in REVERSE, voltage is sent to the interior mirror through circuit CLS10 (GN/BN) and the interior mirror will turn the dimming feature off. There are 2 photoelectric sensors: one in the front of the interior rear view mirror and one mounted on the glass side of the mirror. If the sensors are blocked, the interior auto-dimming mirror might not work correctly. Always verify both sensors are not physically blocked before attempting to diagnose auto-dimming mirror concerns.

This pinpoint test is intended to diagnose the following:
- Fuse
- Wiring, terminals or connectors
- Interior auto-dimming mirror


PINPOINT TEST F: THE AUTO-DIMMING MIRROR DOES NOT OPERATE CORRECTLY

NOTICE: Use the correct probe adapter(s) from the Flex Probe Kit when making measurements. Failure to use the correct probe adapter(s) may damage the connector.

NOTE: If the Transmission Range (TR) sensor is malfunctioning and the backup lamps are on all the time or do not turn on, the interior auto-dimming mirror will not darken or return to normal view.

-------------------------------------------------
F1 CHECK OPERATION OF THE BACKUP LAMPS


- Ignition ON.
- Move the shift control selector through the entire range.
- Do the backup lamps illuminate only in REVERSE?

Yes
GO to F2.

No
REFER to Exterior Lighting Testing and Inspection to diagnose the backup lamps.

-------------------------------------------------
F2 VERIFY THE FORWARD AND REARWARD FACING SENSORS ARE NOT BLOCKED


- Visually verify the forward and rearward facing sensors are not blocked. Sources of blockage can include:
- stickers, window decals or tags.
- fold-down screens for TVs or DVD players.
- non-OEM window tinting.

- Were either of the sensors blocked?

Yes
If possible, REMOVE the blockage. TEST the system for normal operation. If it is not possible to remove the blockage, REVIEW the operation of the interior auto-dimming mirror with the customer.

No
GO to F3.

-------------------------------------------------
F3 CHECK OPERATION OF THE AUTO-DIMMING INTERIOR MIRROR - DAYLIGHT CONDITIONS


- Ignition ON.
- Use a bright lamp to illuminate the forward facing sensor and the rearward facing sensor. The mirror should adjust to a high reflectance mode (mirror will be clear).




- Did the mirror adjust to the high reflectance (clear) mode?

Yes
GO to F4.

No
INSTALL a new interior auto-dimming mirror. REFER to Rear View Mirrors - Interior. TEST the system for normal operation.

-------------------------------------------------
F4 CHECK THE OPERATION OF THE AUTO-DIMMING MIRROR - NIGHTTIME CONDITIONS WITHOUT GLARE


- Ignition ON.

- NOTE: Covering the sensor with a finger or hand is not adequate.

- Simulate nighttime conditions without glare:
- cover the forward sensor with black electrical tape or other dark material.
- cover the rearward facing sensor. The mirror should adjust to the high reflectance mode.




- Did the mirror adjust to the high reflectance (clear) mode?

Yes
GO to F5.

No
GO to F7.

-------------------------------------------------
F5 CHECK THE OPERATION OF THE AUTO-DIMMING MIRROR - NIGHTTIME CONDITIONS WITH GLARE


- Ignition ON.

- NOTE: Covering the sensor with a finger or hand is not adequate.

- Simulate nighttime conditions with glare:
- cover the forward sensor with black electrical tape or other dark material.
- illuminate the rearward facing sensor. The mirror should darken to a lower reflectance mode.




- Did the mirror darken to a lower reflectance (darker) mode?

Yes
GO to F6.

No
GO to F7.

-------------------------------------------------
F6 CHECK THE OPERATION OF THE AUTO-DIMMING MIRROR - NIGHTTIME CONDITIONS WITH THE VEHICLE IN REVERSE


- Ignition ON.

- NOTE: Covering the sensor with a finger or hand is not adequate.

- Simulate nighttime conditions with glare:
- cover the forward sensor with black electrical tape or other dark material.
- illuminate the rearward facing sensor.




- Select REVERSE.
- Did the mirror adjust to a high reflectance (clear) mode?

Yes
The system is operating correctly at this time. REVIEW the operation of the interior auto-dimming interior mirror with the customer.

No
GO to F7.

-------------------------------------------------
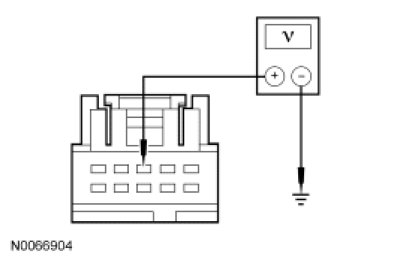
F7 CHECK CIRCUIT CBP41 (BU) FOR VOLTAGE


- Ignition OFF.
- Disconnect: Interior Auto-Dimming Mirror C911 (without microphone).
- Disconnect: Interior Auto-Dimming Mirror C9012 (with microphone).
- Ignition ON.
- Without microphone: Measure the voltage between interior auto-dimming mirror C911-1, circuit CBP41 (BU), harness side and ground.




- With microphone: Measure the voltage between interior auto-dimming mirror C9012-1, circuit CBP41 (BU), harness side and ground.




- Is the voltage greater than 10 volts?

Yes
GO to F8.

No
VERIFY that Smart Junction Box (SJB) fuse 41 (15A) is OK. If OK, REPAIR the circuit. If not OK, REFER to the Wiring Diagrams to identify the possible causes of the circuit short. TEST the system for normal operation. Diagrams By Number

-------------------------------------------------
F8 CHECK CIRCUIT GD133 (BK) FOR AN OPEN


- Ignition OFF.
- Without microphone: Measure the resistance between interior auto-dimming mirror C911-3, circuit GD133 (BK), harness side and ground.




- With microphone: Measure the resistance between interior auto-dimming mirror C9012-10, circuit GD133 (BK), harness side and ground.




- Is the resistance less than 5 ohms?

Yes
GO to F9.

No
REPAIR the circuit. TEST the system for normal operation.

-------------------------------------------------
F9 CHECK CIRCUIT CLS10 (GN/BN) FOR VOLTAGE


- Ignition ON.
- Select REVERSE.
- Without microphone: Measure the voltage between interior auto-dimming mirror C911-2, circuit CLS10 (GN/BN), harness side and ground.




- With microphone: Measure the voltage between interior auto-dimming mirror C9012-3, circuit CLS10 (GN/BN), harness side and ground.




- Is the voltage greater than 10 volts?

Yes
INSTALL a new interior auto-dimming mirror. REFER to Rear View Mirrors - Interior. TEST the system for normal operation.

No
REPAIR the circuit. TEST the system for normal operation.

-------------------------------------------------