Operation CHARM: Car repair manuals for everyone.
Manuals through 2025 now available!

Our trusted friends have launched a new website named LEMON, which has newer manuals. It also contains all the CHARM manuals.

LEMON is the spiritual successor to CHARM, I recommend you try it!

Link: lemon-manuals.la or lemon-manuals.org.ua

(Some people have issue connecting. LEMON is investigating. For now, use Firefox or change your DNS server)

Or, hide this message: temporarily or permanently

Utility Storage Compartment




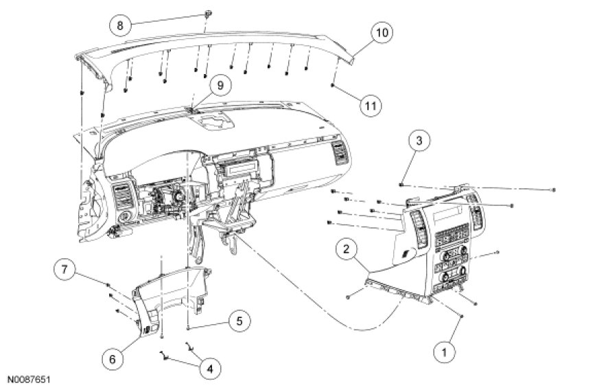
Instrument Panel - Exploded View

Instrument Panel Finish Panels and Fasteners









Instrument Panel Trim Panels, Finish Panels and Electrical Connectors









Instrument Panel and Instrument Cluster Finish Panels









Instrument Panel Upper Section