Operation CHARM: Car repair manuals for everyone.
Manuals through 2025 now available!

Our trusted friends have launched a new website named LEMON, which has newer manuals. It also contains all the CHARM manuals.

LEMON is the spiritual successor to CHARM, I recommend you try it!

Link: lemon-manuals.la or lemon-manuals.org.ua

(Some people have issue connecting. LEMON is investigating. For now, use Firefox or change your DNS server)

Or, hide this message: temporarily or permanently

Pinpoint Test AW: DTC B1318 (Front Display Interface Module (FDIM))




Information and Entertainment System

Pinpoint Test AW: DTC B1318 (Front Display Interface Module (FDIM))

Refer to Wiring Diagram Set 130 (Fusion/Milan/MKZ, Fusion Hybrid, Milan Hybrid, MKZ Hybrid), Audio System/Navigation for schematic and connector information. Diagrams By Number

Normal Operation
- DTC B1318 (Battery Voltage Low) - set by the Front Display Interface Module (FDIM) when the supply voltage falls below 10 volts for greater than 10 seconds during normal operation or during the self-test.

This pinpoint test is intended to diagnose the following:

- Wiring, terminals or connectors
- High circuit resistance
- FDIM


PINPOINT TEST AW: DTC B1318 (FDIM)

NOTICE: Use the correct probe adapter(s) when making measurements. Failure to use the correct probe adapter(s) may damage the connector.

NOTE: Failure to disconnect the battery when instructed will result in false resistance readings. Refer to Battery, Mounting and Cables Battery Disconnect.

-------------------------------------------------
AW1 RECHECK THE FDIM DTCs

- Clear the FDIM DTCs.
- Ignition OFF.
- Ignition ON.
- Wait at least 15 seconds.
- Repeat the FDIM self-test.
- Is DTC B1318 still present?

Yes
GO to AW2.

No
The system is operating correctly at this time. The DTC may have set due to a previous low battery voltage condition.

-------------------------------------------------
AW2 CHECK FOR CHARGING SYSTEM DTCs IN THE PCM

- Retrieve the continuous memory DTCs from all modules.
- Is DTC P0620, P0622, P0625, or P065B set in the PCM?

Yes
REFER to Charging System Testing and Inspection.

No
GO to AW3.

-------------------------------------------------
AW3 CHECK THE BATTERY CONDITION AND STATE OF CHARGE

- Check the battery condition and verify that the battery is fully charged. Refer to Battery, Mounting and Cables Testing and Inspection.
- Is the battery OK and fully charged?

Yes
GO to AW4.

No
REFER to Battery, Mounting and Cables Testing and Inspection.

-------------------------------------------------
AW4 CHECK THE FDIM VOLTAGE SUPPLY

- Ignition OFF.
- Measure and record the voltage at the battery.
- Disconnect: FDIM .
- Ignition ON.
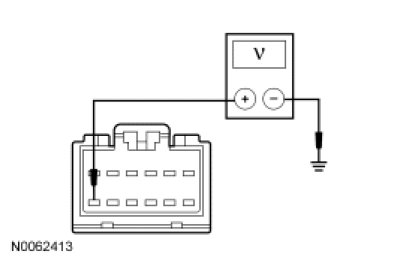
- Measure the voltage between the FDIM C2407-12, circuit SBP14 (BN/RD), harness side and ground.




- Is the voltage within 0.2 volt of the recorded battery voltage?

Yes
GO to AW5.

No
REPAIR the circuit for high resistance. CLEAR the DTC. REPEAT the self-test.

-------------------------------------------------
AW5 CHECK THE FDIM GROUND CIRCUIT FOR CONTINUITY

- Ignition OFF.
- Disconnect: Negative Battery Cable .
- Measure the resistance between the FDIM C2407-8, circuit GD116 (BK/VT), harness side and ground.




- Is the resistance less than 5 ohms?

Yes
GO to AW6.

No
REPAIR the circuit for high resistance. TEST the system for normal operation.

-------------------------------------------------
AW6 CHECK FOR CORRECT FDIM OPERATION

- Disconnect the FDIM connector.
- Check for:
- corrosion
- damaged pins
- pushed-out pins
- Connect the FDIM connector and make sure it seats correctly.
- Is the concern still present?

Yes
INSTALL a new FDIM. REFER to Front Display Interface Module (FDIM) - Fusion, Milan Front Display Interface Module (FDIM) or Front Display Interface Module (FDIM) - MKZ Front Display Interface Module (FDIM). TEST the system for normal operation.

No
The system is operating correctly at this time. The concern may have been caused by a loose or corroded connector.

-------------------------------------------------