Lower Intake Manifold
Lower Intake Manifold
Removal
NOTICE: During engine repair procedures, cleanliness is extremely important. Any foreign material, including any material created while cleaning gasket surfaces that enters the oil passages, coolant passages or the oil pan, can cause engine failure.
1. With the vehicle in NEUTRAL, position it on a hoist. For additional information, refer to Jacking and Lifting Service and Repair.
2. Remove the fuel rail. For additional information, refer to Fuel Charging and Controls - 3.5L Fuel Rail.
3. Drain the cooling system. For additional information, refer to Engine Cooling Service and Repair.
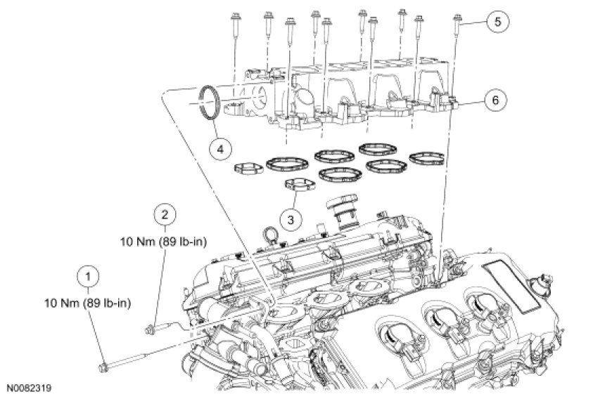
4. Remove the 2 thermostat housing-to-lower intake manifold bolts.
5. Remove the 10 bolts and the lower intake manifold.
- Remove and discard the intake manifold and thermostat housing gaskets.
- Clean and inspect all sealing surfaces.
Installation
1. NOTICE: If the engine is repaired or replaced because of upper engine failure, typically including valve or piston damage, check the intake manifold for metal debris. If metal debris is found, install a new intake manifold. Failure to follow these instructions can result in engine damage.
Using new intake manifold and thermostat housing gaskets, install the lower intake manifold and the 10 bolts.
- Tighten in the sequence shown to 10 Nm (89 lb-in).
2. Install the 2 thermostat housing-to-lower intake manifold bolts.
- Tighten to 10 Nm (89 lb-in).
3. Install the fuel rail. For additional information, refer to Fuel Charging and Controls - 3.5L Fuel Rail.
4. Fill and bleed the cooling system. For additional information, refer to Engine Cooling Service and Repair.