Operation CHARM: Car repair manuals for everyone.
Manuals through 2025 now available!

Our trusted friends have launched a new website named LEMON, which has newer manuals. It also contains all the CHARM manuals.

LEMON is the spiritual successor to CHARM, I recommend you try it!

Link: lemon-manuals.la or lemon-manuals.org.ua

(Some people have issue connecting. LEMON is investigating. For now, use Firefox or change your DNS server)

Or, hide this message: temporarily or permanently

Pinpoint Test F: Flash Code 4 - Vehicle Cruise Signal Circuit Failure




Cruise Control

Pinpoint Tests

Pinpoint Test F: Flash Code 4 - Vehicle Cruise Signal Circuit Failure

Refer to Wiring Diagram Set 31, Speed Control for schematic and connector information. Diagrams By Number

Normal Operation

The cruise control actuator receives the vehicle speed signal from the PCM.

Flash code 4 sets when the cruise control actuator senses the vehicle speed signal is out of range or the circuit is damaged while carrying-out the self test.

This pinpoint test is intended to diagnose the following:

- Wiring, terminals or connectors
- Cruise control actuator

PINPOINT TEST F: FLASH CODE 4 - VEHICLE SPEED SIGNAL CIRCUIT FAILURE

NOTICE: Use the correct probe adapter(s) when making measurements. Failure to use the correct probe adapter(s) may damage the connectors.

-------------------------------------------------
F1 CHECK THE SPEEDOMETER OPERATION

- Check the speedometer for correct operation by driving the vehicle.
- Does the speedometer operate correctly?

Yes
GO to F2.

No
REFER to Instrumentation and Warning Chimes Testing and Inspection to continue diagnosis of the speedometer.

-------------------------------------------------
F2 CHECK THE VEHICLE SPEED SIGNAL VOLTAGE

NOTICE: Make sure the vehicle is secured correctly before attempting to place the transmission range selector lever in DRIVE (D), or in 1st gear, if equipped with a manual transmission.

- Disconnect: Cruise Control Actuator C122.
- With the vehicle in NEUTRAL, position it on a hoist. For additional information, refer to Jacking and Lifting Service and Repair.

- NOTE: For vehicles equipped with a manual transmission, place the transmission into 1st gear.

- Start the vehicle, place the transmission in DRIVE (D), and with the engine at idle, allow the drive wheels to spin.
- Measure and record the AC voltage between the cruise control actuator C122-3, circuit VMC05 (VT/OG), harness side and ground with the vehicle drive wheels spinning a minimum of 8 km/h (5 mph).




- Apply the brakes until the drive wheels come to a stop. Place the transmission in PARK (P), fully engage the parking brake and turn the engine OFF.
- Is the AC voltage greater than 4.5 volts?

Yes
GO to F3.

No
GO to F4.

-------------------------------------------------
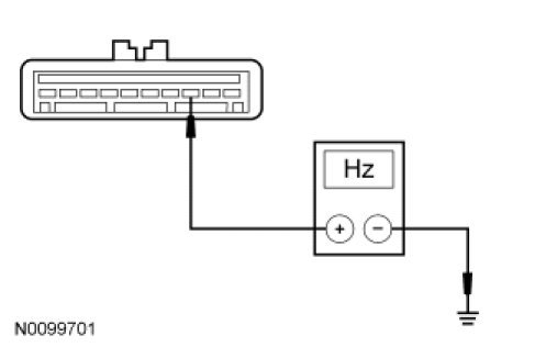
F3 CHECK THE VEHICLE SPEED SIGNAL FREQUENCY

NOTICE: Make sure the vehicle is secured correctly before attempting to place the transmission range selector lever in DRIVE (D), or in 1st gear, if equipped with a manual transmission.

- NOTE: For vehicles equipped with a manual transmission, place the transmission into 1st gear.

- NOTE: Make sure the automotive meter is set to DC hertz when measuring the frequency.

- Start the vehicle, place the transmission in DRIVE (D), and with the engine at idle, allow the drive wheels to spin.
- Measure and record the frequency between the cruise control actuator C122-3, circuit VMC05 (VT/OG), harness side and ground with the vehicle drive wheels spinning a minimum of 8 km/h (5 mph). Record the speedometer reading.




- Apply the brakes until the drive wheels come to a stop. Place the transmission in PARK (P), fully engage the parking brake and turn the engine OFF.
- Divide the frequency reading by 2.2 to get an mph result and compare this to the reading of the speedometer.
- Does the frequency reading result match the speedometer reading?

Yes
INSTALL a new cruise control actuator. REFER to Cruise Control Actuator Service and Repair. TEST the system for normal operation.

No
GO to F6.

-------------------------------------------------
F4 CHECK THE VEHICLE SPEED SIGNAL FOR A SHORT TO GROUND

- Measure the resistance between the cruise control actuator C122-3, circuit VMC05 (VT/OG), harness side and ground.




- Is the resistance greater than 10,000 ohms?

Yes
GO to F5.

No
REPAIR the circuit. TEST the system for normal operation.

-------------------------------------------------
F5 CHECK THE VEHICLE SPEED SIGNAL CIRCUIT FOR AN OPEN

- Ignition OFF.
- Disconnect: PCM C175b.
- Measure the resistance between the PCM C175b-1, circuit VMC05 (VT/OG), harness side and the cruise control actuator C122-3, circuit VMC05 (VT/OG), harness side.




- Is the resistance less than 5 ohms?

Yes
GO to F6.

No
REPAIR the circuit. TEST the system for normal operation.

-------------------------------------------------
F6 CHECK FOR CORRECT PCM OPERATION

- Connect: All Disconnected Connectors.
- Disconnect the PCM connector.
- Check for:
- corrosion
- damaged pins
- pushed-out pins

- Connect the PCM connector and make sure it seats correctly.
- Operate the system and verify the concern is still present.
- Is the concern still present?

Yes
INSTALL a new PCM. REFER to Electronic Engine Controls Service and Repair. TEST the system for normal operation.

No
The system is operating correctly at this time. The concern may have been caused by a loose or corroded connector. TEST the system for normal operation.

-------------------------------------------------