Operation CHARM: Car repair manuals for everyone.
Manuals through 2025 now available!

Our trusted friends have launched a new website named LEMON, which has newer manuals. It also contains all the CHARM manuals.

LEMON is the spiritual successor to CHARM, I recommend you try it!

Link: lemon-manuals.la or lemon-manuals.org.ua

(Some people have issue connecting. LEMON is investigating. For now, use Firefox or change your DNS server)

Or, hide this message: temporarily or permanently

Pinpoint Test H: Temperature Control is Inoperative/Does Not Operate Correctly




Climate Control System

Pinpoint Tests

Pinpoint Test H: Temperature Control is Inoperative/Does Not Operate Correctly

Refer to the Wiring Diagram Climate Control System for schematic and connector information. Diagrams By Number

Normal Operation

Under normal operation, voltage and ground is supplied to the blend door actuator. A 5-volt reference voltage and return ground are provided by the blend door actuator to the temperature control. The temperature control feeds the desired position to the blend door actuator.

This pinpoint test is intended to diagnose the following:
- Fuse
- Wiring, terminals or connectors
- Temperature control potentiometer
- Temperature blend door actuator
- Stuck or bound linkage or door

PINPOINT TEST H: TEMPERATURE CONTROL IS INOPERATIVE/DOES NOT OPERATE CORRECTLY

-------------------------------------------------
H1 CHECK THE VOLTAGE TO THE TEMPERATURE BLEND DOOR ACTUATOR MOTOR

- Ignition OFF.
- Disconnect: Temperature Blend Door Actuator Motor C289.
- Ignition ON.
- Measure the voltage between ground and temperature blend door actuator C289-7, circuit CBP27 (GN/BN), harness side.




- Is the voltage greater than 10 volts?

Yes
GO to H2.

No
VERIFY Smart Junction Box (SJB) fuse 27 (10A) is OK. If OK, REPAIR circuit CBP27 (GN/BN) for an open. TEST the system for normal operation.

-------------------------------------------------
H2 CHECK THE GROUND TO THE BLEND DOOR ACTUATOR

- Ignition OFF.
- Measure the resistance between ground and blend door actuator C289-8, circuit GD161 (BK/YE), harness side.




- Is the resistance less than 5 ohms?

Yes
GO to H3.

No
REPAIR circuit GD161 (BK/YE) for an open. TEST the system for normal operation.

-------------------------------------------------
H3 CHECK THE TEMPERATURE CONTROL POTENTIOMETER TOTAL RESISTANCE

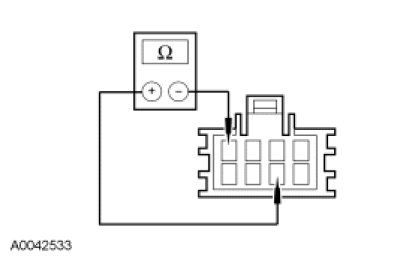
- Measure the resistance between temperature blend door actuator C289-4, circuit RH449 (GY/OG), harness side and C289-6, circuit CH449 (BU/OG), harness side.




- Is the resistance between 5,000 and 6,000 ohms?

Yes
GO to H6.

No
If the resistance is less than 5,000 ohms, GO to H4.

If the resistance is greater than 6,000 ohms, GO to H5.

-------------------------------------------------
H4 CHECK CIRCUITS RH449 (GY/OG) AND CH449 (BU/OG) FOR A SHORT TOGETHER

- Disconnect: Temperature Control Potentiometer C294d.
- Measure the resistance between temperature blend door actuator C289-4, circuit RH449 (GY/OG), harness side and C289-6, circuit CH449 (BU/OG), harness side.




- Is the resistance less than 5 ohms?

Yes
REPAIR circuits RH449 (GY/OG) and CH449 (BU/OG) for a short together. TEST the system for normal operation.

No
INSTALL a new temperature control potentiometer. TEST the system for normal operation.

-------------------------------------------------
H5 CHECK CIRCUITS RH449 (GY/OG) AND CH449 (BU/OG) FOR AN OPEN

- Disconnect: Temperature Control Potentiometer C294d.
- Measure the resistance between temperature blend door actuator C289-4, circuit RH449 (GY/OG), harness side and temperature control potentiometer C294d-3, circuit RH449 (GY/OG), harness side.




- Measure the resistance between temperature blend door actuator C289-6, circuit CH449 (BU/OG), harness side and temperature control potentiometer C294d-1, circuit CH449 (BU/OG), harness side.




- Are the resistances less than 5 ohms?

Yes
INSTALL a new temperature control potentiometer. TEST the system for normal operation.

No
REPAIR circuit CH449 (BU/OG) or RH449 (GY/OG) for an open. TEST the system for normal operation.

-------------------------------------------------
H6 CHECK THE TEMPERATURE CONTROL POTENTIOMETER OPERATION

- Measure the resistance between temperature blend door actuator C289-3, circuit VH450 (BN/WH), harness side and C289-6, circuit CH449 (BU/OG), harness side while rotating the temperature control potentiometer from full WARM to full COOL.




- Does the resistance vary between 250 and 5,500 ohms?

Yes
GO to H9.

No
GO to H7.

-------------------------------------------------
H7 CHECK CIRCUIT VH450 (BN/WH) FOR AN OPEN

- Disconnect: Temperature Control Potentiometer C294d.
- Measure the resistances between actuator C289-3, circuit VH450 (BN/WH), harness side and temperature control potentiometer C294d-2, circuit VH450 (BN/WH), harness side.




- Is the resistance less than 5 ohms?

Yes
GO to H8.

No
REPAIR circuit VH450 (BN/WH) for an open. TEST the system for normal operation.

-------------------------------------------------
H8 CHECK CIRCUITS VH450 (BN/WH) AND CH449 (BU/OG) FOR A SHORT TOGETHER

- Measure the resistance between temperature blend door actuator C289-3, circuit VH450 (BN/WH), harness side and C289-6, circuit CH449 (BU/OG), harness side.




- Is the resistance less than 5 ohms?

Yes
REPAIR circuits VH450 (BN/WH) and CH449 (BU/OG) for a short together. TEST the system for normal operation.

No
INSTALL a new temperature control potentiometer. TEST the system for normal operation.

-------------------------------------------------
H9 CHECK CIRCUITS VH450 (BN/WH) AND CH449 (BU/OG) FOR A SHORT TO GROUND

- Disconnect: Temperature Control Potentiometer C294d.
- Measure the resistances between ground and temperature blend door actuator:
- C289-3, circuit VH450 (BN/WH), harness side.
- C289-6, circuit CH449 (BU/OG), harness side.




- Are the resistances greater than 10,000 ohms?

Yes
GO to H10.

No
REPAIR circuit CH449 (BU/OG) or VH450 (BN/WH) for a short to ground. TEST the system for normal operation.

-------------------------------------------------
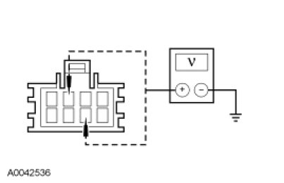
H10 CHECK CIRCUITS VH450 (BN/WH) AND CH449 (BU/OG) FOR A SHORT TO VOLTAGE

- Ignition ON.
- Measure the voltages between ground and temperature blend door actuator:
- C289-6, circuit CH449 (BU/OG), harness side.
- C289-3, circuit VH450 (BN/WH), harness side.




- Is any voltage present?

Yes
REPAIR circuit CH449 (BU/OG) or VH450 (BN/WH) for a short to voltage. TEST the system for normal operation.

No
GO to H11.

-------------------------------------------------
H11 CHECK FOR A BINDING, STUCK OR BROKEN BLEND DOOR

- Ignition OFF.
- Remove the actuator. Refer to Climate Control Temperature Blend Door Actuator.
- Inspect for a binding, stuck or broken blend door or linkage.
- Is there a binding, stuck or broken blend door or linkage condition?

Yes
REPAIR the blend door/linkage. TEST the system for normal operation.

No
INSTALL a new temperature blend door actuator. REFER to Climate Control Temperature Blend Door Actuator. TEST the system for normal operation.

-------------------------------------------------