Operation CHARM: Car repair manuals for everyone.
Manuals through 2025 now available!

Our trusted friends have launched a new website named LEMON, which has newer manuals. It also contains all the CHARM manuals.

LEMON is the spiritual successor to CHARM, I recommend you try it!

Link: lemon-manuals.la or lemon-manuals.org.ua

(Some people have issue connecting. LEMON is investigating. For now, use Firefox or change your DNS server)

Or, hide this message: temporarily or permanently

Pinpoint Test I: The Blower Motor is Inoperative




Climate Control System

Pinpoint Tests

Pinpoint Test I: The Blower Motor is Inoperative

Refer to the Wiring Diagram Climate Control System for schematic and connector information. Diagrams By Number

Normal Operation

Under normal operation, the function selector switch is supplied voltage. When the function selector switch is any position except OFF, voltage is sent from the switch to the blower motor relay coil. Ground for the blower motor relay coil is provided. Voltage is supplied to the blower motor relay switch contact. When the relay is energized, voltage is supplied from the relay to the blower motor. Ground for the blower motor is supplied by the blower motor resistor or blower switch.

This pinpoint test is intended to diagnose the following:
- Fuse(s)
- Wiring, terminals or connectors
- Blower motor
- Blower motor relay

PINPOINT TEST I: THE BLOWER MOTOR IS INOPERATIVE

-------------------------------------------------
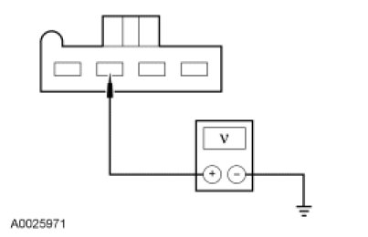
I1 CHECK FOR VOLTAGE TO THE BLOWER MOTOR

- Disconnect: Blower Motor C1031.
- Ignition ON.
- Set the function selector switch in the FLOOR position.
- Measure the voltage between ground and blower motor C1031-1, circuit CH402 (YE/GN), harness side.




- Is the voltage greater than 10 volts?

Yes
GO to I2.

No
CARRY OUT the blower motor relay component test. If the relay test is OK, GO to I3.

-------------------------------------------------
I2 CHECK FOR GROUND TO THE BLOWER MOTOR

- Ignition OFF.
- Set the blower switch in the HIGH position.
- Measure the resistance between ground and blower motor C1031-2, circuit CH430 (VT/OG), harness side.




- Is the resistance less than 5 ohms?

Yes
INSTALL a new blower motor. TEST the system for normal operation.

No
REPAIR circuit CH430 (VT/OG) for an open. TEST the system for normal operation.

-------------------------------------------------
I3 CHECK CIRCUIT CH402 (YE/GN) FOR AN OPEN

- Ignition OFF.
- Disconnect: Blower Motor Relay.

For 2.3L only




- For 2.3L only, measure the resistance between blower motor C1031-1, circuit CH402 (YE/GN), harness side and blower motor relay socket pin 30, circuit CH402 (YE/GN).

For 3.0L and 4.0L only




- For 3.0L and 4.0L only, measure the resistance between blower motor C1031-1, circuit CH402 (YE/GN), harness side and blower motor relay socket pin 30, circuit CH402 (YE/GN).
- Is the resistance less than 5 ohms?

Yes
GO to I4.

No
REPAIR circuit CH402 (YE/GN) for an open. TEST the system for normal operation.

-------------------------------------------------
I4 CHECK CIRCUIT SBB13 (GY/RD) FOR AN OPEN

- Ignition ON.

For 2.3L only




- For 2.3L only, measure the voltage between ground and blower motor relay socket pin 87, circuit SBB13 (GY/RD).

For 3.0L and 4.0L only




- For 3.0L and 4.0L only, measure the voltage between ground and blower motor relay socket pin 87, circuit SBB13 (GY/RD).
- Is the voltage greater than 10 volts?

Yes
GO to I5.

No
VERIFY Battery Junction Box (BJB) fuse 13 (30A) is OK. If OK, REPAIR circuit SBB13 (GY/RD) for an open. TEST the system for normal operation.

-------------------------------------------------
I5 CHECK CIRCUIT GD121 (BK/YE) FOR AN OPEN

- Ignition OFF.

For 2.3L only




- For 2.3L only, measure the resistance between ground and blower motor relay socket pin 85, circuit GD121 (BK/YE).

For 3.0L and 4.0L only




- For 3.0L and 4.0L only, measure the resistance between ground and blower motor relay socket pin 85, circuit GD121 (BK/YE).
- Is the resistance less than 5 ohms?

Yes
CARRY OUT the Function Selector Switch Component Test. GO to I6. Climate Control System

No
REPAIR circuit GD121 (BK/YE) for an open. TEST the system for normal operation.

-------------------------------------------------
I6 CHECK CIRCUIT CBP27 (GN/BN) FOR VOLTAGE

- Ignition OFF.
- Disconnect: Function Selector Switch C294a.
- Ignition ON.
- Measure the voltage between ground and function selector switch C294a-3, circuit CBP27 (GN/BN), harness side.




- Is the voltage greater than 10 volts?

Yes
REPAIR circuit CH435 (VT/GY) for an open. TEST the system for normal operation.

No
VERIFY Smart Junction Box (SJB) fuse 27 (10A) is OK. If OK, REPAIR circuit CBP27 (GN/BN) for an open. TEST the system for normal operation.

-------------------------------------------------