Operation CHARM: Car repair manuals for everyone.
Manuals through 2025 now available!

Our trusted friends have launched a new website named LEMON, which has newer manuals. It also contains all the CHARM manuals.

LEMON is the spiritual successor to CHARM, I recommend you try it!

Link: lemon-manuals.la or lemon-manuals.org.ua

(Some people have issue connecting. LEMON is investigating. For now, use Firefox or change your DNS server)

Or, hide this message: temporarily or permanently

Pinpoint Test F: SJB Will Not Enter Sensor Training Mode




Tire Pressure Monitoring System

Pinpoint Tests

Pinpoint Test F: SJB Will Not Enter Sensor Training Mode

Normal Operation

For the Smart Junction Box (SJB) to enter Tire Pressure Monitoring System (TPMS) sensor training mode, the SJB must receive valid input from the Brake Pedal Position (BPP) switch (OFF-ON-OFF) and ignition switch (both OFF and RUN), the SJB must also receive valid vehicle speed sensor input (0 km/h [0 mph]). Refer to Tire Pressure Monitoring System (TPMS) Sensor Training Tire Pressure Monitoring System (TPMS) Sensor Training for the complete sensor training procedure.

The BPP receives fused battery voltage from SJB fuse 32 (5A) along circuit SBP32 (VT/RD). When the brake pedal is pressed, the switch closes and the fused battery voltage is sent to the ABS module, the PCM, the brake shift interlock, the speed control servo (if equipped) (through the clutch pedal position switch if equipped with a manual transmission) and the Four-Wheel Drive (4WD) control module (if equipped) along circuit CCB15 (BN/GN). When the brake pedal is not pressed, the switch is closed and connects circuit CCB15 (BN/GN) to ground along circuit GD161 (BK/YE).

- DTC C1446 (Brake Switch Circuit Failure) - If the SJB detects a short to voltage on the BPP switch input circuit during the on-demand self test, DTC C1446 will be set.

This pinpoint test is intended to diagnose the following:
- Wiring, terminals or connectors
- BPP switch
- Ignition switch
- SJB

PINPOINT TEST F: SJB WILL NOT ENTER SENSOR TRAINING MODE

-------------------------------------------------
F1 CHECK THE SJB BRAKE SWITCH INPUT STATUS (GEM_BOO) PID

- Connect the scan tool.
- Ignition ON.
- Enter the following diagnostic mode on the scan tool: SJB DataLogger.
- Monitor the GEM_BOO while pressing and releasing the brake pedal ( SJB reads the brake switch directly).
- Does the PID display match the pedal positions?

Yes
GO to F2.

No
GO to F4.

-------------------------------------------------
F2 CHECK THE SJB IGNITION SWITCH (IGN_SW) PID

- Monitor the IGN_SW PID while cycling the ignition switch from the ON position, to the OFF position and then back to the ON position ( SJB reads the ignition switch directly).
- Does the PID display match the ignition switch positions?

Yes
GO to F3.

No
REFER to Steering Column Switches Testing and Inspection to continue diagnosis of the ignition switch.

-------------------------------------------------
F3 CHECK THE SJB VEHICLE SPEED (VSS_SPD) PID

- Monitor the VSS_SPD PID without driving the vehicle.
- Does the PID display 0 km/h (0 mph)?

Yes
GO to F13.

No
REFER to Instrumentation and Warning Chimes Testing and Inspection to diagnose the vehicle speed concern.

-------------------------------------------------
F4 CHECK THE VOLTAGE TO THE BPP SWITCH

- Ignition OFF.
- Disconnect: BPP Switch C278.
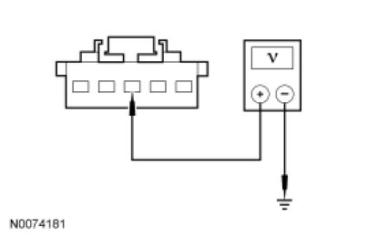
- Measure the voltage between BPP switch C278-3, circuit SBP32 (VT/RD), harness side and ground.




- Is the voltage greater than 10 volts?

Yes
GO to F5.

No
VERIFY that SJB fuse 32 (5A) is OK. If OK, REPAIR circuit SBP32 (VT/RD). CLEAR the DTC. REPEAT the self-test.

-------------------------------------------------
F5 ISOLATE THE BPP SWITCH

- Measure the resistance between BPP switch C278 pin-3 and pin-4, component side, while pressing and release the brake pedal.
- Is the resistance less than 5 ohms with the pedal pressed and greater than 10,000 ohms with the pedal released?

Yes
GO to F6.

No
INSTALL a new BPP switch. REFER to Stoplamp Switch in Exterior Lighting Service and Repair. CLEAR the DTC. REPEAT the self-test.

-------------------------------------------------
F6 CHECK CIRCUIT CCB15 (BN/GN) FOR AN OPEN

- Disconnect: SJB C2280d.
- Measure the resistance between BPP switch C278-4, circuit CCB15 (BN/GN), harness side and SJB C2280d-7, circuit CCB15 (BN/GN), harness side.




- Is the resistance less than 5 ohms?

Yes
GO to F7.

No
REPAIR circuit CCB15 (BN/GN). CLEAR the DTC. REPEAT the self-test.

-------------------------------------------------
F7 CHECK CIRCUIT CCB15 (BN/GN) FOR A SHORT TO VOLTAGE

NOTE: The radio may need to be removed to access the 4WD control module electrical connectors.

- Disconnect: ABS C135.
- Disconnect: PCM C175b.
- Disconnect: Brake Shift Interlock C2008.
- Disconnect: Speed Control Servo C122 (if equipped).
- Disconnect: 4WD Control Module C281a (if equipped).
- Ignition ON.
- Measure the voltage between BPP switch C278-4, circuit CCB15 (BN/GN), harness side and ground.




- Is any voltage present?

Yes
REPAIR circuit CCB15 (BN/GN). CLEAR the DTC. REPEAT the self-test.

No
GO to F8.

-------------------------------------------------
F8 CHECK THE ABS MODULE FOR A SHORT TO VOLTAGE

- Ignition OFF.
- Connect: ABS C135.
- Ignition ON.
- Measure the voltage between BPP switch C278-4, circuit CCB15 (BN/GN), harness side and ground.




- Is any voltage present?

Yes
INSPECT the ABS module electrical connector for corrosion, pushed-out pins or spread terminals. REPAIR as necessary. CLEAR the DTC. REPEAT the self-test.

If the electrical connector is OK, INSTALL a new ABS module. REFER to Vehicle Dynamic Systems Service and Repair. CLEAR the DTC. REPEAT the self-test.

No
GO to F9.

-------------------------------------------------
F9 CHECK THE PCM FOR A SHORT TO VOLTAGE

- Ignition OFF.
- Connect: PCM C175b.
- Ignition ON.
- Measure the voltage between BPP switch C278-4, circuit CCB15 (BN/GN), harness side and ground.




- Is any voltage present?

Yes
INSPECT the PCM electrical connector for corrosion, pushed-out pins or spread terminals. REPAIR as necessary. CLEAR the DTC. REPEAT the self-test.

If the electrical connector is OK, INSTALL a new PCM. REFER to Electronic Engine Controls Service and Repair. CLEAR the DTC. REPEAT the self-test.

No
GO to F10.

-------------------------------------------------
F10 CHECK THE BRAKE SHIFT INTERLOCK FOR A SHORT TO VOLTAGE

- Ignition OFF.
- Connect: Brake Shift Interlock C2008.
- Ignition ON.
- Measure the voltage between BPP switch C278-4, circuit CCB15 (BN/GN), harness side and ground.




- Is any voltage present?

Yes
INSPECT the brake shift interlock electrical connector for corrosion, pushed-out pins or spread terminals. REPAIR as necessary. CLEAR the DTC. REPEAT the self-test.

If the electrical connector is OK, INSTALL a new brake shift interlock actuator. REFER to Automatic Transaxle/Transmission External Controls Service and Repair. CLEAR the DTC. REPEAT the self-test.

No
If the vehicle is equipped with both speed control and 4WD, GO to F11.

If the vehicle is equipped with speed control but not 4WD, GO to F11.

If the vehicle is equipped with 4WD but not speed control, GO to F12.

If the vehicle is not equipped with speed control or 4WD, GO to F13.

-------------------------------------------------
F11 CHECK THE SPEED CONTROL SERVO FOR A SHORT TO VOLTAGE

- Ignition OFF.
- Connect: Speed Control Servo C122.
- Ignition ON.
- Measure the voltage between BPP switch C278-4, circuit CCB15 (BN/GN), harness side and ground.




- Is any voltage present?

Yes
INSPECT the speed control servo electrical connector for corrosion, pushed-out pins or spread terminals. REPAIR as necessary. CLEAR the DTC. REPEAT the self-test.

If the electrical connector is OK, INSTALL a new speed control actuator. REFER to Cruise Control Service and Repair. CLEAR the DTC. REPEAT the self-test.

No
If the vehicle is equipped with 4WD, GO to F12.

If the vehicle is not equipped with 4WD, GO to F13.

-------------------------------------------------
F12 CHECK THE 4WD CONTROL MODULE FOR A SHORT TO VOLTAGE

- Ignition OFF.
- Connect: 4WD Control Module C281a.
- Ignition ON.
- Measure the voltage between BPP switch C278-4, circuit CCB15 (BN/GN), harness side and ground.




- Is any voltage present?

Yes
INSPECT the 4WD control module electrical connector for corrosion, pushed-out pins or spread terminals. REPAIR as necessary. CLEAR the DTC. REPEAT the self-test.

If the electrical connector is OK, INSTALL a new 4WD control module. REFER to Four Wheel Drive (4WD) Systems . CLEAR the DTC. REPEAT the self-test.

No
GO to F13.

-------------------------------------------------
F13 CHECK FOR CORRECT SJB OPERATION

- Disconnect all the SJB connectors.
- Check the connectors for:
- corrosion.
- pushed-out pins.
- spread terminals.

- Connect all the SJB connectors and make sure that they are seated correctly.
- Operate the system and verify the concern is still present.
- Is the concern still present?

Yes
INSTALL a new SJB. REFER to Multifunction Electronic Modules Service and Repair. CLEAR the DTCs. REPEAT the self-test.

No
The system is operating correctly at this time. The concern may have been caused by a loose or corroded connector. CLEAR the DTCs. REPEAT the self-test.

-------------------------------------------------