Operation CHARM: Car repair manuals for everyone.
Manuals through 2025 now available!

Our trusted friends have launched a new website named LEMON, which has newer manuals. It also contains all the CHARM manuals.

LEMON is the spiritual successor to CHARM, I recommend you try it!

Link: lemon-manuals.la or lemon-manuals.org.ua

(Some people have issue connecting. LEMON is investigating. For now, use Firefox or change your DNS server)

Or, hide this message: temporarily or permanently

Suspension System - General Information




Alignment Specifications





a Camber Total/Split = LH Camber - RH Camber
b Caster Total/Split = LH Caster - RH Caster

Front Ride Height Measurement











Rear Ride Height Measurement

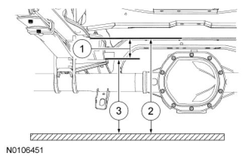
Ride Height Measurement - Four-Wheel Drive (4WD)










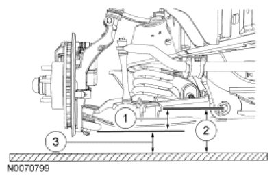
Ride Height Measurement - Rear Wheel Drive (RWD)










NOTE: Make sure that the vehicle is positioned on a flat, level surface and the tires are inflated to the correct pressure. Vehicle should have a full tank of fuel.


General Specifications









Torque Specifications





a Refer to the procedure.